Datasheet LTC2351-12 (Analog Devices) - 10
| Manufacturer | Analog Devices |
| Description | 6 Channel, 12-Bit, 1.5Msps Simultaneous Sampling ADC with Shutdown |
| Pages / Page | 20 / 10 — BLOCK DIAGRAM |
| File Format / Size | PDF / 235 Kb |
| Document Language | English |
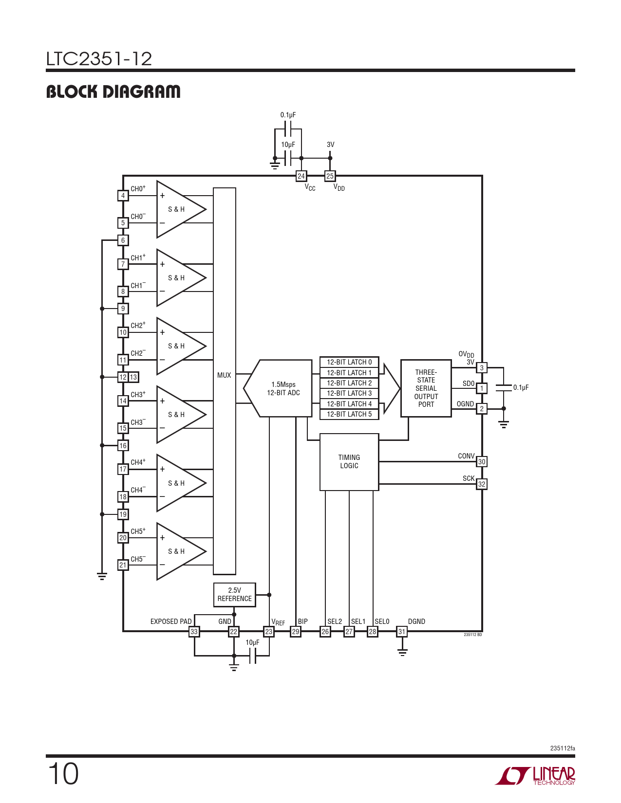
BLOCK DIAGRAM

Model Line for this Datasheet
Text Version of Document
LTC2351-12
BLOCK DIAGRAM
0.1μF 10μF 3V 24 25 CH0+ VCC VDD 4 + S & H CH0– 5 – 6 CH1+ 7 + S & H CH1– 8 – 9 CH2+ 10 + S & H CH2– OVDD 11 – 12-BIT LATCH 0 3V 3 12-BIT LATCH 1 THREE- 12 13 MUX STATE 1.5Msps 12-BIT LATCH 2 SD0 SERIAL 1 0.1μF CH3+ 12-BIT ADC 12-BIT LATCH 3 OUTPUT 14 + 12-BIT LATCH 4 PORT OGND 2 S & H 12-BIT LATCH 5 CH3– 15 – 16 CONV TIMING CH4+ 30 LOGIC 17 + SCK S & H 32 CH4– 18 – 19 CH5+ 20 + S & H CH5– 21 – 2.5V REFERENCE EXPOSED PAD GND VREF BIP SEL2 SEL1 SEL0 DGND 33 22 23 29 26 27 28 31 235112 BD 10μF 235112fa 10