Datasheet LT1070, LT1071 (Linear Technology) - 8
| Manufacturer | Linear Technology |
| Description | 5A and 2.5A High Efficiency Switching Regulators |
| Pages / Page | 12 / 8 — TYPICAL APPLICATIONS (Note that maximum output currents are divided by 2 … |
| Revision | E |
| File Format / Size | PDF / 218 Kb |
| Document Language | English |
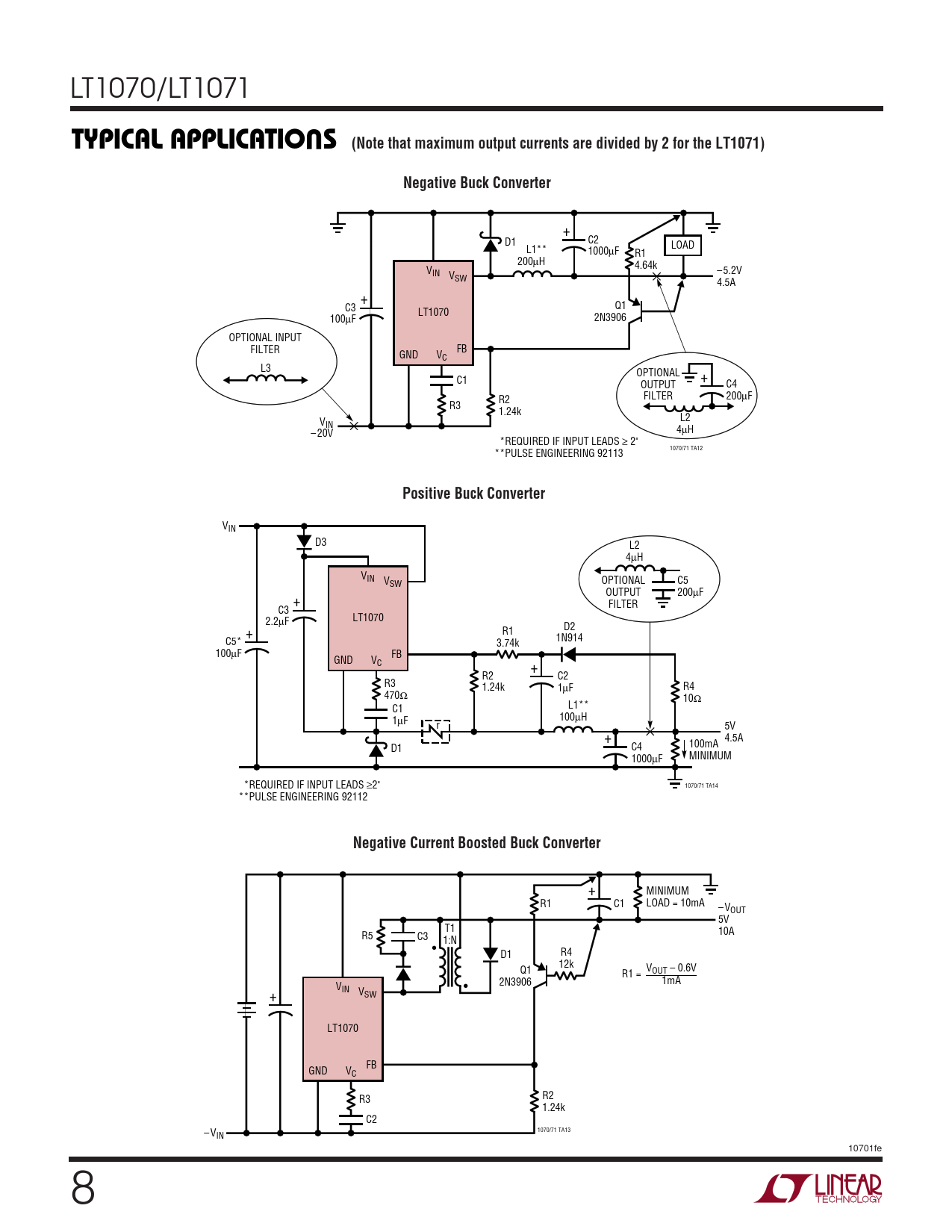
TYPICAL APPLICATIONS (Note that maximum output currents are divided by 2 for the LT1071). Negative Buck Converter

Model Line for this Datasheet
Text Version of Document
LT1070/LT1071
U TYPICAL APPLICATIONS (Note that maximum output currents are divided by 2 for the LT1071) Negative Buck Converter
+ C2 D1 L1** LOAD 1000µF R1 200µH 4.64k V – 5.2V IN VSW 4.5A + Q1 C3 LT1070 2N3906 100µF OPTIONAL INPUT FILTER FB GND VC L3 OPTIONAL C1 + OUTPUT C4 R2 FILTER 200µF R3 1.24k V L2 IN – 20V 4µH *REQUIRED IF INPUT LEADS ≥ 2" 1070/71 TA12 **PULSE ENGINEERING 92113
Positive Buck Converter
VIN D3 L2 4µH VIN VSW OPTIONAL C5 OUTPUT 200µF + FILTER C3 2.2µF LT1070 D2 + R1 C5* 1N914 3.74k 100µF FB GND VC + R2 C2 R3 1.24k 1µF R4 470Ω 10Ω C1 L1** 1µF 100µH r 5V 4.5A + 100mA D1 C4 MINIMUM 1000µF *REQUIRED IF INPUT LEADS 1070/71 TA14 ≥2" **PULSE ENGINEERING 92112
Negative Current Boosted Buck Converter
+ MINIMUM R1 C1 LOAD = 10mA – VOUT 5V T1 10A R5 C3 1:N • R4 D1 12k Q1 VOUT – 0.6V R1 = 2N3906 1mA VIN • VSW + LT1070 FB GND VC R3 R2 1.24k C2 1070/71 TA13 – VIN 10701fe 8