Datasheet ATmega165, ATmega165V - Preliminary Summary (Atmel) - 3

ManufacturerAtmel
Pages / Page19 / 3 — ATmega165/V. Overview. Block Diagram. Figure 2
File Format / SizePDF / 340 Kb
Document LanguageEnglish

ATmega165/V. Overview. Block Diagram. Figure 2

ATmega165/V Overview Block Diagram Figure 2

Model Line for this Datasheet

Text Version of Document

ATmega165/V Overview
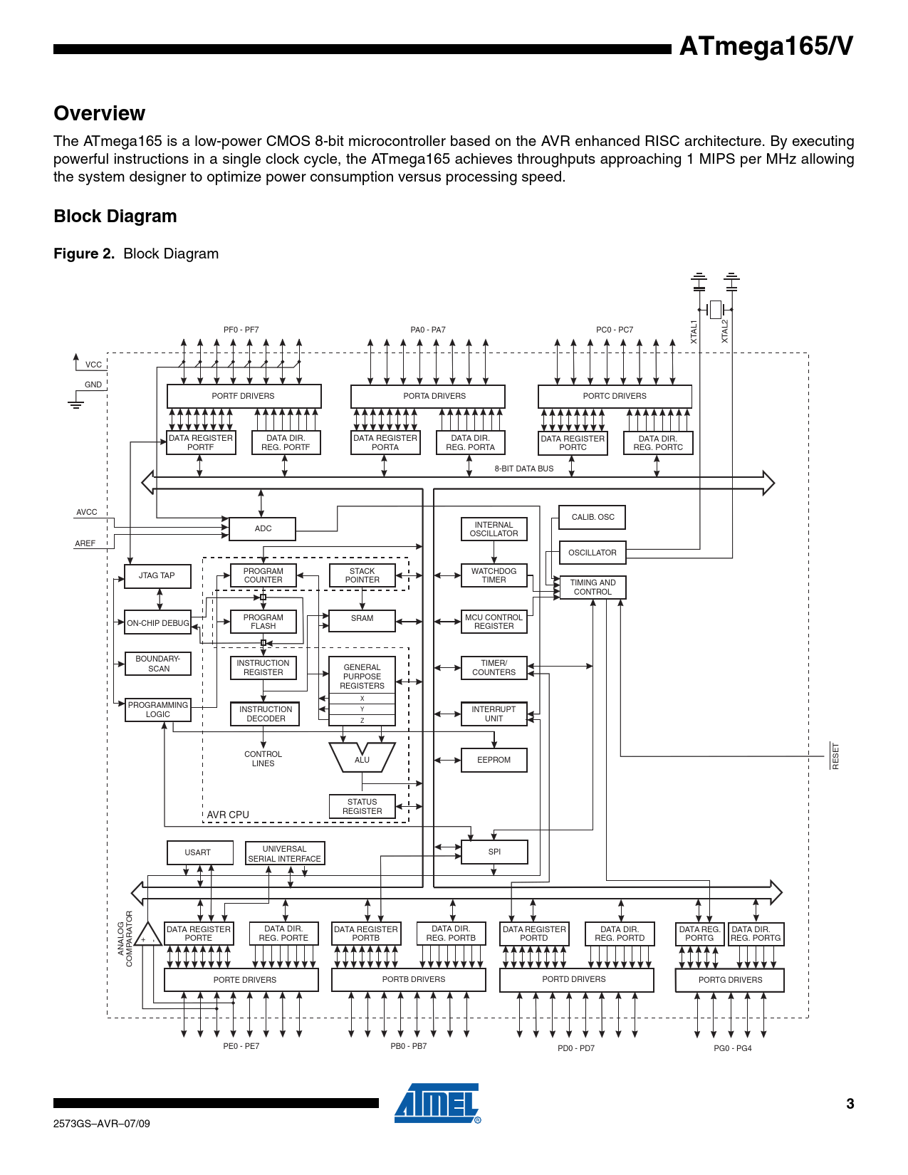
The ATmega165 is a low-power CMOS 8-bit microcontroller based on the AVR enhanced RISC architecture. By executing powerful instructions in a single clock cycle, the ATmega165 achieves throughputs approaching 1 MIPS per MHz allowing the system designer to optimize power consumption versus processing speed.
Block Diagram Figure 2.
Block Diagram PF0 - PF7 PA0 - PA7 PC0 - PC7 AL1 AL2 XT XT VCC GND PORTF DRIVERS PORTA DRIVERS PORTC DRIVERS DATA REGISTER DATA DIR. DATA REGISTER DATA DIR. DATA REGISTER DATA DIR. PORTF REG. PORTF PORTA REG. PORTA PORTC REG. PORTC 8-BIT DATA BUS AVCC CALIB. OSC INTERNAL ADC OSCILLATOR AREF OSCILLATOR PROGRAM STACK WATCHDOG JTAG TAP COUNTER POINTER TIMER TIMING AND CONTROL PROGRAM SRAM MCU CONTROL ON-CHIP DEBUG FLASH REGISTER BOUNDARY- INSTRUCTION TIMER/ SCAN GENERAL REGISTER COUNTERS PURPOSE REGISTERS X PROGRAMMING INSTRUCTION Y INTERRUPT LOGIC DECODER Z UNIT CONTROL ALU EEPROM LINES RESET STATUS REGISTER AVR CPU USART UNIVERSAL SPI SERIAL INTERFACE R O T DATA REGISTER DATA DIR. DATA REGISTER DATA DIR. DATA REGISTER DATA DIR. DATA REG. DATA DIR. ARA + - PORTE REG. PORTE PORTB REG. PORTB PORTD REG. PORTD PORTG REG. PORTG ANALOG COMP PORTE DRIVERS PORTB DRIVERS PORTD DRIVERS PORTG DRIVERS PE0 - PE7 PB0 - PB7 PD0 - PD7 PG0 - PG4
3
2573GS–AVR–07/09 Document Outline Features Pin Configurations Disclaimer Overview Block Diagram Pin Descriptions VCC GND Port A (PA7..PA0) Port B (PB7..PB0) Port C (PC7..PC0) Port D (PD7..PD0) Port E (PE7..PE0) Port F (PF7..PF0) Port G (PG4..PG0) RESET XTAL1 XTAL2 AVCC AREF Register Summary Instruction Set Summary Ordering Information Packaging Information 64A 64M1 Errata ATmega165 Rev A Datasheet Revision History Changes from Rev. 2573F-08/06 to Rev. 2573G-07/09 Changes from Rev. 2573E-07/06 to Rev. 2573F-08/06 Changes from Rev. 2573D-03/06 to Rev. 2573E-07/06 Changes from Rev. 2573C-03/06 to Rev. 2573D-03/06 Changes from Rev. 2573B-03/05 to Rev. 2573C-02/06 Changes from Rev. 2573A-06/04 to Rev. 2573B-03/05