Datasheet MA12070P (Infineon) - 3

ManufacturerInfineon
Description2x80W ultra power efficient, fully integrated audio amplifier IC with I2S digital input
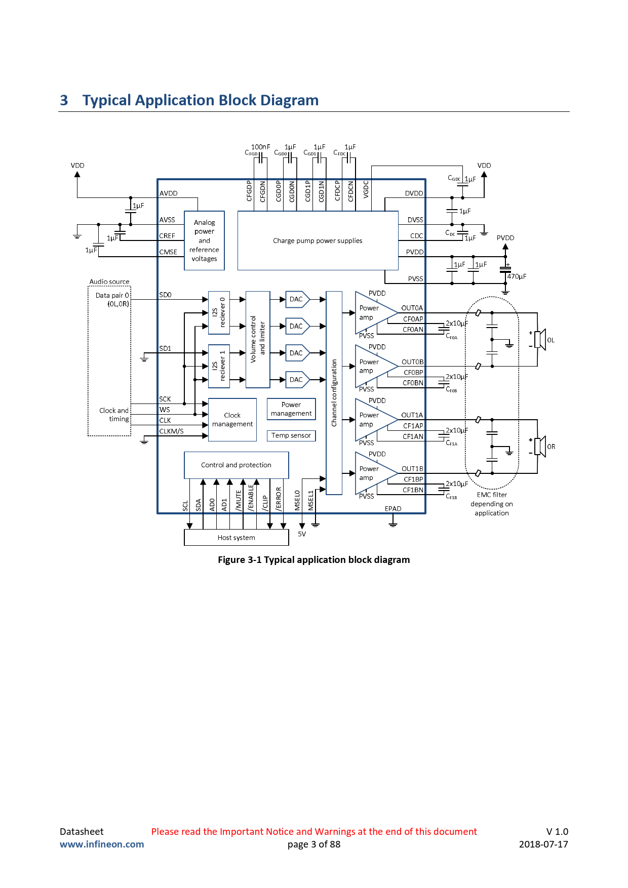
Pages / Page88 / 3 — 3 Typical Application Block Diagram. Figure 3-1 Typical application block …
Revision01_00
File Format / SizePDF / 1.9 Mb
Document LanguageEnglish

3 Typical Application Block Diagram. Figure 3-1 Typical application block diagram. www.infineon.com

3 Typical Application Block Diagram Figure 3-1 Typical application block diagram www.infineon.com

Model Line for this Datasheet

Text Version of Document

3 Typical Application Block Diagram
P N P P P D 0 N N N C D 0 1 1 C D C D D D FG FG G G D FD FD G C C C G G V C C C C C + r 0 S ve I2 l cie re tro r n ite co e lim m d lu an r 1 o V n S ve I2 tio cie ra re figu n l co e n n a h C E LE R T B O L0 A 0 1 U A L R LIP SE SEL1 D D SC SD A A /M /EN /C /ER M M
Figure 3-1 Typical application block diagram
Datasheet Please read the Important Notice and Warnings at the end of this document V 1.0
www.infineon.com
page 3 of 88 2018-07-17