Datasheet CLS15-22C/L213R/TR8, CLS15-22C/L213G/TR8, CLS15-22C/L213B/TR8 (Everlight) - 10
| Manufacturer | Everlight |
| Description | Single Color Sensor (Analog) |
| Pages / Page | 11 / 10 — Reel Dimensions. Tape Dimensions |
| File Format / Size | PDF / 933 Kb |
| Document Language | English |
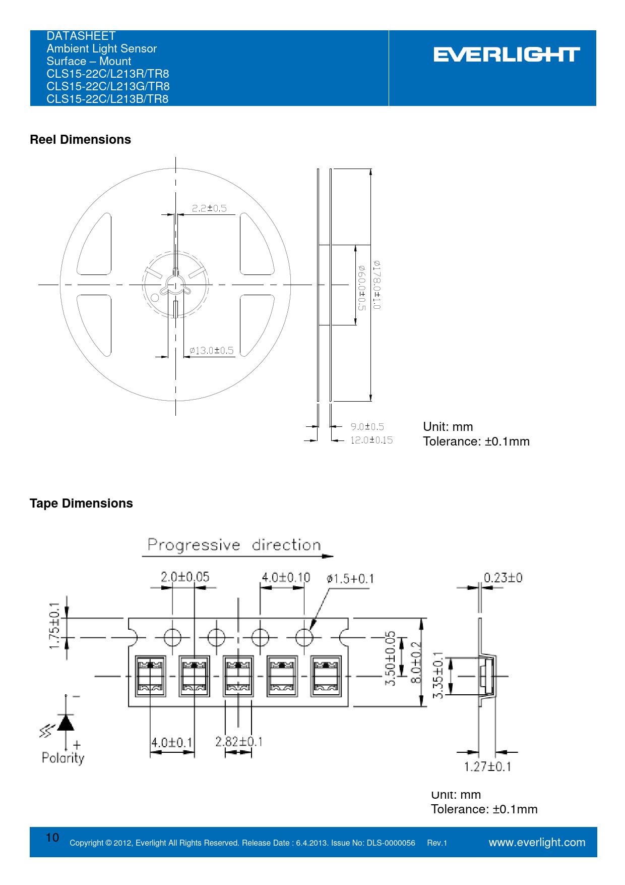
Reel Dimensions. Tape Dimensions

Model Line for this Datasheet
Text Version of Document
DATASHEET Ambient Light Sensor Surface – Mount CLS15-22C/L213R/TR8 CLS15-22C/L213G/TR8 CLS15-22C/L213B/TR8
Reel Dimensions
Unit: mm Tolerance: ±0.1mm
Tape Dimensions
Unit: mm Tolerance: ±0.1mm 10 Copyright © 2012, Everlight All Rights Reserved. Release Date : 6.4.2013. Issue No: DLS-0000056 Rev.1 www.everlight.com