Datasheet AD5940, AD5941 (Analog Devices) - 5

ManufacturerAnalog Devices
DescriptionHigh Precision, Impedance & Electrochemical Front End
Pages / Page133 / 5 — Data Sheet. AD5940/. AD5941. FUNCTIONAL BLOCK DIAGRAM. AGND VREF_2V5 …
RevisionB
File Format / SizePDF / 2.1 Mb
Document LanguageEnglish

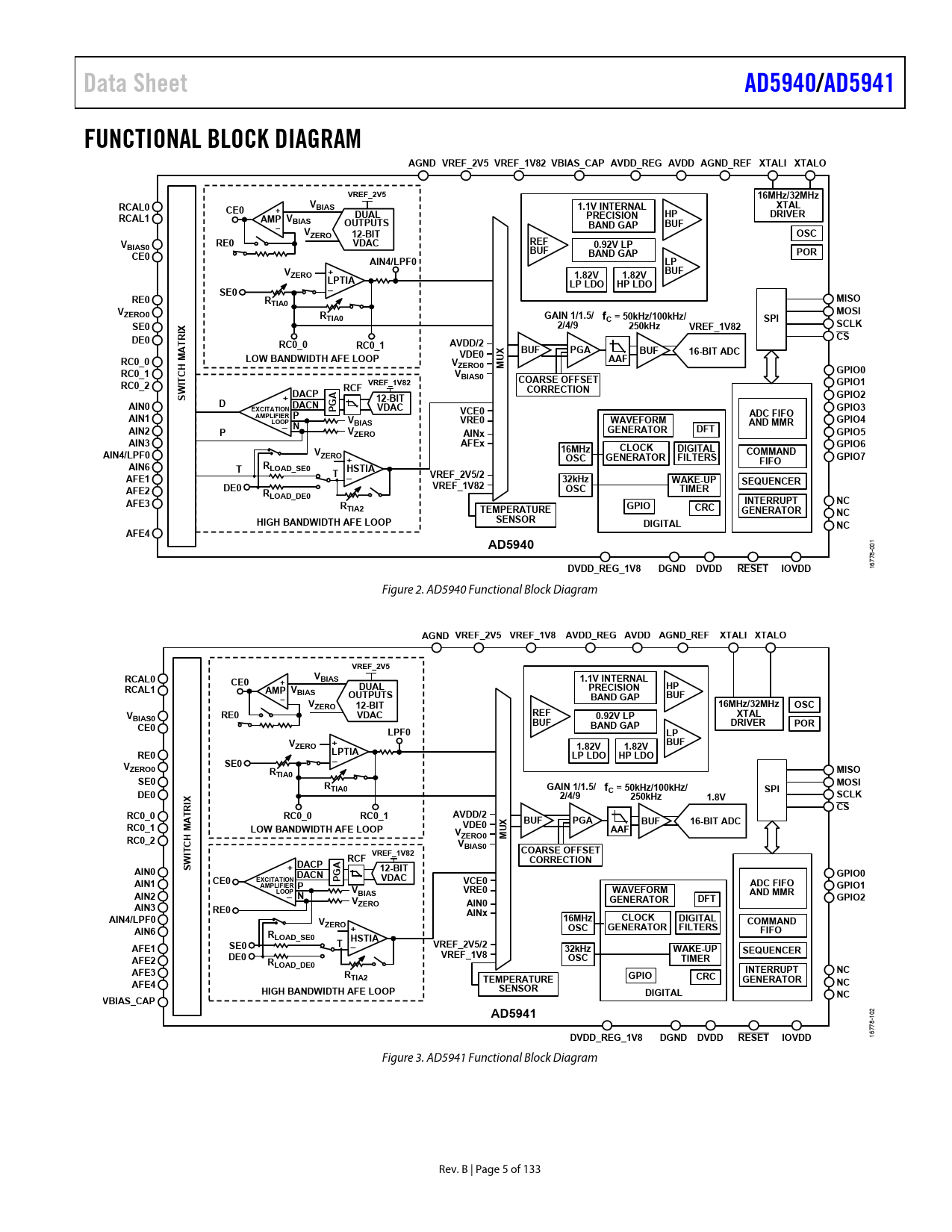
Data Sheet. AD5940/. AD5941. FUNCTIONAL BLOCK DIAGRAM. AGND VREF_2V5 VREF_1V82 VBIAS_CAP AVDD_REG AVDD AGND_REF XTALI XTALO

Data Sheet AD5940/ AD5941 FUNCTIONAL BLOCK DIAGRAM AGND VREF_2V5 VREF_1V82 VBIAS_CAP AVDD_REG AVDD AGND_REF XTALI XTALO

Model Line for this Datasheet

Text Version of Document

Data Sheet AD5940/ AD5941 FUNCTIONAL BLOCK DIAGRAM AGND VREF_2V5 VREF_1V82 VBIAS_CAP AVDD_REG AVDD AGND_REF XTALI XTALO VREF_2V5 16MHz/32MHz RCAL0 VBIAS CE0 1.1V INTERNAL XTAL + RCAL1 AMP V DUAL PRECISION HP DRIVER BIAS OUTPUTS BAND GAP BUF VZERO 12-BIT OSC V REF BIAS0 RE0 VDAC BUF 0.92V LP BAND GAP POR CE0 AIN4/LPF0 LP VZERO + BUF LPTIA 1.82V 1.82V LP LDO HP LDO SE0 RE0 RTIA0 MISO VZERO0 R MOSI TIA0 GAIN 1/1.5/ fC = 50kHz/100kHz/ SE0 2/4/9 SPI X 250kHz VREF_1V82 SCLK RI CS DE0 RC0_0 RC0_1 AT AVDD/2 BUF PGA BUF 16-BIT ADC VDE0 RC0_0 LOW BANDWIDTH AFE LOOP UX AAF VZERO0 M GPIO0 RC0_1 V ITCH M BIAS0 VREF_1V82 COARSE OFFSET RC0_2 RCF GPIO1 CORRECTION SW + DACP A 12-BIT GPIO2 AIN0 D EXCITATION DACN PG VDAC VCE0 GPIO3 AMPLIFIER P ADC FIFO AIN1 L VBIAS VRE0 WAVEFORM GPIO4 OOP N AND MMR AIN2 P VZERO GENERATOR DFT AINx GPIO5 AIN3 AFEx GPIO6 AIN4/LPF0 V 16MHz CLOCK DIGITAL ZERO COMMAND + OSC GENERATOR FILTERS GPIO7 AIN6 FIFO R T LOAD_SE0 HSTIA T VREF_2V5/2 AFE1 32kHz WAKE-UP SEQUENCER DE0 VREF_1V82 OSC AFE2 TIMER RLOAD_DE0 INTERRUPT AFE3 R NC TIA2 TEMPERATURE GPIO CRC GENERATOR SENSOR NC HIGH BANDWIDTH AFE LOOP DIGITAL NC AFE4 AD5940
001
DVDD_REG_1V8 DGND DVDD RESET IOVDD
16778- Figure 2. AD5940 Functional Block Diagram
AGND VREF_2V5 VREF_1V8 AVDD_REG AVDD AGND_REF XTALI XTALO VREF_2V5 RCAL0 VBIAS CE0 + 1.1V INTERNAL RCAL1 AMP V DUAL PRECISION HP BIAS OUTPUTS BAND GAP BUF VZERO 12-BIT 16MHz/32MHz OSC V REF XTAL BIAS0 RE0 VDAC BUF 0.92V LP BAND GAP DRIVER POR CE0 LPF0 LP VZERO + BUF 1.82V 1.82V RE0 LPTIA LP LDO HP LDO SE0 VZERO0 RTIA0 MISO SE0 R MOSI TIA0 GAIN 1/1.5/ f DE0 2/4/9 C = 50kHz/100kHz/ SPI X 250kHz 1.8V SCLK RI CS RC0_0 RC0_0 RC0_1 AT AVDD/2 BUF PGA BUF 16-BIT ADC RC0_1 LOW BANDWIDTH AFE LOOP VDE0 UX AAF VZERO0 M RC0_2 V ITCH M BIAS0 VREF_1V82 COARSE OFFSET RCF CORRECTION DACP SW A AIN0 + 12-BIT GPIO0 EXCITATION DACN CE0 PG VDAC VCE0 AIN1 AMPLIFIER P ADC FIFO GPIO1 L VBIAS VRE0 WAVEFORM AIN2 OOP N AND MMR V GPIO2 ZERO GENERATOR DFT AIN0 AIN3 RE0 AINx AIN4/LPF0 V 16MHz CLOCK DIGITAL ZERO COMMAND AIN6 + OSC GENERATOR FILTERS FIFO RLOAD_SE0 HSTIA T AFE1 SE0 VREF_2V5/2 32kHz WAKE-UP SEQUENCER DE0 VREF_1V8 OSC AFE2 TIMER RLOAD_DE0 INTERRUPT AFE3 R NC TIA2 TEMPERATURE GPIO CRC GENERATOR AFE4 SENSOR NC HIGH BANDWIDTH AFE LOOP DIGITAL NC VBIAS_CAP AD5941
102
DVDD_REG_1V8 DGND DVDD RESET IOVDD
16778- Figure 3. AD5941 Functional Block Diagram Rev. B | Page 5 of 133 Document Outline FEATURES APPLICATIONS SIMPLIFIED BLOCK DIAGRAM TABLE OF CONTENTS REVISION HISTORY FUNCTIONAL BLOCK DIAGRAM GENERAL DESCRIPTION SPECIFICATIONS ADC RMS NOISE SPECIFICATIONS ADC RMS Noise: Digital Filter Settings ADC RMS Noise: Peak-to-Peak Effective Bits SPI TIMING SPECIFICATIONS SPI Timing Diagram ABSOLUTE MAXIMUM RATINGS THERMAL RESISTANCE ESD CAUTION PIN CONFIGURATION AND FUNCTION DESCRIPTIONS TYPICAL PERFORMANCE CHARACTERISTICS REFERENCE TEST CIRCUIT THEORY OF OPERATION CONFIGURATION REGISTERS Configuration Register—AFECON Power Mode Configuration Register—PMBW SILICON IDENTIFICATION IDENTIFICATION REGISTERS Analog Devices, Inc., Identification Register—ADIID Chip Identification Register—CHIPID SYSTEM INITIALIZATION LOW POWER DAC LOW POWER DAC SWITCH OPTIONS RELATIONSHIP BETWEEN THE 12-BIT AND 6-BIT OUTPUTS LOW POWER DAC USE CASES Electrochemical Amperometric Measurement Electrochemical Impedance Spectroscopy Low Power DAC in 4-Wire Isolated Impedance Measurements LOW POWER DAC CIRCUIT REGISTERS LPDACCON0 Register—LPDACCON0 Low Power DAC Switch Control Register—LPDACSW0 Low Power DAC Data Output Register—LPDACDAT0 Low Power Reference Control Register—LPREFBUFCON Common-Mode Switch Mux Register—SWMUX LOW POWER POTENTIOSTAT LOW POWER TIA LOW POWER TIA PROTECTION DIODES Current-Limit Feature of the Low Power TIA and Potentiostat amplifier Low Power TIA Force/Sense Feature USING AN EXTERNAL RTIA RECOMMENDED SWITCH SETTINGS FOR VARIOUS OPERATING MODES LOW POWER TIA CIRCUITS REGISTERS Low Power TIA Switch Configuration Register—LPTIASW0 Low Power TIA Control Bits, Channel 0 Register—LPTIACON0 HIGH SPEED DAC CIRCUITS HIGH SPEED DAC OUTPUT SIGNAL GENERATION POWER MODES OF THE HIGH SPEED DAC CORE Low Power Mode High Power Mode Hibernate Mode HIGH SPEED DAC FILTER OPTIONS HIGH SPEED DAC OUTPUT ATTENUATION OPTIONS HIGH SPEED DAC EXCITATION AMPLIFIER COUPLING AN AC SIGNAL FROM THE HIGH SPEED DAC TO THE DC LEVEL SET BY THE LOW POWER DAC AVOIDING INCOHERENCY ERRORS BETWEEN EXCITATION AND MEASUREMENT FREQUENCIES DURING IMPEDANCE MEASUREMENTS HIGH SPEED DAC CALIBRATION OPTIONS HIGH SPEED DAC CIRCUIT REGISTERS High Speed DAC Configuration Register—HSDACCON High Speed DAC Code Register—HSDACDAT Calibration Data Lock Register—CALDATLOCK DAC Gain Register—DACGAIN DAC Offset with Attenuator Enabled (Low Power Mode) Register—DACOFFSETATTEN DAC Offset with Attenuator Disabled (Low Power Mode Register)—DACOFFSET DAC Offset with Attenuator Enabled (High Speed Mode Register)—DACOFFSETATTENHS DAC Offset with Attenuator Disabled (High Speed Mode Register)—DACOFFSETHS HIGH SPEED TIA CIRCUITS HIGH SPEED TIA CONFIGURATION Input Signal Selection Gain Resistor Selection Load Resistor Selection Common-Mode Voltage Selection External RTIA Selection HIGH SPEED TIA CIRCUIT REGISTERS High Speed RTIA Configuration Register—HSRTIACON DE0 High Speed TIA Resistors Configuration Register—DE0RESCON High Speed TIA Configuration Register—HSTIACON HIGH PERFORMANCE ADC CIRCUIT ADC CIRCUIT OVERVIEW ADC CIRCUIT DIAGRAM ADC CIRCUIT FEATURES ADC CIRCUIT OPERATION ADC TRANSFER FUNCTION ADC LOW POWER CURRENT INPUT CHANNEL SELECTING INPUTS TO ADC MUX ADC POSTPROCESSING Sinc3 Filter INTERNAL TEMPERATURE SENSOR CHANNEL SINC2 FILTER (50 HZ/60 HZ MAINS FILTER) ADC CALIBRATION ADC CIRCUIT REGISTERS ADC Output Filters Configuration Register—ADCFILTERCON ADC Raw Result Register—ADCDAT DFT Result, Real Device Register—DFTREAL DFT Result, Imaginary Device Register—DFTIMAG Sinc2 Filter Result Register—SINC2DAT Temperature Sensor Result Register—TEMPSENSDAT DFT Configuration Register—DFTCON Temperature Sensor Configuration Register—TEMPSENS ADC Configuration Register—ADCCON Repeat ADC Conversions Control Register—REPEATADCCNV ADC Buffer Configuration Register—ADCBUFCON ADC CALIBRATION REGISTERS Calibration Data Lock Register—CALDATLOCK ADC Offset Calibration on the Low Power TIA Channel Register—ADCOFFSETLPTIA ADC Gain Calibration for the Low Power TIA Channel Register—ADCGNLPTIA ADC Offset Calibration on the High Speed TIA Channel Register—ADCOFFSETHSTIA ADC Gain Calibration for the High Speed TIA Channel Register—ADCGAINHSTIA ADC Offset Calibration Auxiliary Channel (PGA Gain = 1) Register—ADCOFFSETGN1 ADC Gain Calibration Auxiliary Input Channel (PGA Gain = 1) Register—ADCGAINGN1 ADC Offset Calibration Auxiliary Input Channel (PGA Gain = 1.5) Register—ADCOFFSETGN1P5 ADC Gain Calibration Auxiliary Input Channel (PGA Gain = 1.5) Register—ADCGAINGN1P5 ADC Offset Calibration Auxiliary Input Channel (PGA Gain = 2) Register—ADCOFFSETGN2 ADC Gain Calibration Auxiliary Input Channel (PGA Gain = 2) Register—ADCGAINGN2 ADC Offset Calibration Auxiliary Input Channel (PGA Gain = 4) Register—ADCOFFSETGN4 ADC Gain Calibration Auxiliary Input Channel (PGA Gain = 4) Register—ADCGAINGN4 ADC Offset Calibration Auxiliary Input Channel (PGA Gain = 9) Register—ADCOFFSETGN9 ADC Gain Calibration Auxiliary Input Channel (PGA Gain = 9) Register—ADCGAINGN9 ADC Offset Calibration Temperature Sensor Channel Register—ADCOFFSETTEMPSENS ADC Gain Calibration Temperature Sensor Channel Register—ADCGAINTEMPSENS ADC DIGITAL POSTPROCESSING REGISTERS (OPTIONAL) ADC Minimum Value Check Register—ADCMIN ADC Minimum Hysteresis Value Register—ADCMINSM ADC Maximum Value Check Register—ADCMAX ADC Maximum Hysteresis Value Register—ADCMAXSMEN ADC Delta Value Check Register—ADCDELTA ADC STATISTICS REGISTERS Variance Output Register—STATSVAR Statistics Control Register—STATSCON Statistics Mean Output Register—STATSMEAN PROGRAMMABLE SWITCH MATRIX SWITCH DESCRIPTIONS Dx/DR0 Switches Px/Pxx Switches Nx/Nxx Switches Tx/TR1 Switches AFEx Switches RECOMMENDED CONFIGURATION IN HIBERNATE MODE OPTIONS FOR CONTROLLING ALL SWITCHES PROGRAMMABLE SWITCHES REGISTERS Switch Matrix Configuration Register—SWCON Switch Matrix Full Configuration Dx/DR0 Register—DSWFULLCON Switch Matrix Full Configuration Nx/Nxx Register—NSWFULLCON Switch Matrix Full Configuration Px/Pxx Register—PSWFULLCON Switch Matrix Full Configuration Tx/TR1 Register—TSWFULLCON Switch Matrix Status Dx/DR0 Register—DSWSTA Switch Matrix Status Px/Pxx Register—PSWSTA Switch Matrix Status Nx/Nxx Register—NSWSTA Switch Matrix Status Tx/TR1 Register—TSWSTA PRECISION VOLTAGE REFERENCES HIGH POWER AND LOW POWER BUFFER CONTROL REGISTER—BUFSENCON SEQUENCER SEQUENCER FEATURES SEQUENCER OVERVIEW SEQUENCER COMMANDS Write Command Timer Command SEQUENCER OPERATION Command Memory Loading Sequences Data FIFO Data FIFO Word Format Sequencer and the Sleep and Wake-Up Timer Configuring the GPIOx Pin Mux Sequencer Conflicts SEQUENCER AND FIFO REGISTERS Sequencer Configuration Register—SEQCON FIFO Configuration Register—FIFOCON Sequencer CRC Value Register—SEQCRC Sequencer Timeout Counter Register—SEQTIMEOUT Data FIFO Read Register—DATAFIFORD Command FIFO Write Register—CMDFIFOWRITE Sequencer Sleep Control Lock Register—SEQSLPLOCK Sequencer Trigger Sleep Register—SEQTRGSLP Sequence 0 Information Register—SEQ0INFO Sequence 2 Information Register—SEQ2INFO Command FIFO Write Address Register—CMDFIFOWADDR Command Data Control Register—CMDDATACON Data FIFO Threshold Register—DATAFIFOTHRES Sequence 3 Information Register—SEQ3INFO Sequence 1 Information Register—SEQ1INFO Command and Data FIFO Internal Data Count Register—FIFOCNTSTA Sync External Devices Register—SYNCEXTDEVICE Trigger Sequence Register—TRIGSEQ WAVEFORM GENERATOR WAVEFORM GENERATOR FEATURES WAVEFORM GENERATOR OPERATION Sinusoid Generator Trapezoid Generator USING THE WAVEFORM GENERATOR WITH THE LOW POWER DAC WAVEFORM GENERATOR REGISTERS Waveform Generator Configuration Register—WGCON Waveform Generator, Trapezoid DC Level 1 Register—WGDCLEVEL1 Waveform Generator, Trapezoid DC Level 2 Register—WGDCLEVEL2 Sequencer Command Count Register—SEQCNT Waveform Generator, Trapezoid Delay 1 Time Register—WGDELAY1 Waveform Generator, Trapezoid Slope 1 Time Register—WGSLOPE1 Waveform Generator, Trapezoid Delay 2 Time Register—WGDELAY2 Waveform Generator, Trapezoid Slope 2 Time Register—WGSLOPE2 Waveform Generator, Sinusoid Frequency Control Word Register—WGFCW Waveform Generator, Sinusoid Phase Offset Register—WGPHASE Waveform Generator, Sinusoid Offset Register—WGOFFSET Waveform Generator, Sinusoid Amplitude Register—WGAMPLITUDE SPI INTERFACE OVERVIEW SPI PINS Chip Select Enable SCLK MOSI and MISO SPI OPERATION COMMAND BYTE WRITING TO AND READING FROM REGISTERS READING DATA FROM THE DATA FIFO Read Data from Data FIFO SLEEP AND WAKE-UP TIMER SLEEP AND WAKE-UP TIMER FEATURES SLEEP AND WAKE-UP TIMER OVERVIEW CONFIGURING A DEFINED SEQUENCE ORDER RECOMMENDED SLEEP AND WAKE-UP TIMER OPERATION SLEEP AND WAKE-UP TIMER REGISTERS Timer Control Register—CON Order Control Register—SEQORDER Sequence 0 to Sequence 3 Wake-Up Time Registers (LSB)—SEQxWUPL Sequence 0 to Sequence 3 Wake-Up Time Registers (MSB)—SEQxWUPH Sequence 0 to Sequence 3 Sleep Time Registers (LSB)—SEQxSLEEPL Sequence 0 to Sequence 3 Sleep Time Registers (MSB)—SEQxSLEEPH Timer Wake-Up Configuration Register—TMRCON INTERRUPTS INTERRUPT CONTROLLER INTERUPTS CONFIGURING THE INTERRUPTS CUSTOM INTERRUPTS EXTERNAL INTERRUPT CONFIGURATION INTERRUPT REGISTERS Interrupt Polarity Register—INTCPOL Interrupt Clear Register—INTCCLR Interrupt Controller Select Registers—INTCSEL0 and INTCSEL1 Interrupt Controller Flag Registers—INTCFLAG0 and INTCFLAG1 Analog Generation Interrupt Register—AFEGENINTSTA EXTERNAL INTERRUPT CONFIGURATION REGISTERS External Interrupt Configuration 0 Register—EI0CON External Interrupt Configuration 1 Register—EI1CON External Interrupt Configuration 2 Register—EI2CON External Interrupt Clear Register—EICLR DIGITAL INPUTS/OUTPUTS DIGITAL INPUTS/OUTPUTS FEATURES DIGITAL INPUTS/OUTPUTS OPERATION Input/Output Pull-Up Enable Input/Output Data Input Input/Output Data Output Bit Set Bit Clear Bit Toggle Input/Output Data Output Enable Interrupt Inputs Interrupt Outputs Digital Port Multiplex GPIOx Control with the Sequencer GPIO REGISTERS GPIO Port 0 Configuration Register—GP0CON GPIO Port 0 Output Enable Register—GP0OEN GPIO Port 0 Pull-Up and Pull-Down Enable Register—GP0PE GPIO Port 0 Input Path Enable Register—GP0IEN GPIO Port 0 Registered Data Input—GP0IN GPIO Port 0 Data Output Register—GP0OUT GPIO Port 0 Data Out Set Register—GP0SET GPIO Port 0 Data Out Clear Register—GP0CLR GPIO Port 0 Pin Toggle Register—GP0TGL SYSTEM RESETS ANALOG DIE RESET REGISTERS Key Protection for the RSTCON Register—RSTCONKEY Software Reset Register—SWRSTCON Reset Status Register—RSTSTA POWER MODES ACTIVE HIGH POWER MODE (>80 kHz) ACTIVE LOW POWER MODE (<80 kHz) HIBERNATE MODE SHUTDOWN MODE LOW POWER MODE POWER MODES REGISTERS Power Modes Register—PWRMOD Key Protection for the PWRMOD Register—PWRKEY Low Power Mode AFE Control Lock Register—LPMODEKEY Low Power Mode Clock Select Register—LPMODECLKSEL Low Power Mode Configuration Register—LPMODECON CLOCKING ARCHITECTURE CLOCK FEATURES CLOCK ARCHITECTURE REGISTERS Key Protection Register for the CLKCON0 Register—CLKCON0KEY Clock Divider Configuration Register—CLKCON0 Clock Select Register—CLKSEL Clock Enable for Low Power TIA Chop and Wake-Up Timer—CLKEN0 Clock Gate Enable Register—CLKEN1 Key Protection for the OSCCON Register—OSCKEY Oscillator Control Register—OSCCON High Power Oscillator Configuration Register—HSOSCCON Key Protection for RSTCON Register—RSTCONKEY Internal Low Frequency Oscillator Register—LOSCTST APPLICATIONS INFORMATION EDA BIOIMPEDANCE MEASUREMENT USING A LOW BANDWIDTH LOOP BODY IMPEDANCE ANALYSIS (BIA) MEASUREMENT USING A HIGH BANDWIDTH LOOP HIGH PRECISION POTENTIOSAT CONFIGURATION USING THE AD5940/AD5941, AD8232, AND AD8233 FOR BIOIMPEDANCE AND ELECTROCARDIOGRAM (ECG) MEASUREMENTS SMART WATER/LIQUID QUALITY AFE OUTLINE DIMENSIONS ORDERING GUIDE