Datasheet AOZ6763DI (Alpha & Omega) - 4
| Manufacturer | Alpha & Omega |
| Description | 3A 1.25MHz Synchronous EZBuck Regulator |
| Pages / Page | 15 / 4 — AOZ6763DI. Functional Block Diagram. www.aosmd.com |
| File Format / Size | PDF / 889 Kb |
| Document Language | English |
AOZ6763DI. Functional Block Diagram. www.aosmd.com

Model Line for this Datasheet
Text Version of Document
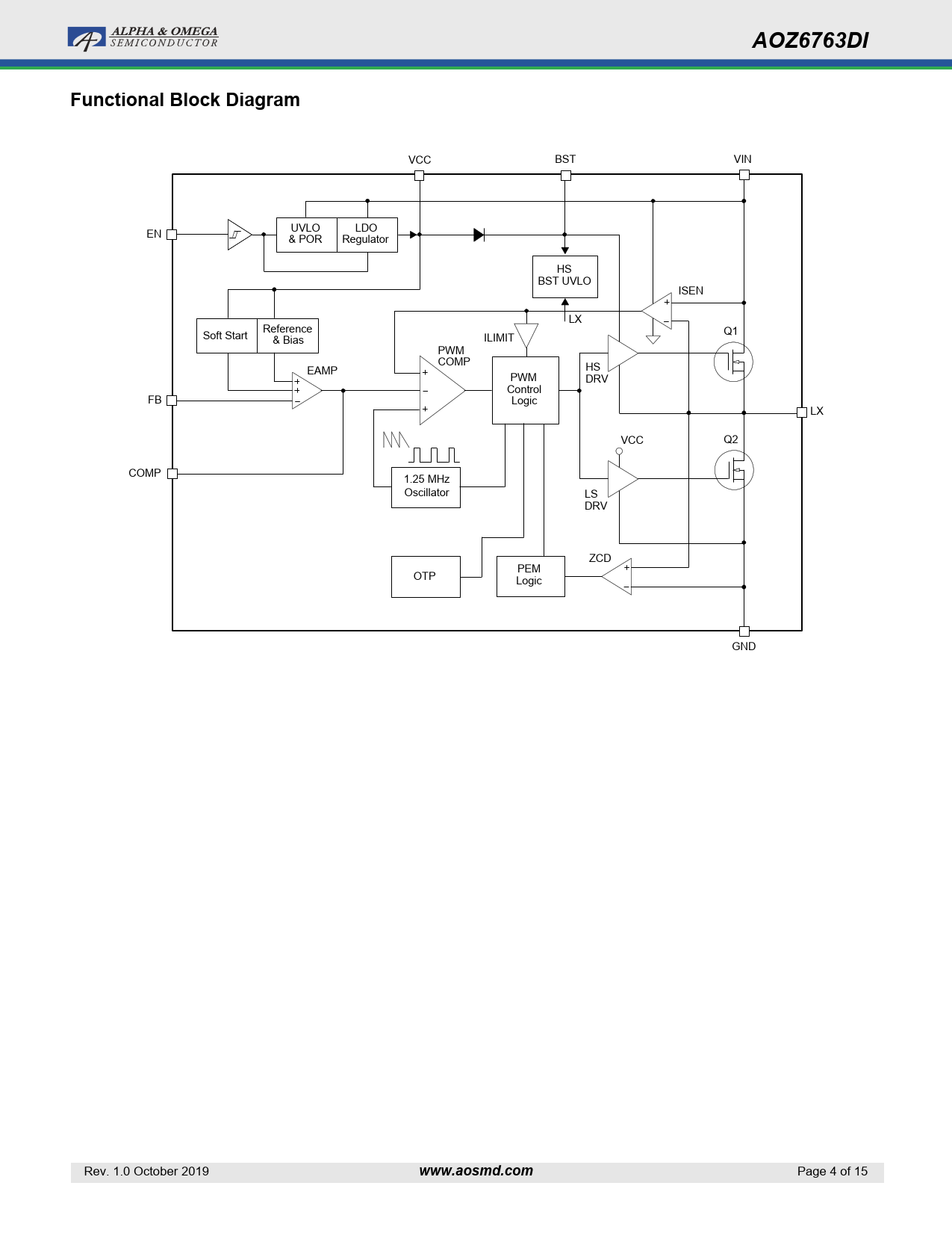
AOZ6763DI Functional Block Diagram
VCC BST VIN UVLO LDO EN & POR Regulator HS BST UVLO ISEN LX Reference Q1 Soft Start & Bias ILIMIT PWM COMP EAMP HS PWM DRV Control FB Logic LX VCC Q2 COMP 1.25 MHz Oscillator LS DRV ZCD PEM OTP Logic GND Rev. 1.0 October 2019
www.aosmd.com
Page 4 of 15