Datasheet ACS37002 (Allegro) - 6

ManufacturerAllegro
Description400 kHz, High Accuracy Current Sensor with Pin-Selectable Gains and Adjustable Overcurrent Fast Fault in SOICW-16 Package
Pages / Page39 / 6 — 400 kHz, High Accuracy Current Sensor. ACS37002
File Format / SizePDF / 2.5 Mb
Document LanguageEnglish

400 kHz, High Accuracy Current Sensor. ACS37002

400 kHz, High Accuracy Current Sensor ACS37002

Model Line for this Datasheet

Text Version of Document

link to page 3
400 kHz, High Accuracy Current Sensor ACS37002 with Pin-Selectable Gains and Adjustable Overcurrent Fast Fault in SOICW-16 Package ACS37002 Digital
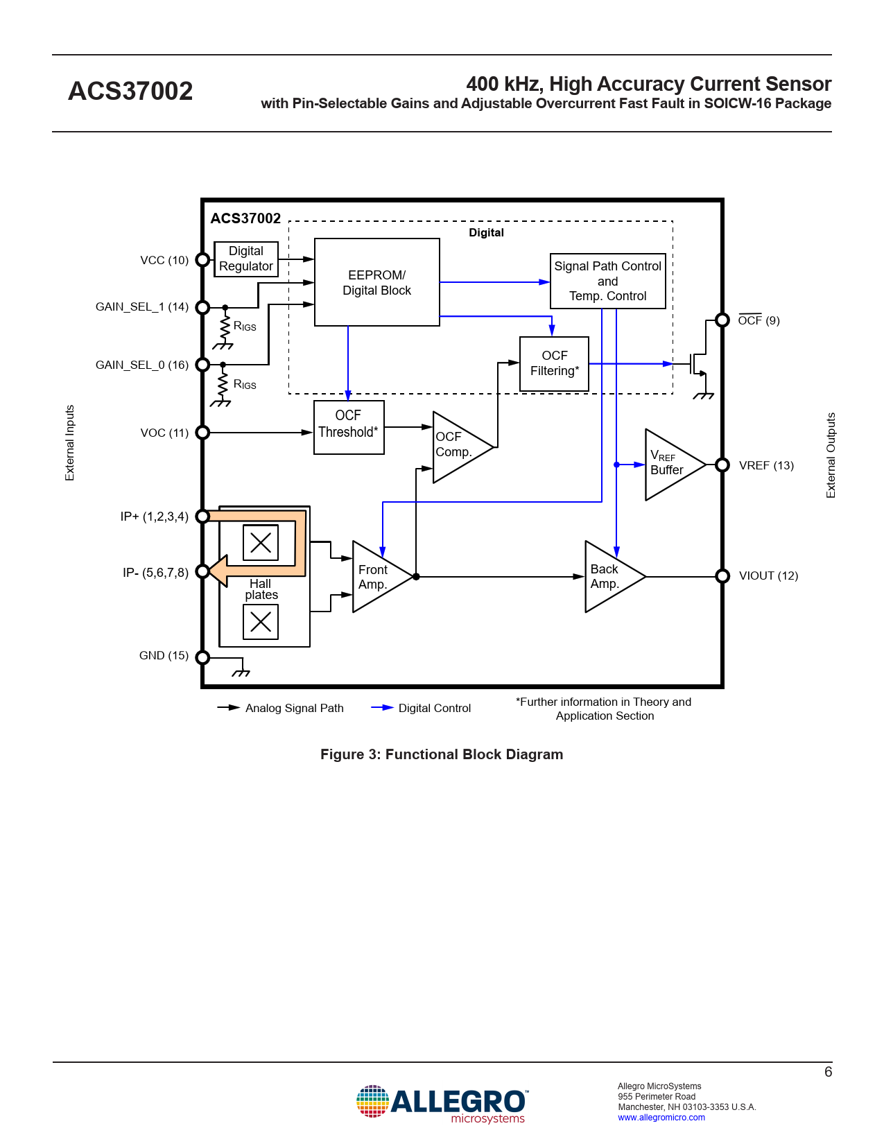
Digital VCC (10) Regulator Signal Path Control EEPROM/ and Digital Block Temp. Control GAIN_SEL_1 (14) OCF (9) RIGS OCF GAIN_SEL_0 (16) Filtering* RIGS OCF VOC (11) Threshold* OCF Comp. VREF Buffer VREF (13) External Inputs External Outputs IP+ (1,2,3,4) IP- (5,6,7,8) Front Back Hall VIOUT (12) Amp. Amp. plates GND (15) Analog Signal Path Digital Control *Further information in Theory and Application Section
Figure 3: Functional Block Diagram
6 Allegro MicroSystems 955 Perimeter Road Manchester, NH 03103-3353 U.S.A. www.allegromicro.com Document Outline Features and Benefits Description Packages Selection guide Absolute Maximum Ratings Isolation Characteristics MA Package Specific Performance LA Package Specific Performance Pinout Diagram and Terminal List Functional Block Diagram Common Electrical Characteristics Performance Characteristics Functional Description Power-On Reset Operation Power-On Power-Off Power-On Timing Power-On Reset (POR) Overvoltage and Undervoltage Detection Undervoltage Detection Voltage Thresholds (VUVD(H/L)) Overvoltage Detection Voltage Thresholds (VOVD(H/L)) Overvoltage/Undervoltage Detection Hysteresis (VOVDHys, VUVDHys) Overvoltage and Undervoltage Enable and Disable Time (tOVD(E/D), tUVD(E/D)) Supply Zener Clamp Voltages Absolute Maximum Ratings Forward and Reverse Supply Voltage Forward and Reverse Output Voltage Forward and Reverse Reference/Fault Voltage Output Source and Sink Current Definitions of Operating and PErformance Characteristics Zero Current Voltage Output (VIOUT(Q), QVO) QVO Temperature Drift (VQE) Reference Voltage (VREF) Reference Voltage Temperature Drift (VRE) Offset Voltage (VOE) Output Saturation Voltage (VSAT(HIGH/LOW)) Sensitivity (Sens) Sensitivity Error (Esens) Gain Selection Pins Full Scale (FS) Nonlinearity (ELIN) Total Output Error (ETOT) Power Supply Offset Error (VPS) Offset Power Supply Rejection Ratio (PSRRO) Power Supply Sensitivity Error (EPS) Sensitivity Power Supply Rejection Ratio (PSRRS) Fault Behavior Overcurrent Fault (OCF) Overcurrent Fault Operating Range/Point (IOCF-OR, IOCF-OP) Overcurrent Fault Hysteresis (IOCF-Hyst) Voltage Overcurrent Pin (VOC) OverCurrent Fault Error (EOCF) OverCurrent Fault Response Time (tOCF) OverCurrent Fault Reaction Time (tOCF-R) OverCurrent Fault Mask Time (tOCF-MASK) OverCurrent Fault Hold Time (tOCF-HOLD) OverCurrent Fault Persist OCF Disable Dynamic Response Parameters Propagation Time (tpd) Rise Time (tR) Response Time (tRESPONSE) Overshoot Settling Time Temperature Compensation Temperature Compensation Update Rate Application and Theory Application Circuits Theory and Functionality – VOC and OCF VOC Driven by Non-Inverting Buffered VREF Power Supply Decoupling Capacitor and Output Capacitive Loads Dynamically Change Gain in a System Thermal Performance Thermal Rise vs. Primary Current Evaluation Board Layout Package Outline Drawings MA Package LA Package