Datasheet BV2HD070EFU-C (Rohm) - 17
| Manufacturer | Rohm |
| Description | Automotive 2ch 70 mΩ High-Side Switch with Variable OCD and OCD Mask Function |
| Pages / Page | 37 / 17 — BV2HD070EFU-C. Measurement Circuit - continued. … |
| File Format / Size | PDF / 2.9 Mb |
| Document Language | English |
BV2HD070EFU-C. Measurement Circuit - continued. TSZ02201-0G5G1G400040-1-2. 18.Mar.2019 Rev.001

Model Line for this Datasheet
Text Version of Document
BV2HD070EFU-C Measurement Circuit - continued
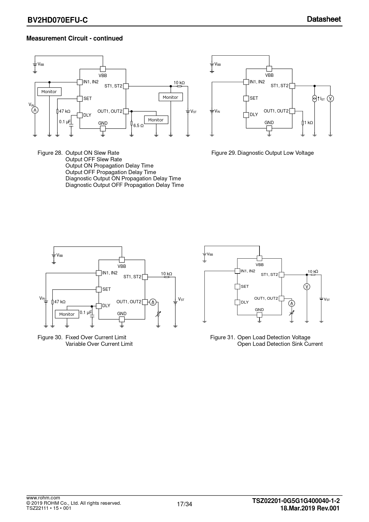
VBB VBB VBB VBB IN1, IN2 10 kΩ IN1, IN2 ST1, ST2 ST1, ST2 Monitor Monitor SET SET IST VIN 47 kΩ OUT1, OUT2 VST VIN OUT1, OUT2 DLY DLY Monitor 0.1 μF GND GND 1 kΩ 6.5 Ω Figure 28. Output ON Slew Rate Figure 29. Diagnostic Output Low Voltage Output OFF Slew Rate Output ON Propagation Delay Time Output OFF Propagation Delay Time Diagnostic Output ON Propagation Delay Time Diagnostic Output OFF Propagation Delay Time V V BB BB VBB VBB IN1, IN2 IN1, IN2 10 kΩ 10 kΩ ST1, ST2 ST1, ST2 SET SET VIN V OUT1, OUT2 ST VST 47 kΩ OUT1, OUT2 DLY DLY GND 0.1 μF Monitor GND Figure 30. Fixed Over Current Limit Figure 31. Open Load Detection Voltage Variable Over Current Limit Open Load Detection Sink Current www.rohm.com
TSZ02201-0G5G1G400040-1-2
© 2019 ROHM Co., Ltd. All rights reserved. 17/34 TSZ22111 • 15 • 001
18.Mar.2019 Rev.001
Document Outline General Description Features Applications Key Specifications Package Typical Application Circuit Table of Contents Pin Configuration Pin Description Block Diagram Definition Absolute Maximum Ratings Thermal Resistance Recommended Operating Conditions Electrical Characteristics Typical Performance Curves Figure 6. Standby Current vs Supply Voltage Figure 7. Standby Current vs Junction Temperature Figure 8. Operating Current vs Supply Voltage Figure 9. Operating Current vs Junction Temperature Figure 10. UVLO Detection Voltage vs Junction Temperature Figure 11. Input Voltage vs Junction Temperature Figure 12. Input Current vs Junction Temperature Figure 13. Output ON Resistance vs Supply Voltage Figure 14. Output ON Resistance vs Junction Temperature Figure 15. Output leak Current vs Junction Temperature Figure 16. Output Slew Rate vs Junction Temperature Figure 17. Output ON, OFF Propagation Delay Time vs Junction Temperature Figure 18. Output Clamp Voltage vs Junction Temperature Figure 19. Diagnostic Output Low Voltage vs Junction Temperature Figure 20. Diagnostic Output ON, OFF Propagation Delay Time vs Junction Temperature Figure 21. Variable Over Current Limit vs Junction Temperature Figure 22. Open Load Detection Voltage vs Junction Temperature Figure 23. Active Clamp Energy vs Output Current Measurement Circuit Timing Chart (Propagation Delay Time) Function Description 1. Protection Function 2. Over Current Protection 2.1 Over Current Limiting Operation in one side channel 2.2 Over Current Detection in Both Outputs 2.3 Over Current Detection by Other Channel while CDLY is Charging (tDLY) 2.4 Setting of Variable Overcurrent Limit Value 2.5 Variable Over Current Limit Mask Time Setting 2.6 The SET Pin and the DLY Pin Setting 3. Open Load Detection 3.1 When the OUT1, OUT2 is pulled down by the load (Normal function) 3.2 If the SW1 is OFF, the output is no longer pulled down by the load 4. Thermal Shutdown, ΔTj Protection Detection 4.1 Thermal Shutdown Protection 4.2 ΔTj Protection 5. Other Protection 5.1 GND Open Protection 5.2 MCU I/O Protection Applications Example I/O Equivalence Circuits Operational Notes 1. Reverse Connection of Power Supply 2. Power Supply Lines 3. Ground Voltage 4. Ground Wiring Pattern 5. Recommended Operating Conditions 6. Inrush Current 7. Testing on Application Boards 8. Inter-pin Short and Mounting Errors 9. Unused Input Pins 10. Ceramic Capacitor 11. Thermal Shutdown Function (TSD) 12. Over Current Protection Function (OCP) 13. Active Clamp Operation 14. Open Power Supply Pin 15. Open GND Pin Ordering Information Marking Diagram Physical Dimension and Packing Information Revision History