Datasheet LT8608, LT8608B (Analog Devices) - 10
| Manufacturer | Analog Devices |
| Description | 42V, 1.5A Synchronous Step-Down Regulator with 2.5µA Quiescent Current |
| Pages / Page | 24 / 10 — BLOCK DIAGRAM |
| Revision | E |
| File Format / Size | PDF / 2.8 Mb |
| Document Language | English |
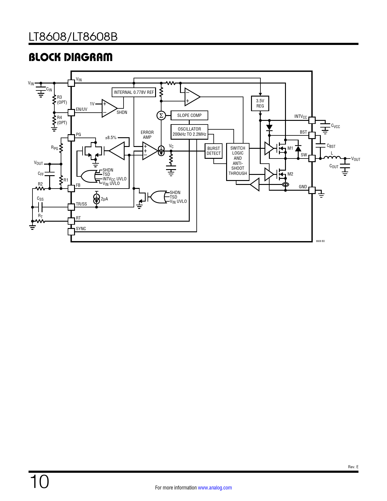
BLOCK DIAGRAM

Model Line for this Datasheet
Text Version of Document
LT8608/LT8608B
BLOCK DIAGRAM
VIN VIN CIN – INTERNAL 0.778V REF R3 + 3.5V (OPT) 1V + REG EN/UV – SHDN SLOPE COMP R4 INTVCC (OPT) C OSCILLATOR VCC ERROR PG 200kHz TO 2.2MHz BST ±8.5% AMP R + V C PG + C BURST SWITCH M1 BST – DETECT LOGIC SW L AND VOUT VOUT ANTI- COUT SHOOT SHDN CFF TSD THROUGH M2 INTV R1 CC UVLO R2 VIN UVLO FB GND SHDN TSD CSS 2µA VIN UVLO TR/SS RT RT SYNC 8608 BD Rev. E 10 For more information www.analog.com Document Outline Features Applications Typical Application Description Absolute Maximum Ratings Pin Configuration Order Information Electrical Characteristics Pin Functions Block Diagram Operation Applications Information Typical Applications Package Description Revision History Typical Application Related Parts