Datasheet ADG733, ADG734 (Analog Devices) - 10
| Manufacturer | Analog Devices |
| Description | CMOS, 2.5 Ω Low Voltage, Triple/Quad SPDT Switches |
| Pages / Page | 12 / 10 — ADG733/ADG734. VDD. VSS. LOGIC. ADG733/. INPUT (V. ADG734. IN). VOUT. … |
| Revision | B |
| File Format / Size | PDF / 209 Kb |
| Document Language | English |
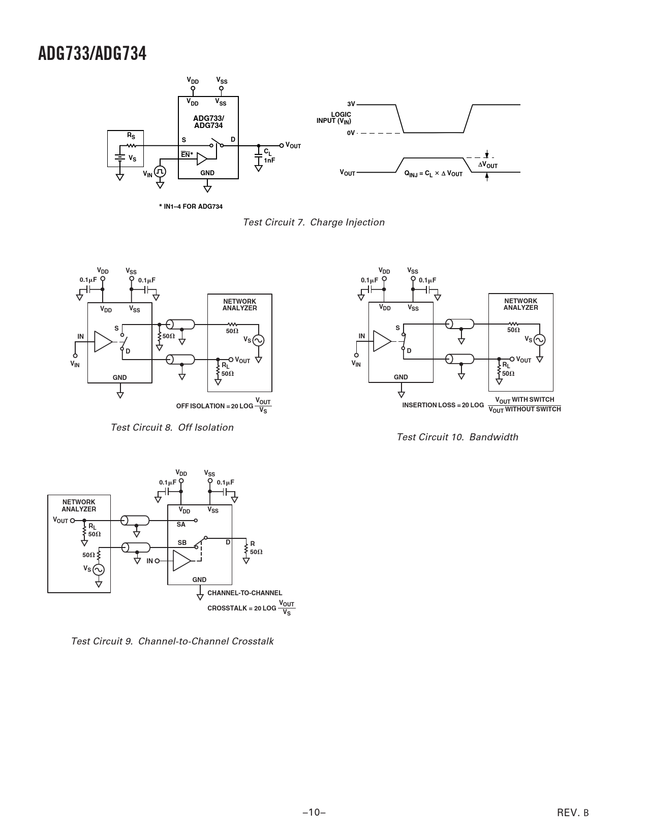
ADG733/ADG734. VDD. VSS. LOGIC. ADG733/. INPUT (V. ADG734. IN). VOUT. 1nF. GND. OUT. INJ = CL. * IN1–4 FOR ADG734. 0.1. NETWORK. ANALYZER

Model Line for this Datasheet
Text Version of Document
ADG733/ADG734 VDD VSS VDD VSS 3V LOGIC ADG733/ INPUT (V ADG734 IN) R 0V S S D VOUT CL EN V * S 1nF VOUT V GND V Q IN OUT INJ = CL VOUT * IN1–4 FOR ADG734
Test Circuit 7. Charge Injection
VDD VSS VDD VSS 0.1 F 0.1 F 0.1 F 0.1 F NETWORK NETWORK V V ANALYZER VDD VSS ANALYZER DD SS S 50 S 50 IN 50 IN VS VS D D VOUT V V OUT IN R V L IN RL 50 50 GND GND VOUT VOUT WITH SWITCH OFF INSERTION ISOLATION = 20 LOG LOSS = 20 LOG VS VOUT WITHOUT SWITCH
Test Circuit 8. Off Isolation Test Circuit 10. Bandwidth
VDD VSS 0.1 F 0.1 F NETWORK ANALYZER VDD VSS VOUT SA RL 50 SB D R 50 50 IN VS GND CHANNEL-TO-CHANNEL VOUT CROSSTALK = 20 LOG VS
Test Circuit 9. Channel-to-Channel Crosstalk –10– REV. B Document Outline Features Applications General Description Functional Block Diagrams Product Highlights Specifications Absolute Maximum Ratings Pin Configurations Terminology Typical Performance Characteristics Test Circuits Outline Dimensions Ordering Guide Revision History