Datasheet ADG428, ADG429 (Analog Devices) - 10

ManufacturerAnalog Devices
DescriptionLC2MOS Latchable 4-/8-Channel High Performance Analog Multiplexers
Pages / Page12 / 10 — ADG428/ADG429. VDD. VSS. ENABLE DRIVE. 50%. S2–S8. ADG428*. tON (EN). …
RevisionC
File Format / SizePDF / 164 Kb
Document LanguageEnglish

ADG428/ADG429. VDD. VSS. ENABLE DRIVE. 50%. S2–S8. ADG428*. tON (EN). tOFF (EN). 2.4V. OUTPUT. 0.9V. OUTPUT (VO). 35pF. VIN. GND

ADG428/ADG429 VDD VSS ENABLE DRIVE 50% S2–S8 ADG428* tON (EN) tOFF (EN) 2.4V OUTPUT 0.9V OUTPUT (VO) 35pF VIN GND

Model Line for this Datasheet

Text Version of Document

ADG428/ADG429 VDD VSS 3V VDD VSS A0 ENABLE DRIVE 50% 50% –V S1 V IN S A1 0V S2–S8 A2 ADG428* tON (EN) tOFF (EN) 2.4V RS OUTPUT VO D 0.9V 0.9V O O EN OUTPUT (VO) 1k
V
35pF VIN 50
V
0V GND WR *SIMILAR CONNECTION FOR ADG429
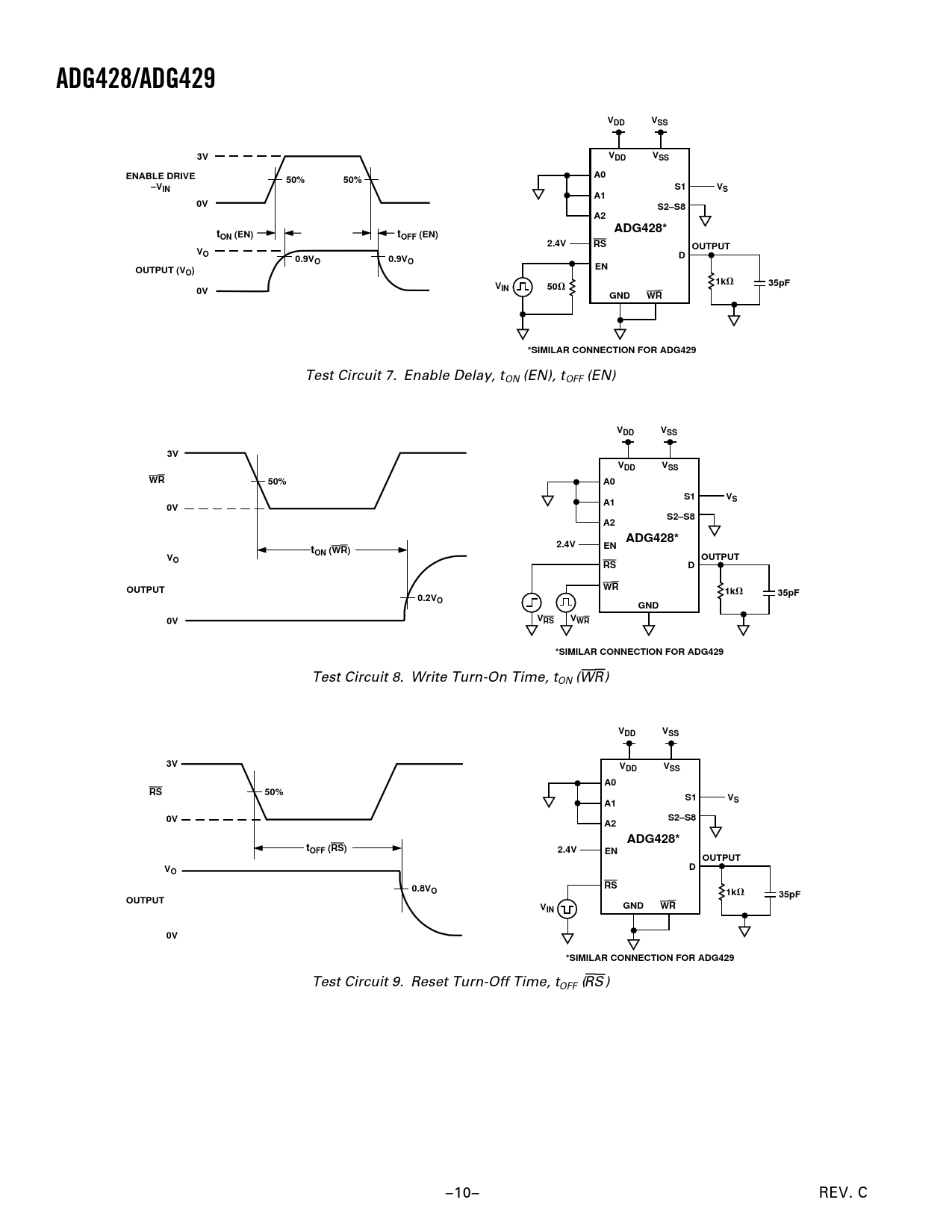
Test Circuit 7. Enable Delay, tON (EN), tOFF (EN)
VDD VSS 3V VDD VSS WR 50% A0 S1 VS A1 0V S2–S8 A2 ADG428* 2.4V EN tON (WR) V OUTPUT O RS D WR OUTPUT 1k
V
35pF 0.2VO GND V 0V RS VWR *SIMILAR CONNECTION FOR ADG429
Test Circuit 8. Write Turn-On Time, tON (WR)
VDD VSS 3V VDD VSS A0 RS 50% S1 VS A1 0V S2–S8 A2 ADG428* tOFF (RS) 2.4V EN OUTPUT D VO RS 0.8VO 1k
V
35pF OUTPUT V GND WR IN 0V *SIMILAR CONNECTION FOR ADG429
Test Circuit 9. Reset Turn-Off Time, tOFF (RS) –10– REV. C