Datasheet BM1Z102FJ, BM1Z103FJ (Rohm) - 3
| Manufacturer | Rohm |
| Description | AC Voltage Zero Cross Detection IC |
| Pages / Page | 23 / 3 — BM1Z102FJ BM1Z103FJ. Block Diagram. VH_DC. VCC. DCOUT. VH_AC2. DSET. … |
| File Format / Size | PDF / 1.3 Mb |
| Document Language | English |
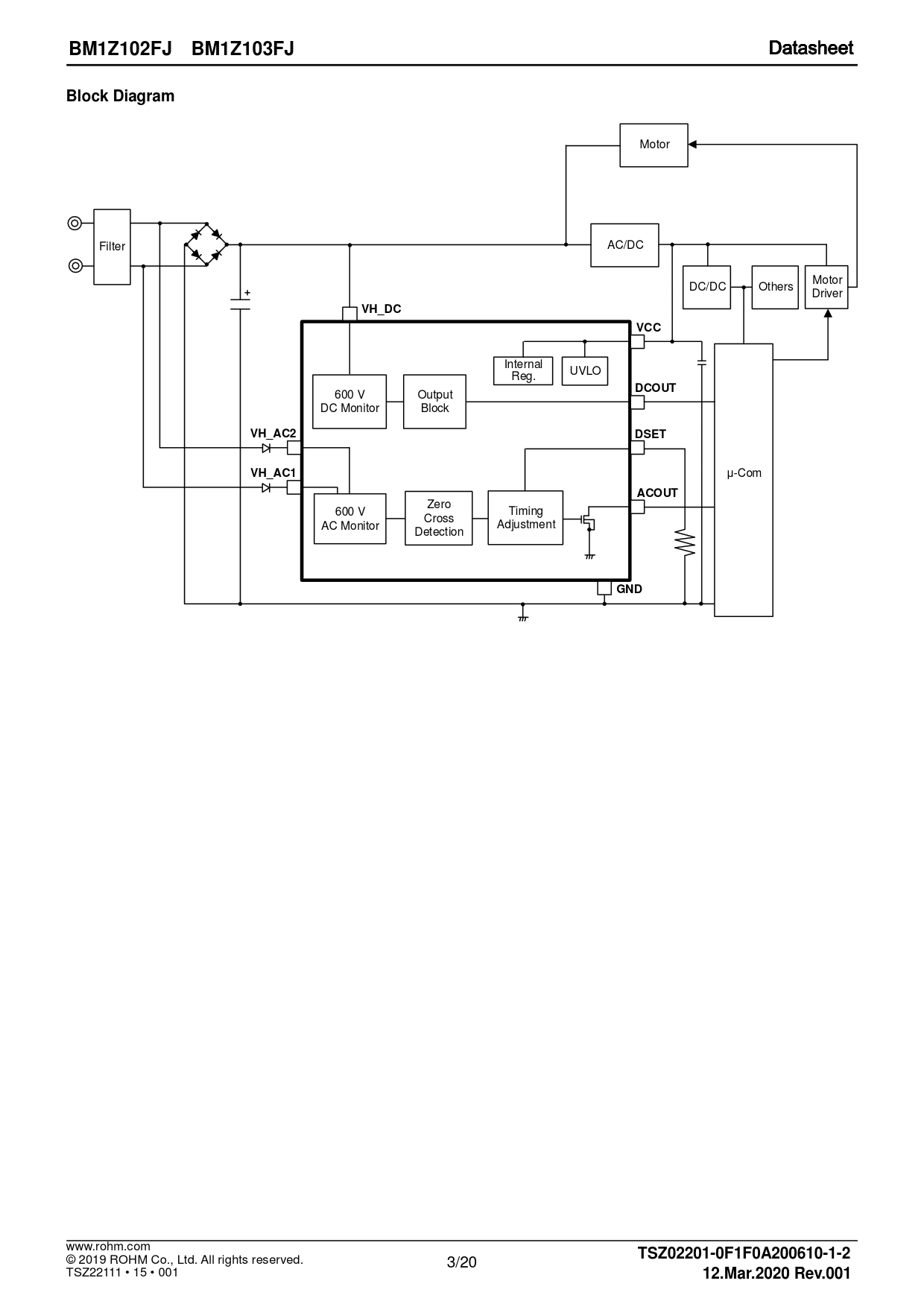
BM1Z102FJ BM1Z103FJ. Block Diagram. VH_DC. VCC. DCOUT. VH_AC2. DSET. VH_AC1. ACOUT. GND. TSZ02201-0F1F0A200610-1-2. 12.Mar.2020 Rev.00

Model Line for this Datasheet
Text Version of Document
BM1Z102FJ BM1Z103FJ Block Diagram
Motor Filter AC/DC Motor DC/DC Others Driver
VH_DC VCC
Internal UVLO Reg.
DCOUT
600 V Output DC Monitor Block
VH_AC2 DSET VH_AC1
μ-Com
ACOUT
Zero 600 V Timing Cross AC Monitor Adjustment Detection
GND
www.rohm.com
TSZ02201-0F1F0A200610-1-2
© 2019 ROHM Co., Ltd. All rights reserved. 3/20 TSZ22111 • 15 • 001
12.Mar.2020 Rev.00 1
Document Outline General Description Features Applications Key Specifications Package Lineup Typical Application Circuit Pin Configuration Pin Descriptions Block Diagram Description of Blocks 1. AC Voltage Zero Cross Detection 1.1 Startup Sequence 1.2 VH_AC1 Pin UVLO 1.3 VH_AC1 and VH_AC2 Pins Noise Filter 1.4 DSET Pin Setting 2. DC Voltage Monitor Circuit Absolute Maximum Ratings Thermal Loss Recommended Operating Conditions Electrical Characteristics Typical Performance Curves I/O Equivalence Circuit Operational Notes 1. Reverse Connection of Power Supply 2. Power Supply Lines 3. Ground Voltage 4. Ground Wiring Pattern 5. Recommended Operating Conditions 6. Inrush Current 7. Testing on Application Boards 8. Inter-pin Short and Mounting Errors 9. Unused Input Pins 10. Regarding the Input Pin of the IC 11. Ceramic Capacitor 12. Thermal Shutdown Circuit (TSD) 13. Over Current Protection Circuit (OCP) Ordering Information Marking Diagram Physical Dimension and Packing Information Revision History