Datasheet IRFD110 (Vishay) - 7

ManufacturerVishay
DescriptionPower MOSFET
Pages / Page9 / 7 — IRFD110. Peak Diode Recovery dV/dt Test Circuit. D.U.T. Note. Fig. 14 - …
File Format / SizePDF / 154 Kb
Document LanguageEnglish

IRFD110. Peak Diode Recovery dV/dt Test Circuit. D.U.T. Note. Fig. 14 - For N-Channel

IRFD110 Peak Diode Recovery dV/dt Test Circuit D.U.T Note Fig 14 - For N-Channel

Model Line for this Datasheet

Text Version of Document

IRFD110
www.vishay.com Vishay Siliconix
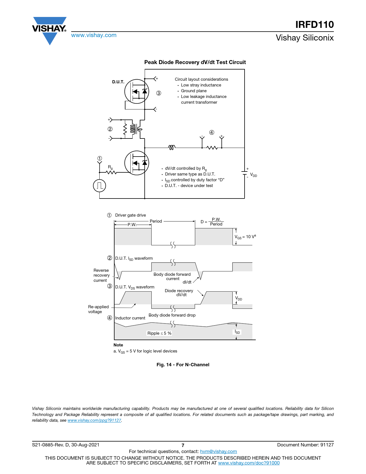
Peak Diode Recovery dV/dt Test Circuit
+ Circuit layout considerations
D.U.T.
• Low stray inductance • Ground plane • Low leakage inductance current transformer - + - + - Rg • dV/dt controlled by R + g • Driver same type as D.U.T. V - DD • ISD controlled by duty factor “D” • D.U.T. - device under test Driver gate drive Period P.W. D = P.W. Period V = 10 Va GS D.U.T. l waveform SD Reverse recovery Body diode forward current current dI/dt D.U.T. V waveform DS Diode recovery dV/dt VDD Re-applied voltage Body diode forward drop Inductor current Ripple ≤ 5 % ISD
Note
a. V = 5 V for logic level devices GS
Fig. 14 - For N-Channel
Vishay Siliconix maintains worldwide manufacturing capability. Products may be manufactured at one of several qualified locations. Reliability data for Silicon Technology and Package Reliability represent a composite of all qualified locations. For related documents such as package/tape drawings, part marking, and reliability data, see www.vishay.com/ppg?91127. S21-0885-Rev. D, 30-Aug-2021
7
Document Number: 91127 For technical questions, contact: hvm@vishay.com THIS DOCUMENT IS SUBJECT TO CHANGE WITHOUT NOTICE. THE PRODUCTS DESCRIBED HEREIN AND THIS DOCUMENT ARE SUBJECT TO SPECIFIC DISCLAIMERS, SET FORTH AT www.vishay.com/doc?91000