Datasheet AV, SMV (Pico Electronics) - 4
| Manufacturer | Pico Electronics |
| Description | Isolated DC-DC Converters |
| Pages / Page | 7 / 4 — 24 AV/SMV 200. 5 AV/SMV 500 |
| File Format / Size | PDF / 309 Kb |
| Document Language | English |
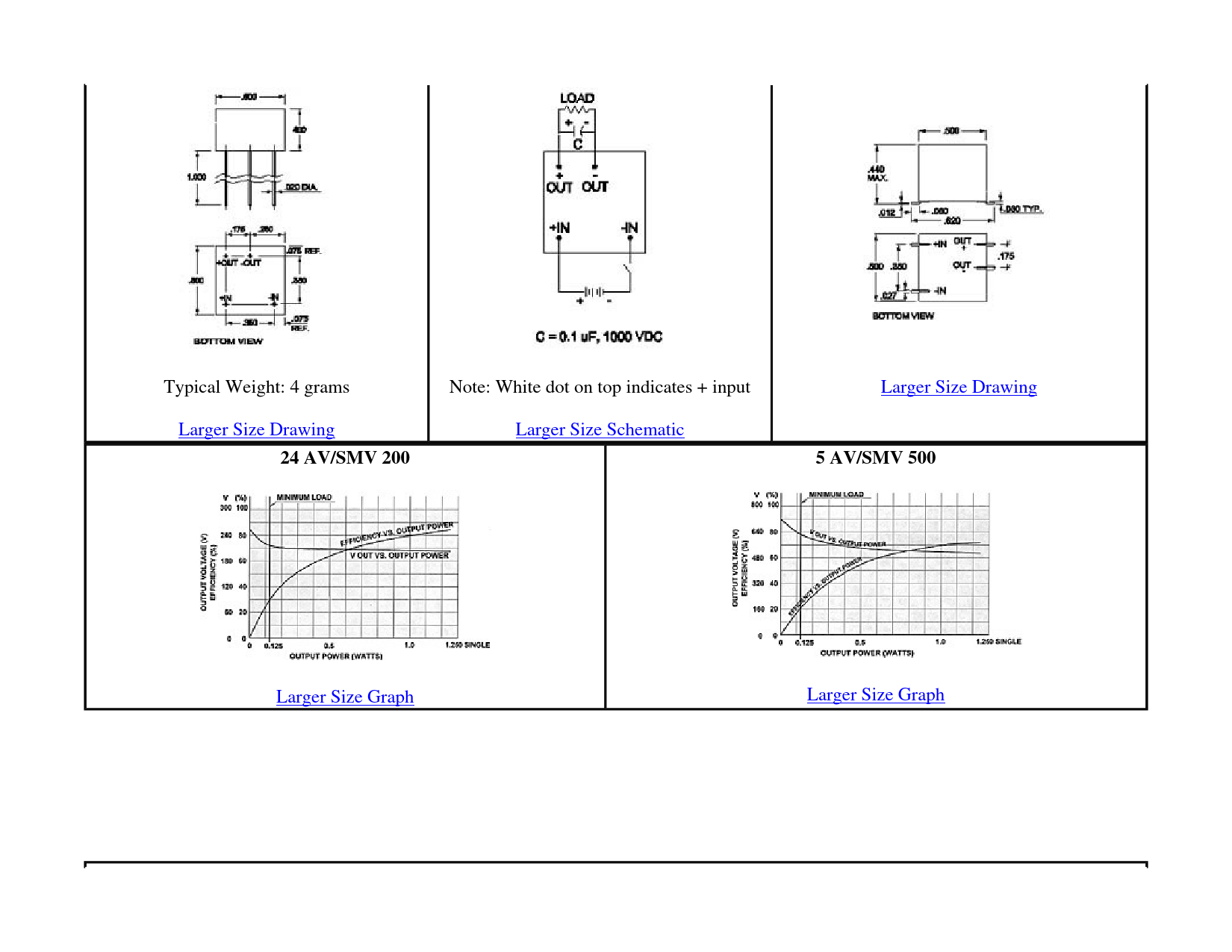
24 AV/SMV 200. 5 AV/SMV 500

Model Line for this Datasheet
Text Version of Document
Typical Weight: 4 grams Note: White dot on top indicates + input Larger Size Drawing Larger Size Drawing Larger Size Schematic
24 AV/SMV 200 5 AV/SMV 500
Larger Size Graph Larger Size Graph