Datasheet HT75Rxx-1 (Holtek) - 10

ManufacturerHoltek
Description30V, 150mA TinyPowerTM LDO
Pages / Page17 / 10 — HT75Rxx-1. 30V, 150mA TinyPowerTM LDO. Circuit for Increasing Output …
File Format / SizePDF / 1.0 Mb
Document LanguageEnglish

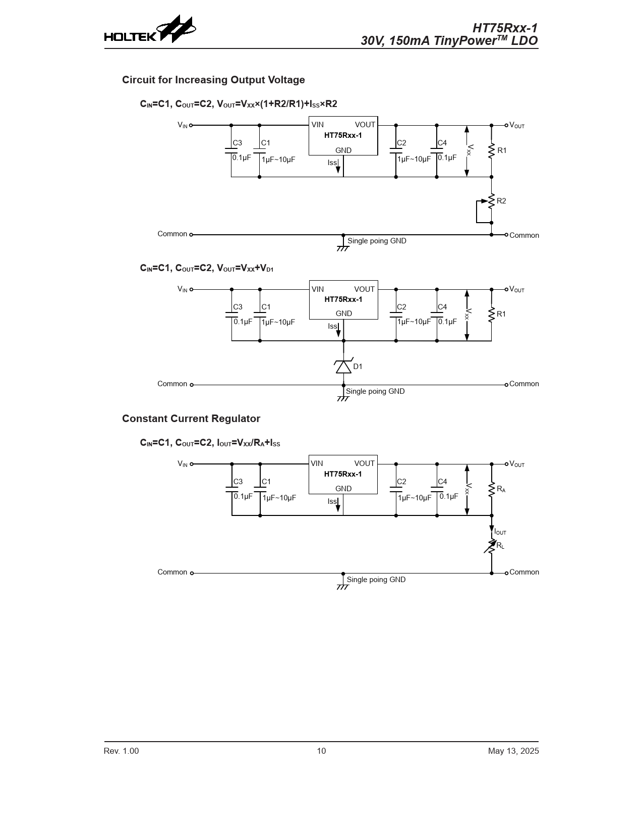
HT75Rxx-1. 30V, 150mA TinyPowerTM LDO. Circuit for Increasing Output Voltage. CIN=C1, COUT=C2, VOUT=VXX×(1+R2/R1)+ISS×R2

HT75Rxx-1 30V, 150mA TinyPowerTM LDO Circuit for Increasing Output Voltage CIN=C1, COUT=C2, VOUT=VXX×(1+R2/R1)+ISS×R2

Model Line for this Datasheet

Text Version of Document

HT75Rxx-1 30V, 150mA TinyPowerTM LDO Circuit for Increasing Output Voltage CIN=C1, COUT=C2, VOUT=VXX×(1+R2/R1)+ISS×R2
VIN VIN VOUT VOUT
HT75Rxx-1
C3 C1 C2 C4 V GND XX R1 0.1µF 1µF~10µF 1µF~10µF 0.1µF Iss R2 Common Common Single poing GND
CIN=C1, COUT=C2, VOUT=VXX+VD1
VIN VIN VOUT VOUT
HT75Rxx-1
C3 C1 C2 C4 V GND XX R1 0.1µF 1µF~10µF 1µF~10µF 0.1µF Iss D1 Common Common Single poing GND
Constant Current Regulator CIN=C1, COUT=C2, IOUT=VXX/RA+ISS
VIN VIN VOUT VOUT
HT75Rxx-1
C3 C1 C2 C4 V GND XX RA 0.1µF 1µF~10µF 1µF~10µF 0.1µF Iss IOUT RL Common Common Single poing GND Rev. 1.00 10 May 13, 2025 Document Outline Features Applications General Description Selection Table Block Diagram Pin Assignment Pin Description Absolute Maximum Ratings Recommended Operating Range Electrical Characteristics Typical Performance Characteristic Application Circuits Basic Circuit High Output Current Positive Voltage Regulator Short-Circuit Protection by Tr1 Circuit for Increasing Output Voltage Constant Current Regulator Dual Supply Circuit Application Information External Circuit Input Capacitor CIN Considerations Output Capacitor COUT Considerations Thermal Considerations Power Dissipation Calculation Package Information 3-pin SOT89 Outline Dimensions 5-pin SOT23 Outline Dimensions