Datasheet SS12, SS13, SS14, SS15, SS16 (Vishay) - 4

ManufacturerVishay
DescriptionSurface-Mount Schottky Barrier Rectifier in SMA (DO-214AC) package
Pages / Page5 / 4 — SS12, SS13, SS14, SS15, SS16. PACKAGE OUTLINE DIMENSIONS. SMA (DO-214AC). …
File Format / SizePDF / 1.2 Mb
Document LanguageEnglish

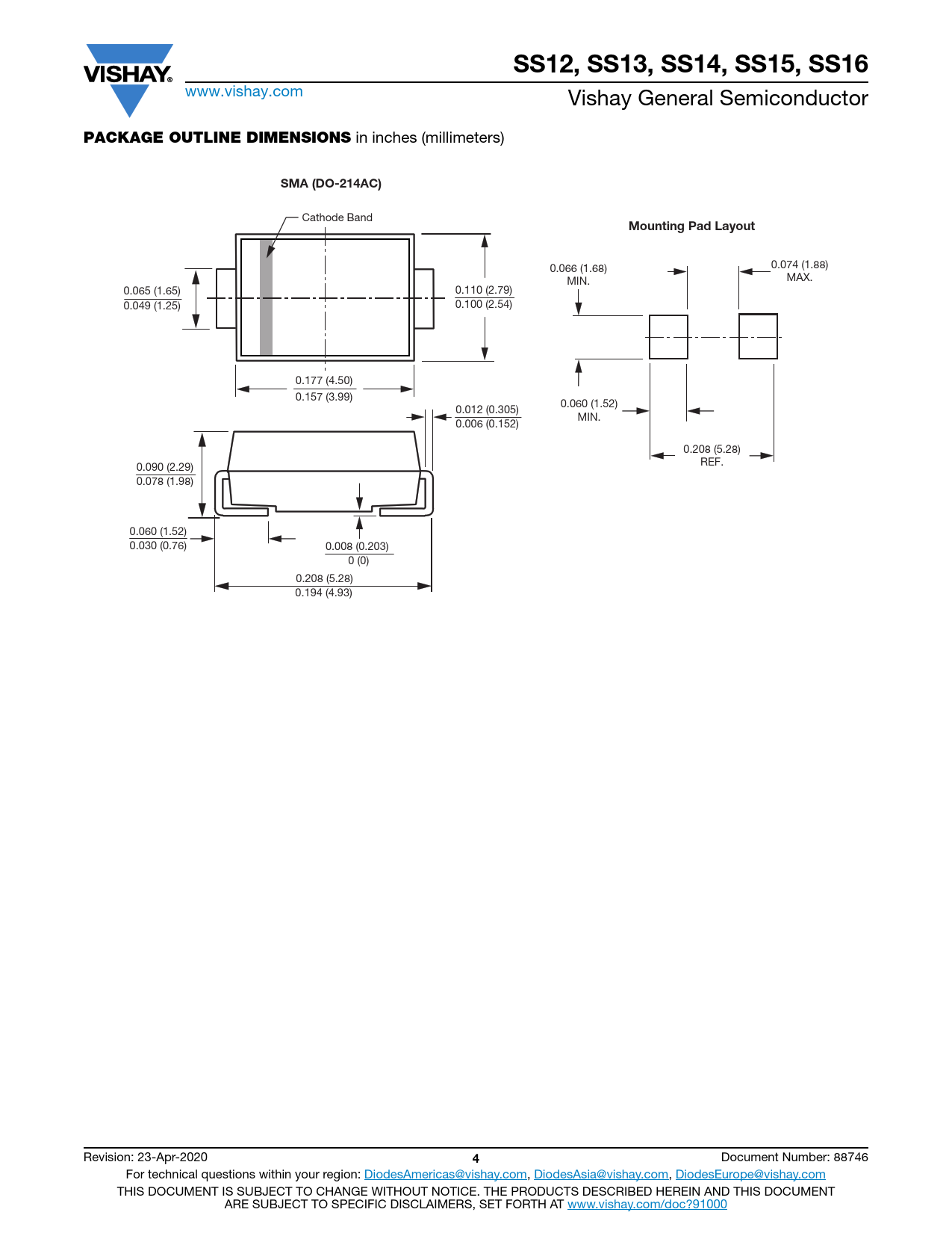
SS12, SS13, SS14, SS15, SS16. PACKAGE OUTLINE DIMENSIONS. SMA (DO-214AC). Mounting Pad Layout

SS12, SS13, SS14, SS15, SS16 PACKAGE OUTLINE DIMENSIONS SMA (DO-214AC) Mounting Pad Layout

Model Line for this Datasheet

Text Version of Document

SS12, SS13, SS14, SS15, SS16
www.vishay.com Vishay General Semiconductor
PACKAGE OUTLINE DIMENSIONS
in inches (millimeters)
SMA (DO-214AC)
Cathode Band
Mounting Pad Layout
0.074 (1.88) 0.066 (1.68) MAX. MIN. 0.065 (1.65) 0.110 (2.79) 0.049 (1.25) 0.100 (2.54) 0.177 (4.50) 0.157 (3.99) 0.060 (1.52) 0.012 (0.305) MIN. 0.006 (0.152) 0.208 (5.28) REF. 0.090 (2.29) 0.078 (1.98) 0.060 (1.52) 0.030 (0.76) 0.008 (0.203) 0 (0) 0.208 (5.28) 0.194 (4.93) Revision: 23-Apr-2020
4
Document Number: 88746 For technical questions within your region: DiodesAmericas@vishay.com, DiodesAsia@vishay.com, DiodesEurope@vishay.com THIS DOCUMENT IS SUBJECT TO CHANGE WITHOUT NOTICE. THE PRODUCTS DESCRIBED HEREIN AND THIS DOCUMENT ARE SUBJECT TO SPECIFIC DISCLAIMERS, SET FORTH AT www.vishay.com/doc?91000