News
Articles
Biblio
Circuits
Datasheets
Sites
Devices
Prices
More
News
Articles
Biblio
Datasheets
Sites
Devices
e-Newsletter Subscription
Authors
Only-Datasheet.com
About us
For Authors
Cooperation
Advertising
Contacts
ru - Русский
Search
SubSections
El.Components
ADC, DAC
Amplifiers
Capacitors
Cellular
Discretes
Drivers
El.Comp.Tech.
Interfaces
Logic
MCU
MEMS
Memory
Optoelectron.
Processors
Program.Logic
RF
Sensors
Supply
Wireless
El.Engineer.
Adv. Tech
Analog Design
Antique
App Notes
Arduino
Audio
Automation
Automotive
Beginners
CAD & Soft
Camcorders
Computers &
Digital
Domestic
Games
High Voltage
Interfaces
Laser
Light
MCU Usage
Measurement
Medicine
Monitors
Networks
Oscillators
PCB
Platforms
Power
RC Modeling
Radio
Robots
Satellite
Security
Solar
Supply
TV
Telephone
Theory
Tools and Tec
Video
Wind Energy
Wireless
Consumer Tech
Audio
Climate Tech
Communic.
Computers &
Future Tech
Manufacturers
Articles
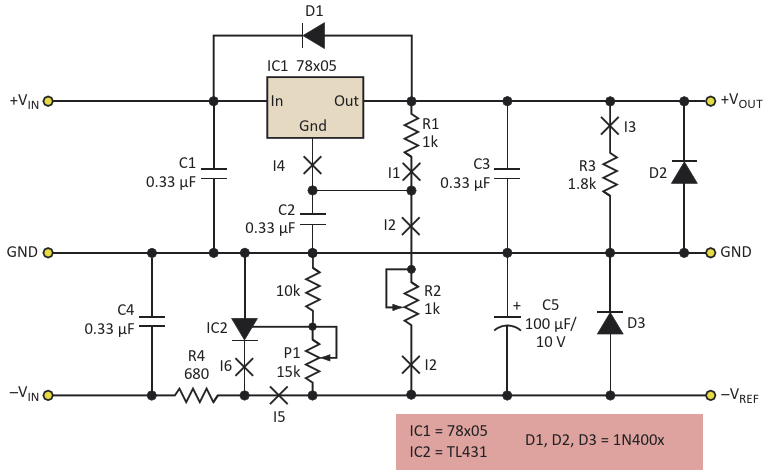
A similar approach works …
A similar approach works with the 78xx family, but requires a change in the details of the circuit topology
Authors
Petre Petrov
Main Document
Article «
Drive LDOs To 0-V Output With Single Supply
»
Description
Figure 4
File Format / Size
PDF
/
29 Kb
Document Language
English
Download PDF
Other Materials from the Main Document
Article «
Drive LDOs To 0-V Output With Single Supply
»
Figure 1. There are various ways to implement an active "voltage reducing block" at the output of a regulator that subtracts from the reference voltage to bring the output down to ground potential
Figure 2. For situations where the supply rail is positive and limited, a passive approach using resistors is an alternative to the active techniques from Figure 1
Figure 3. For adjustable regulators such as the L200, a shunt regulator acts as an active voltage reducer while a potentiometer allows careful adjustment to the desired voltage value
Figure 4. A similar approach works with the 78xx family, but requires a change in the details of the circuit topology
Figure 5. If a negative voltage is needed, there are various common techniques to generate negative dc rails from an ac supply, including a full-wave bridge plus additional diode (a), a full-wave bridge plus negative dc-dc converter and regulato (b), a half-bridge
Subscribe e-Newsletter to Stay Informed on New Materials of Our Website!
Slices
Microcontrollers
e-Newsletter Subscription
Contacts
Privacy Policy
Change Privacy Settings