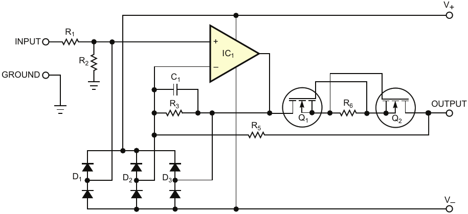
This circuit works as a bipolar-current source when the voltage drop across source resistor R6 becomes larger than the gate-threshold voltage of depletion-mode MOSFETs Q1 and Q2, thus limiting the current through clamping

AuthorsDimitri Danyuk
Main DocumentArticle «Circuits protect outputs against overvoltage»
DescriptionFigure 2
File Format / SizePDF / 13 Kb
Document LanguageEnglish

This circuit works as a bipolar-current source when the voltage drop across source resistor R sub 6 /sub  becomes larger than the gate-threshold voltage of depletion-mode MOSFETs Q sub 1 /sub  and Q sub 2 /sub , thus limiting the current through clamping

Other Materials from the Main Document