Datasheet MIC920 (Micrel) - 4
| Manufacturer | Micrel |
| Description | 80MHz Low-Power SC-70 Op Amp |
| Pages / Page | 11 / 4 — Test Circuits. MIC920. PSRR vs. Frequency. CMRR vs. Frequency. Noise … |
| File Format / Size | PDF / 1.3 Mb |
| Document Language | English |
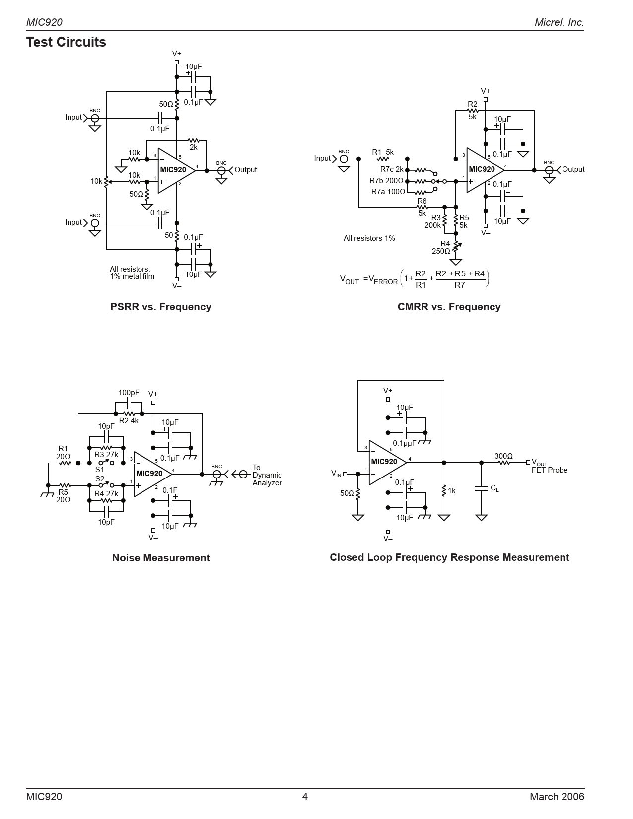
Test Circuits. MIC920. PSRR vs. Frequency. CMRR vs. Frequency. Noise Measurement. Closed Loop Frequency Response Measurement

Text Version of Document
MIC920 Micrel, Inc.
Test Circuits
V+ 10µF V+ 50Ω 0.1µF R2 BNC Input 5k 10µF 0.1µF 2k 10k BNC 3 R1 5k 5 3 5 0.1µF Input BNC BNC
MIC920
4 Output R7c 2k
MIC920
4 Output 10k 10k 1 1 2 R7b 200Ω 2 0.1µF 50Ω R7a 100Ω R6 BNC 0.1µF 5k Input R3 R5 10µF 200k 5k 50 0.1µF V– All resistors 1% R4 250Ω All resistors: 1% metal film 10µF V =V R2 R2 R5 R4 1+ + + + V– OUT ERROR R1 R7
PSRR vs. Frequency CMRR vs. Frequency
100pF V+ V+ 10µF R2 4k 10µF 10pF 0.1µµF R1 3 5 20Ω R3 27k 3 300Ω 5 0.1µF
MIC920
4 VOUT S1 BNC To
MIC920
4 V 1 FET Probe S2 Dynamic IN 2 1 Analyzer 0.1µF 2 R5 0.1F R4 27k 50Ω 1k CL 20Ω 10pF 10µF 10µF V– V–
Noise Measurement Closed Loop Frequency Response Measurement
MIC920 4 March 2006