Datasheet LTC2336-18 (Analog Devices) - 9
| Manufacturer | Analog Devices | 
| Description | 18-Bit, 250ksps, ±10.24V True Bipolar, Fully Differential Input ADC with 100dB SNR | 
| Pages / Page | 26 / 9 — FUNCTIONAL BLOCK DIAGRAM | 
| File Format / Size | PDF / 756 Kb | 
| Document Language | English | 
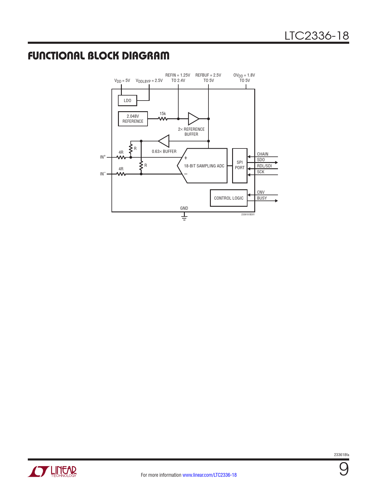
FUNCTIONAL BLOCK DIAGRAM

Model Line for this Datasheet
Text Version of Document
LTC2336-18
FUNCTIONAL BLOCK DIAGRAM
REFIN = 1.25V REFBUF = 2.5V OVDD = 1.8V VDD = 5V VDDLBYP = 2.5V TO 2.4V TO 5V TO 5V LDO 2.048V 15k REFERENCE 2× REFERENCE BUFFER R 4R 0.63× BUFFER CHAIN IN+ + SDO SPI R 18-BIT SAMPLING ADC RDL/SDI PORT 4R IN– SCK – CNV CONTROL LOGIC BUSY GND 233618 BD01 233618fa For more information www.linear.com/LTC2336-18 9 Document Outline Features Applications Typical Application Description Absolute Maximum Ratings Order Information Pin Configuration Electrical Characteristics Converter Characteristics Dynamic Accuracy Internal Reference Characteristics Reference Buffer Characteristics Digital Inputs and Digital Outputs Power Requirements ADC Timing Characteristics Typical Performance Characteristics Pin Functions Functional Block Diagram Timing Diagram Applications Information Board Layout Package Description Revision History Typical Application Related Parts