Datasheet LTC2433-1 (Analog Devices) - 7

ManufacturerAnalog Devices
DescriptionDifferential Input 16-Bit No Latency Delta Sigma ADC
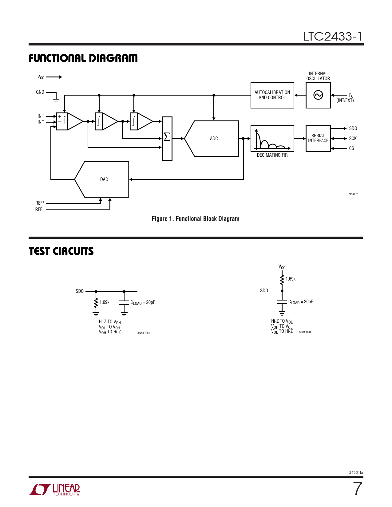
Pages / Page28 / 7 — FU CTIO AL DIAGRA. Figure 1. Functional Block Diagram. TEST CIRCUITS
File Format / SizePDF / 306 Kb
Document LanguageEnglish

FU CTIO AL DIAGRA. Figure 1. Functional Block Diagram. TEST CIRCUITS

FU CTIO AL DIAGRA Figure 1 Functional Block Diagram TEST CIRCUITS

Model Line for this Datasheet

Text Version of Document

LTC2433-1
U U W FU CTIO AL DIAGRA
INTERNAL VCC OSCILLATOR GND AUTOCALIBRATION F AND CONTROL O (INT/EXT) IN+ + IN– – ∫ ∫ ∫ SDO SERIAL ∑ ADC SCK INTERFACE CS DECIMATING FIR DAC 24331 FD REF+ REF –
Figure 1. Functional Block Diagram TEST CIRCUITS
VCC 1.69k SDO SDO 1.69k CLOAD = 20pF CLOAD = 20pF Hi-Z TO VOH Hi-Z TO VOL VOL TO VOH VOH TO VOL V V 24361 TA03 OH TO Hi-Z 24361 TA04 OL TO Hi-Z 24331fa 7