Datasheet LTC1380, LTC1393 (Analog Devices) - 10
| Manufacturer | Analog Devices |
| Description | Single-Ended 8-Channel/ Differential 4-Channel Analog Multiplexer with SMBus Interface |
| Pages / Page | 12 / 10 — TYPICAL APPLICATIONS. 16-Channel Multiplexer with Buffer. Programmable … |
| Revision | LTC1380/LTC1393: Single-Ended 8-Channel/ Differential 4-Channel Analog Multiplexer with SMBus Interface Data Sheet |
| File Format / Size | PDF / 246 Kb |
| Document Language | English |
TYPICAL APPLICATIONS. 16-Channel Multiplexer with Buffer. Programmable Gain Amplifier

Model Line for this Datasheet
Text Version of Document
LTC1380/LTC1393
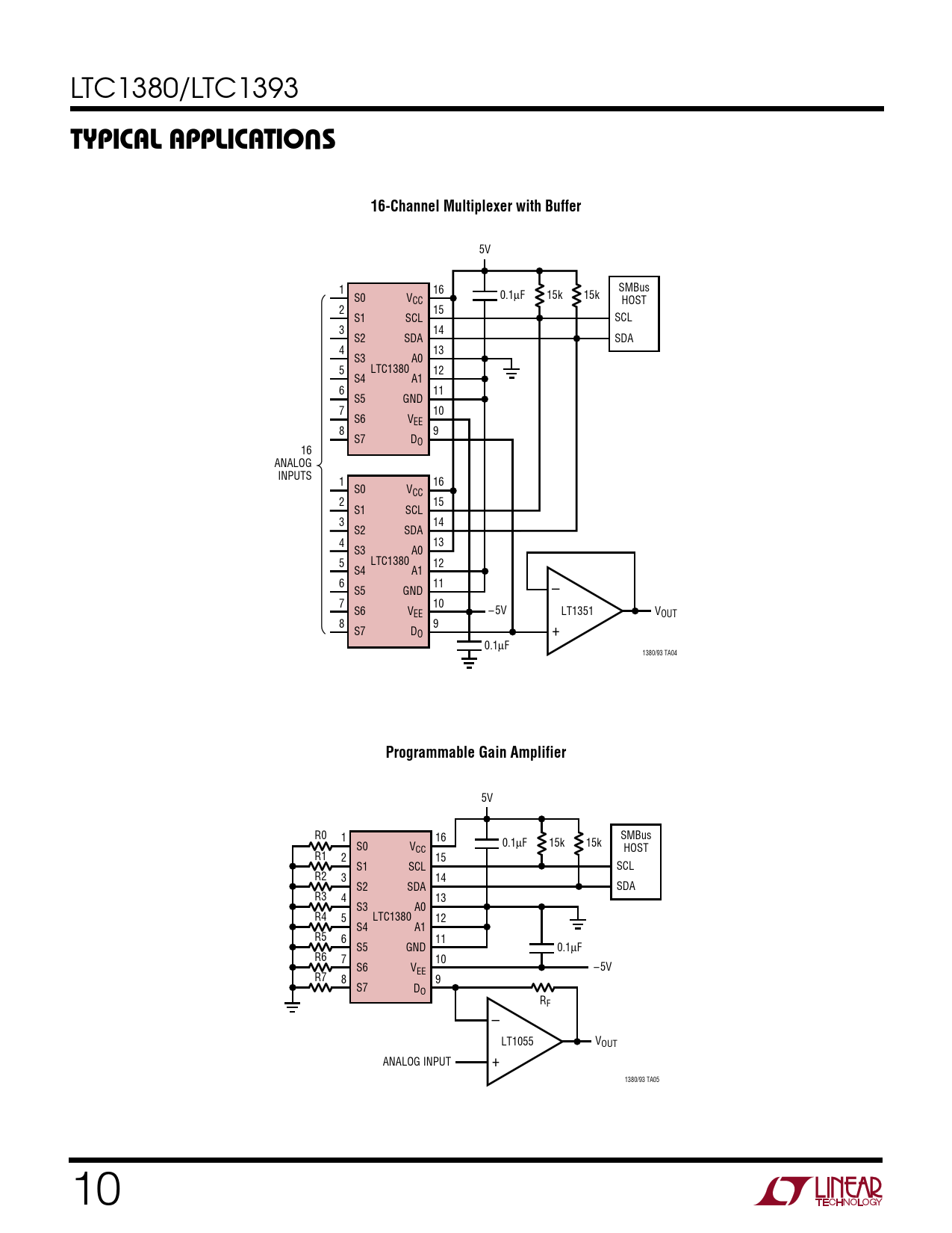
U TYPICAL APPLICATIONS 16-Channel Multiplexer with Buffer
5V 1 16 SMBus 0.1 S0 V µF 15k 15k CC HOST 2 15 S1 SCL SCL 3 14 S2 SDA SDA 4 13 S3 A0 5 LTC1380 12 S4 A1 6 11 S5 GND 7 10 S6 VEE 8 9 S7 DO 16 ANALOG INPUTS 1 16 S0 VCC 2 15 S1 SCL 3 14 S2 SDA 4 13 S3 A0 5 LTC1380 12 S4 A1 6 11 – S5 GND 7 10 S6 VEE – 5V LT1351 VOUT 8 9 + S7 DO 0.1µF 1380/93 TA04
Programmable Gain Amplifier
5V R0 1 16 SMBus 0.1µF 15k 15k S0 VCC HOST R1 2 15 S1 SCL SCL R2 3 14 S2 SDA SDA R3 4 13 S3 A0 R4 5 LTC1380 12 S4 A1 R5 6 11 S5 GND 0.1µF R6 7 10 S6 V – 5V EE R7 8 9 S7 DO RF – LT1055 VOUT ANALOG INPUT + 1380/93 TA05 10