Datasheet LTC3026 (Analog Devices) - 8
| Manufacturer | Analog Devices |
| Description | 1.5A Low Input Voltage VLDO Linear Regulator |
| Pages / Page | 18 / 8 — block DiagraM |
| File Format / Size | PDF / 266 Kb |
| Document Language | English |
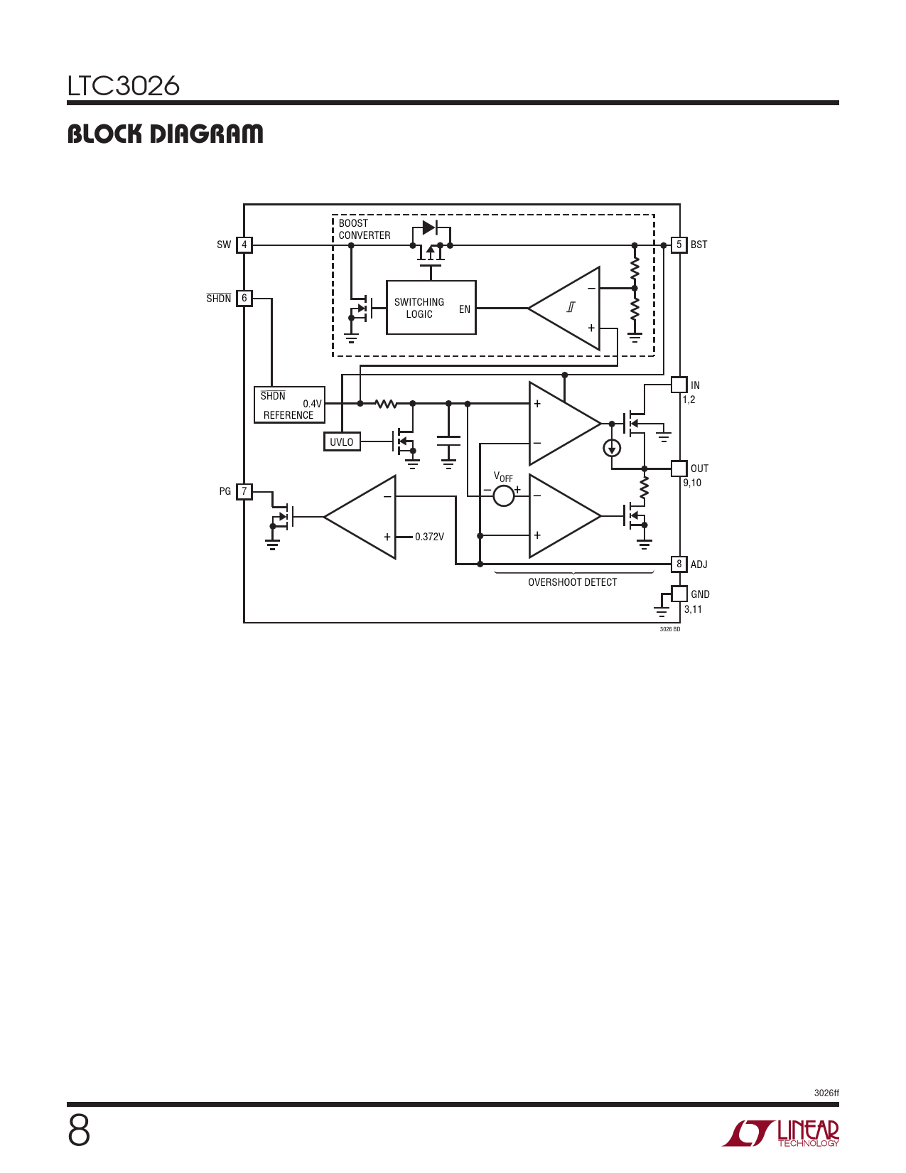
block DiagraM

Model Line for this Datasheet
Text Version of Document
LTC3026
block DiagraM
BOOST CONVERTER SW 4 5 BST – SHDN 6 SWITCHING LOGIC EN + IN SHDN 0.4V + 1,2 REFERENCE UVLO – OUT VOFF 9,10 PG 7 – – + – + 0.372V + 8 ADJ OVERSHOOT DETECT GND 3,11 3026 BD 3026ff 8 Document Outline Features Applications Description Typical Application Absolute Maximum Ratings Pin Configuration Order Information Electrical Characteristics Typical Performance Characteristics Pin Functions Block Diagram Operation Typical Applications Package Description Revision History Typical Application Related Parts