Datasheet LTC1775 (Analog Devices) - 7
| Manufacturer | Analog Devices |
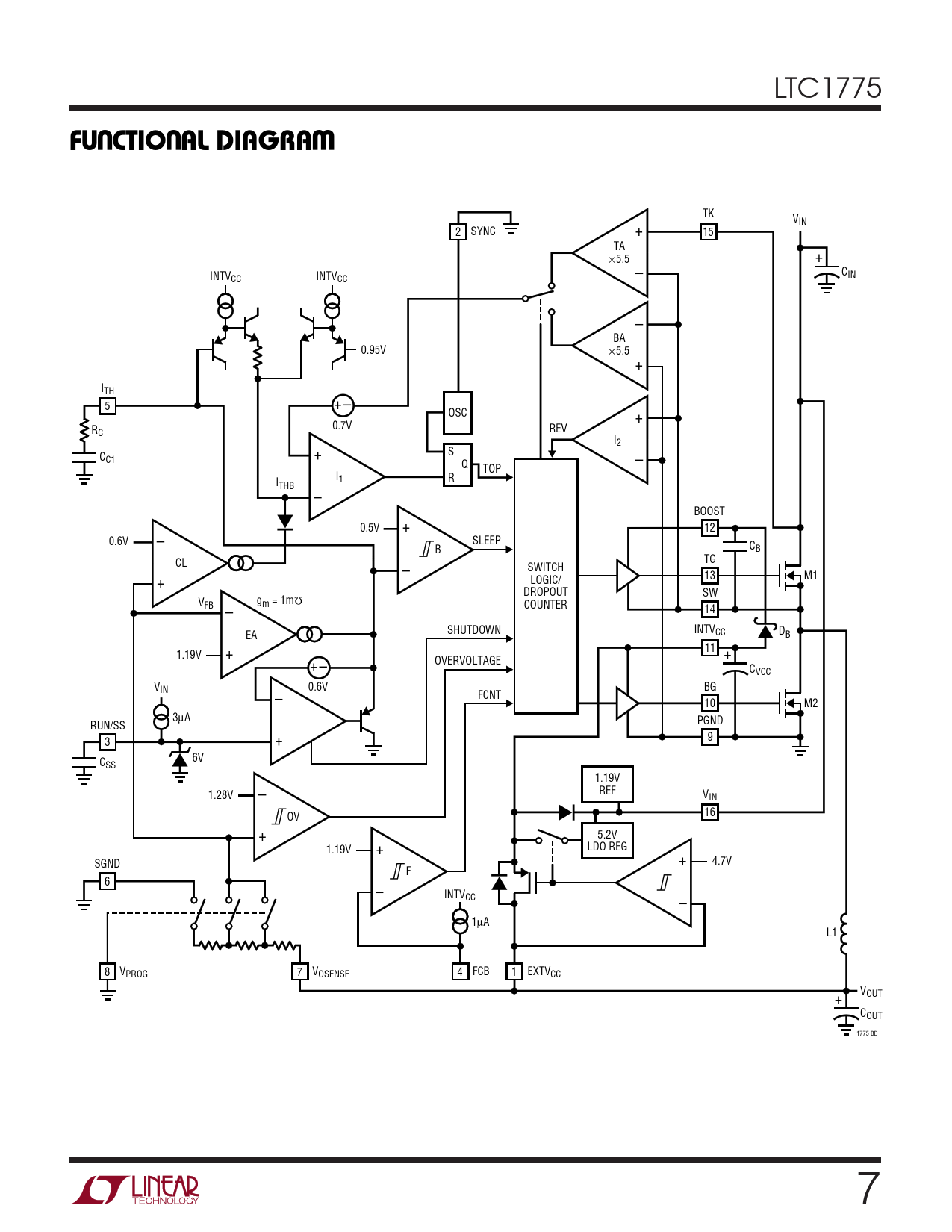
| Description | High Power No RSENSE Current Mode Synchronous Step-Down Switching Regulator |
| Pages / Page | 24 / 7 — FU CTIO AL DIAGRA |
| File Format / Size | PDF / 307 Kb |
| Document Language | English |
FU CTIO AL DIAGRA

Model Line for this Datasheet
Text Version of Document
LTC1775
U U W FU CTIO AL DIAGRA
TK VIN 2 SYNC + 15 TA ×5.5 + C INTV – IN CC INTVCC – BA 0.95V ×5.5 + ITH 5 + – OSC + 0.7V R REV C I2 + C S C1 Q – TOP I I 1 R THB – BOOST + 0.5V 12 – 0.6V SLEEP C B B TG CL – SWITCH + 13 M1 LOGIC/ Ω DROPOUT SW V g FB – m = 1m COUNTER 14 SHUTDOWN INTVCC D EA B + 11 1.19V + OVERVOLTAGE + – CVCC VIN 0.6V BG – FCNT 10 M2 3µA RUN/SS PGND + 9 3 C 6V SS 1.19V – REF 1.28V VIN 16 OV + 5.2V 1.19V LDO REG + SGND + 4.7V F 6 – INTVCC – 1µA L1 8 VPROG 7 VOSENSE 4 FCB 1 EXTVCC V + OUT COUT 1775 BD 7