Datasheet LTC3423, LTC3424 (Analog Devices) - 6
| Manufacturer | Analog Devices |
| Description | Low Output Voltage, 3MHz Micropower Synchronous Boost Converters |
| Pages / Page | 12 / 6 — BLOCK DIAGRA |
| File Format / Size | PDF / 211 Kb |
| Document Language | English |
BLOCK DIAGRA

Model Line for this Datasheet
Text Version of Document
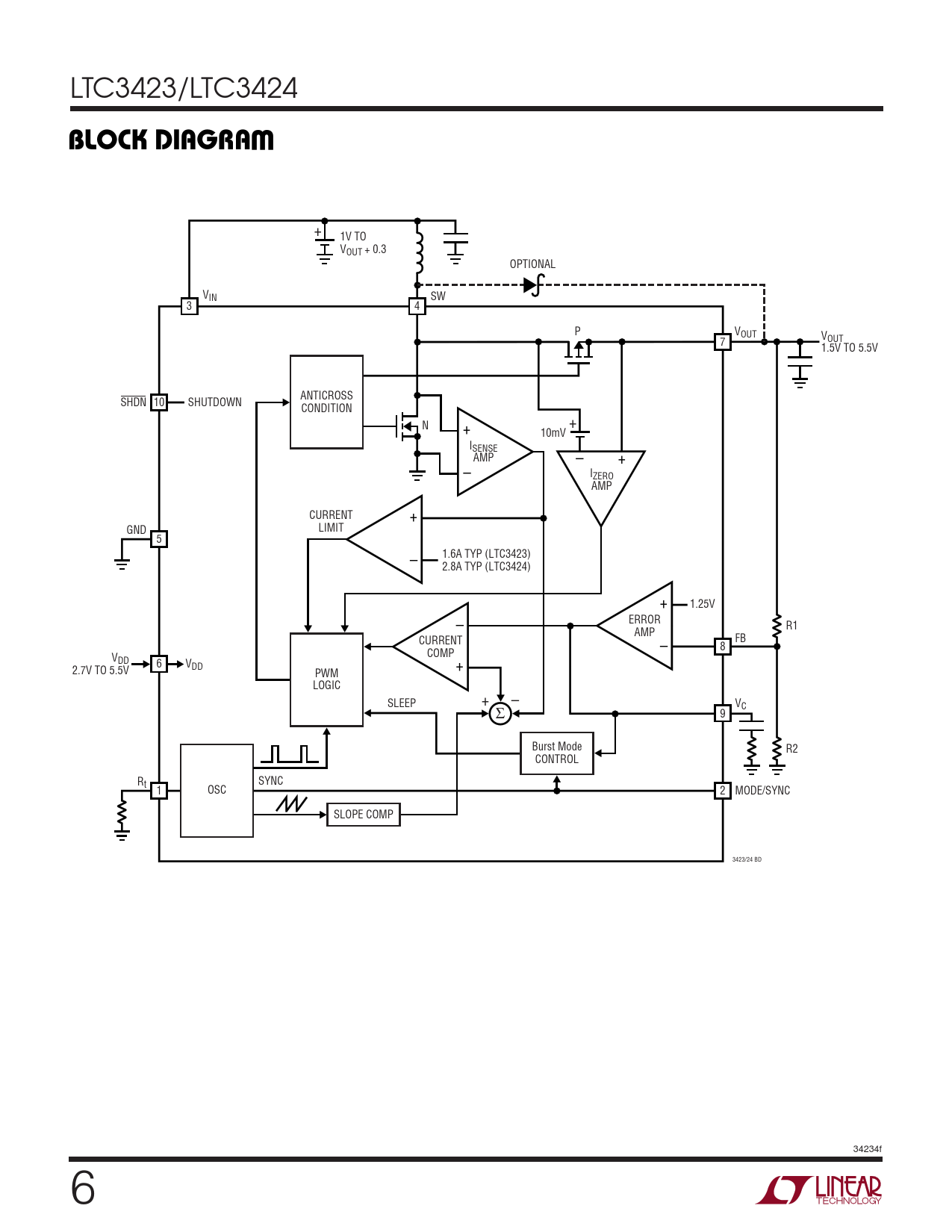
LTC3423/LTC3424
W BLOCK DIAGRA
+ 1V TO VOUT + 0.3 OPTIONAL VIN SW 3 4 P VOUT VOUT 7 1.5V TO 5.5V ANTICROSS SHDN 10 SHUTDOWN CONDITION N + + 10mV ISENSE AMP – + – IZERO AMP + CURRENT LIMIT GND 5 – 1.6A TYP (LTC3423) 2.8A TYP (LTC3424) + 1.25V – ERROR R1 AMP CURRENT – FB 8 COMP VDD + 6 VDD 2.7V TO 5.5V PWM LOGIC SLEEP + – Σ VC 9 Burst Mode R2 CONTROL R SYNC t 1 OSC 2 MODE/SYNC SLOPE COMP 3423/24 BD 34234f 6