Datasheet LTC3535 (Analog Devices) - 8
| Manufacturer | Analog Devices |
| Description | Dual Channel 550mA 1MHz Synchronous Step-Up DC/DC Converter |
| Pages / Page | 16 / 8 — BLOCK DIAGRAM |
| File Format / Size | PDF / 1.2 Mb |
| Document Language | English |
BLOCK DIAGRAM

Model Line for this Datasheet
Text Version of Document
LTC3535
BLOCK DIAGRAM
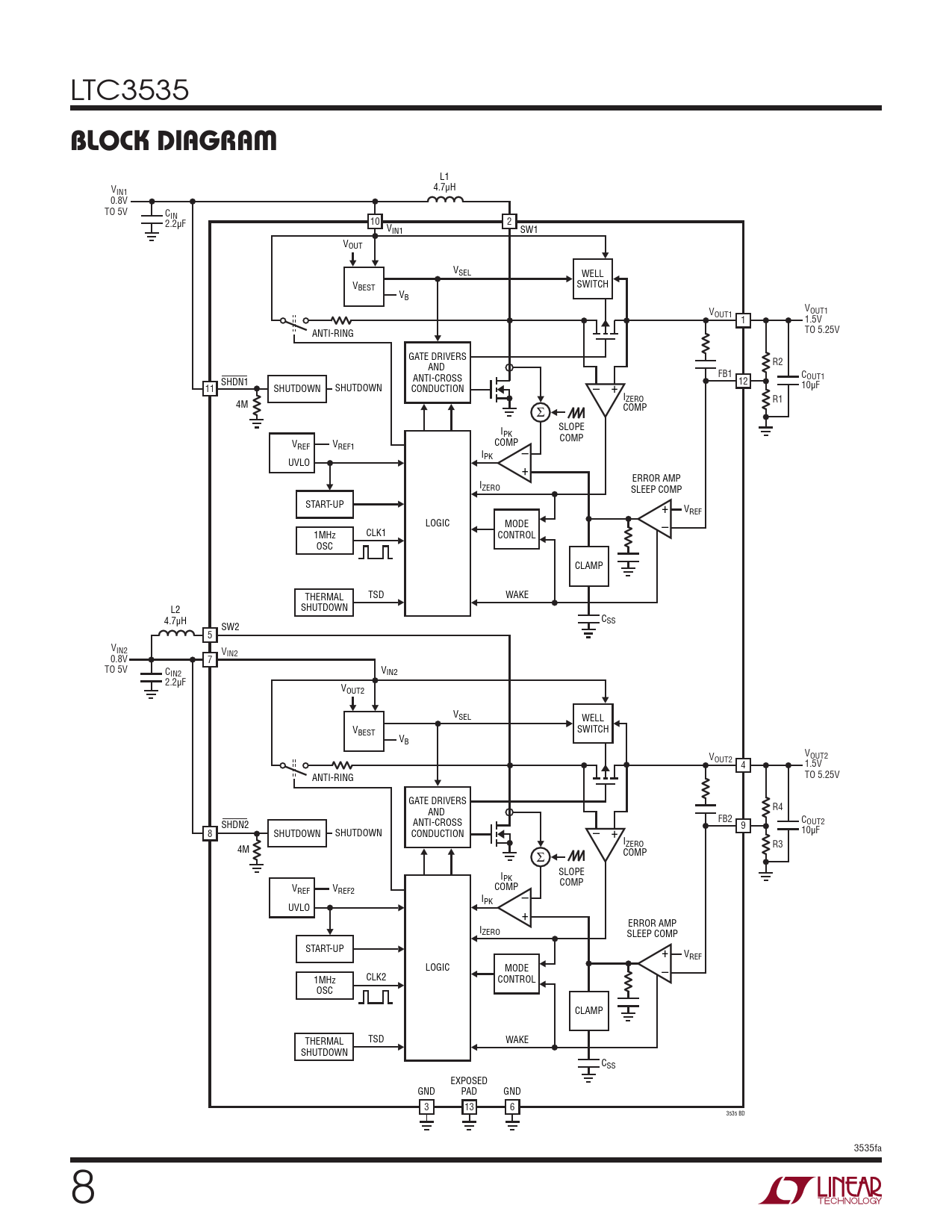
L1 V 4.7µH IN1 0.8V TO 5V CIN 10 2 2.2µF VIN1 SW1 VOUT VSEL WELL V SWITCH BEST VB V V OUT1 OUT1 1 1.5V ANTI-RING TO 5.25V GATE DRIVERS AND R2 ANTI-CROSS FB1 C SHDN1 12 OUT1 11 SHUTDOWN SHUTDOWN CONDUCTION – + 10µF IZERO 4M R1 Σ COMP I SLOPE PK V COMP REF VREF1 – COMP IPK UVLO + ERROR AMP IZERO SLEEP COMP START-UP + VREF LOGIC MODE – 1MHz CLK1 CONTROL OSC CLAMP THERMAL TSD WAKE L2 SHUTDOWN C 4.7µH SS SW2 5 VIN2 V 0.8V 7 IN2 TO 5V C V IN2 IN2 2.2µF VOUT2 VSEL WELL V SWITCH BEST VB V V OUT2 OUT2 4 1.5V ANTI-RING TO 5.25V GATE DRIVERS AND R4 SHDN2 ANTI-CROSS FB2 C 9 OUT2 8 SHUTDOWN SHUTDOWN CONDUCTION – + 10µF IZERO 4M R3 Σ COMP I SLOPE PK V COMP REF VREF2 – COMP IPK UVLO + ERROR AMP IZERO SLEEP COMP START-UP + VREF LOGIC MODE – 1MHz CLK2 CONTROL OSC CLAMP THERMAL TSD WAKE SHUTDOWN CSS EXPOSED GND PAD GND 3 13 6 3535 BD 3535fa 8 Document Outline Features Description Applcations Typical Application Absolute Maximum Ratings Pin Configuration Order Information Electrical Characteristics Typical Performance Characteristics Pin Functions Block Diagram Operation Applications Information Typical Application Package Description Revision History Typical Application Related Parts