Datasheet LTC3854 (Analog Devices) - 8

ManufacturerAnalog Devices
DescriptionSmall Footprint, Wide VIN Range Synchronous Step-Down DC/DC Controller
Pages / Page28 / 8 — FUNCTIONAL DIAGRAM
File Format / SizePDF / 547 Kb
Document LanguageEnglish

FUNCTIONAL DIAGRAM

FUNCTIONAL DIAGRAM

Model Line for this Datasheet

Text Version of Document

LTC3854
FUNCTIONAL DIAGRAM
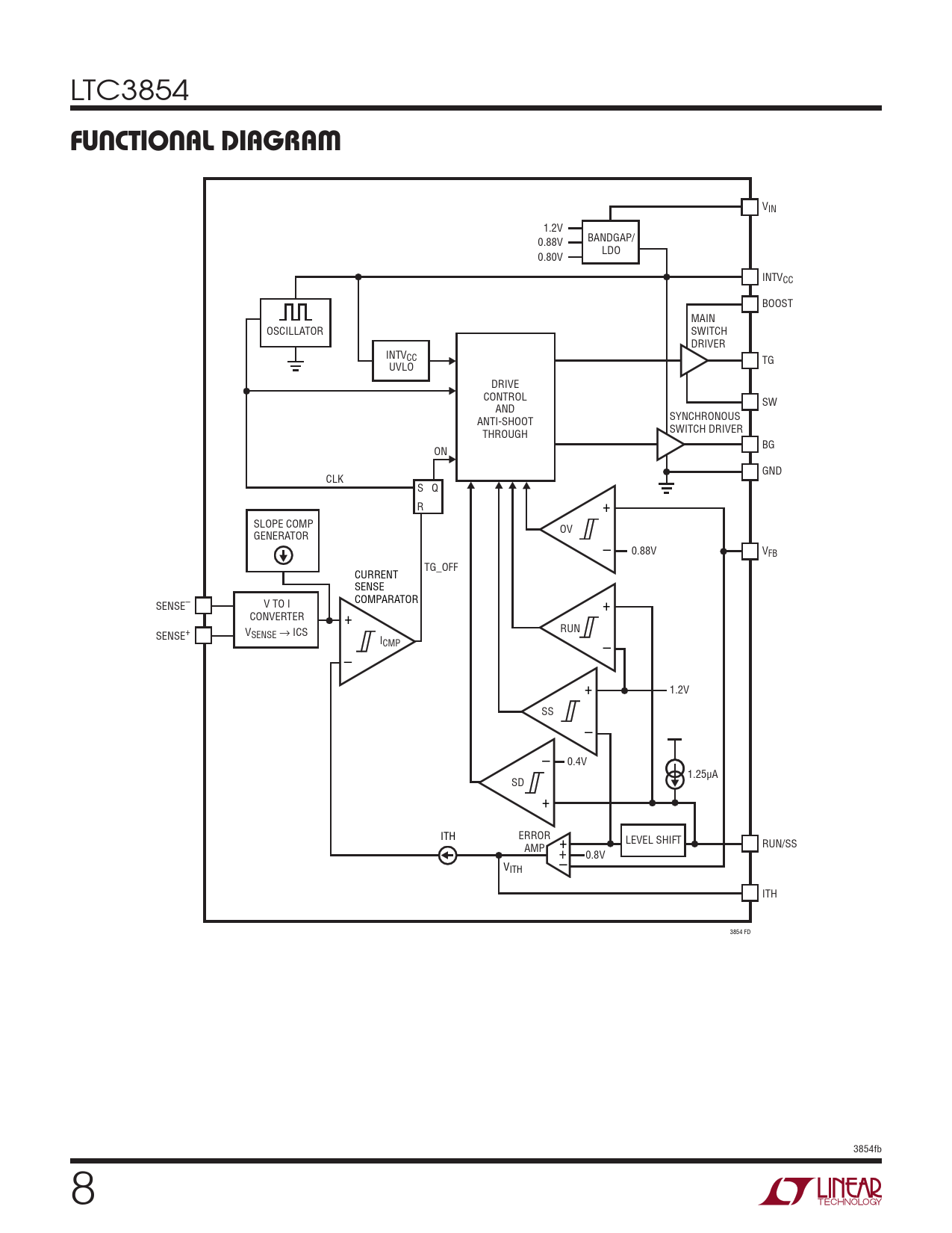
VIN 1.2V BANDGAP/ 0.88V LDO 0.80V INTVCC BOOST MAIN OSCILLATOR SWITCH DRIVER INTVCC TG UVLO DRIVE CONTROL SW AND ANTI-SHOOT SYNCHRONOUS THROUGH SWITCH DRIVER BG ON GND CLK S Q R + SLOPE COMP OV GENERATOR – 0.88V VFB TG_OFF CURRENT SENSE SENSE– V TO I COMPARATOR + CONVERTER + RUN V SENSE+ SENSE → ICS ICMP – – + 1.2V SS – – 0.4V 1.25µA SD + ITH ERROR LEVEL SHIFT AMP + RUN/SS + VITH – 0.8V ITH 3854 FD 3854fb 8 Document Outline Features Description Applications Typical Application Absolute Maximum Ratings Pin Configuration Order Information Electrical Characteristics Typical Performance Characteristics Pin Functions Functional Diagram Operation Applications Information Typical Applications Package Description Revision History Related Parts