Datasheet AD9288 (Analog Devices) - 18

ManufacturerAnalog Devices
Description8-Bit, 40/80/100 MSPS Dual A/D Converter
Pages / Page25 / 18 — AD9288. D**. E16. E38. RE E. ABL. GND. E34. E37. OR BUF. DRB. OCK S. …
RevisionC
File Format / SizePDF / 643 Kb
Document LanguageEnglish

AD9288. D**. E16. E38. RE E. ABL. GND. E34. E37. OR BUF. DRB. OCK S. DIRE. C O. H3 MTHOLE6. H1 MTHOLE6. H2 MTHOLE6. H4 MTHOLE6. O BE. **DUT. **T. E C. INF. 74LCX86

AD9288 D** E16 E38 RE E ABL GND E34 E37 OR BUF DRB OCK S DIRE C O H3 MTHOLE6 H1 MTHOLE6 H2 MTHOLE6 H4 MTHOLE6 O BE **DUT **T E C INF 74LCX86

Model Line for this Datasheet

Text Version of Document

AD9288
00585-026
L L VD VD ** D** E16 E38 E RE E ABL F EA EB T TI TI C GND GND E ER L B E34 E37 D E 8

5

TH C OR BUF V E 0

0

R4 1k R5 1k G EN CT DRB
µ
F R2 00 R4 00 OCK S B 1 2

TO C3 0. S AT CL DIRE R1 00 K KL C O

GND 4

H3 MTHOLE6 H1 MTHOLE6 H2 MTHOLE6 H4 MTHOLE6 DD O BE CL L R8 V 00 **DUT GND R1 50 **T DD 3

E C V GND R1 TI 00
µ
F
µ
F TO 1 1 A 7 6 5 4 3 2 1 C4 0. C C1 0. J5 GND EN GND 2Y 2B 2A 1Y 1B 1A GND GND GND B A A B B U5 INF C D1 D0 GND GND GND GND D0 D1 GND 74LCX86 4 RE 3Y 3A 3B 4Y 4A
µ
F 4B VC C2 1 NCB 8 9 0. 10 11 12 13 14 E 36 35 34 33 32 31 30 29 28 27 26 25 A A D D B B DD V V DD 9

GND GND D1 D0 B GND V GND GND V GND D0 D1 E36 1 R4
µ
F 1k 3

0

1 C4 A D2 A B B 37 D2 D2 24 D2 A NCX L 0. R5 00 R5 00 E IN E35 A D3 A B B 38 D3 D3 23 D3 F VD GND L 7 A RE D4 A B B 39 D4 D4 22 D4
µ
F C2 1 B VD A D5 A B B 40 D5 D5 21 D5 0. A NCX D6 A B B 41 D6 D6 20 D6 2

4

E A R5 1k R5 1k D7 A B B 42 D7 D7 19 D7 L GND GND GND A VD D8 A B B 43 D8 D8 18 D8 GND U1 B 2
µ
F A(MSB) D9 A B B 44 D9 D9 17 (MSB) D9 C4 1
µ
F REF
µ
F + 0. C8 1 GND 45 GND GND 16 GND C6 1 6 0.
µ
F 0. EB DD DD 0 GND AD9218/AD9288 DD DD C2 TI V 46 V V 15 V 10

AV R5 A 51 B ENC A B B 47 ENC ENC 14 ENC REF + V D V D D D 48 V V 13 V 9
µ
F J2 C1 GND 10 A B NCODE /GAIN IN OUT IN DL E
µ
F A A S F F F B B
µ
F V + L L C7 1 IN IN IN IN C5 1 8 0. GND A A DF RE RE RE S1 S2 A A GND 0.
µ
F VD VD C1 10 1 2 3 4 5 6 7 8 9 10 11 12 E12 E15 DD + V 7 GND GND
µ
F D DD DL C1 V V V 10 GND GND D E1 E18 E17 E19 V E13 E14 GND GND 6

7

6
µ
F R4 1k R4 1k E20 C1 10 P5 P6 P7 GND L A +5V ++ E24 E22 8 AT EFA VD
µ
F C3 KL VR 10 E29 + GND DRA CL –5V 5
µ
F VD 7 0
µ
F 1
Ω Ω
C2 E25 E30 GND C3 0. 10 R1 00 R9 00 0
µ
F
µ
F 1 E27 0 9 C1 C9 1
µ
F
µ
F 0. 9 8 0. E2 VD GND 14 13 12 11 10 C3 1 1 0. C3 0. UT E23 E26 V C O 4B 4A 4Y 3B 3A 3Y F GND –5 +5V GND VC E28 RE GND U6

VD 8

1 2 3 4 R6 74LCX86 25 R3 25 1A 1B 1Y 2A 2B 2Y GND 1 2 3 4 5 6 7 P11
Ω Ω
7 6
Ω Ω
R4 R5 A 00 00 D D R3 00 R3 00 B B A A AB BB UT UT REF REF GND O UT NDE NDE UT O V V GND GND NCX

GND GND

O O 4

GND GND 2

E R1 R2 -E -E NCA E E AMP 36 36 R3 36 R3 36 AMP E AMP AMP E4 4

GND 1 2 3 4 3

INGL INGL 5

R4 1k R3 00 6 5 6 5 R3 00 R S R S P4 E3 T2 T1 2

3

L 1 2 34 GND 1 2 34 R4 00 R4 00 VD 1
µ
F 4 1
µ
F
µ
F 2 3 5
µ
F
µ
F
µ
F 1 1 1 1 1 1 DL DD D C1 0. C1 C3 0. 0. C1 C1 C1 0. 0. 0. V V GND V A GND D** 9 **

1

E R3 1k R4 1k INA INB RE NCX E E L 1 2 3 4 ABL F VD GND

GND GND AMP AMP

T C R3 50 R7 50 0 E
µ
F P1 1 L C4 E 0. GND GND OR BUF CT EA AIN A AIN B TI OCK S 1 GND

J4 J1 GND GND R1 50 CL DIRE A O BE J3 **DUT GND **T NCODE E
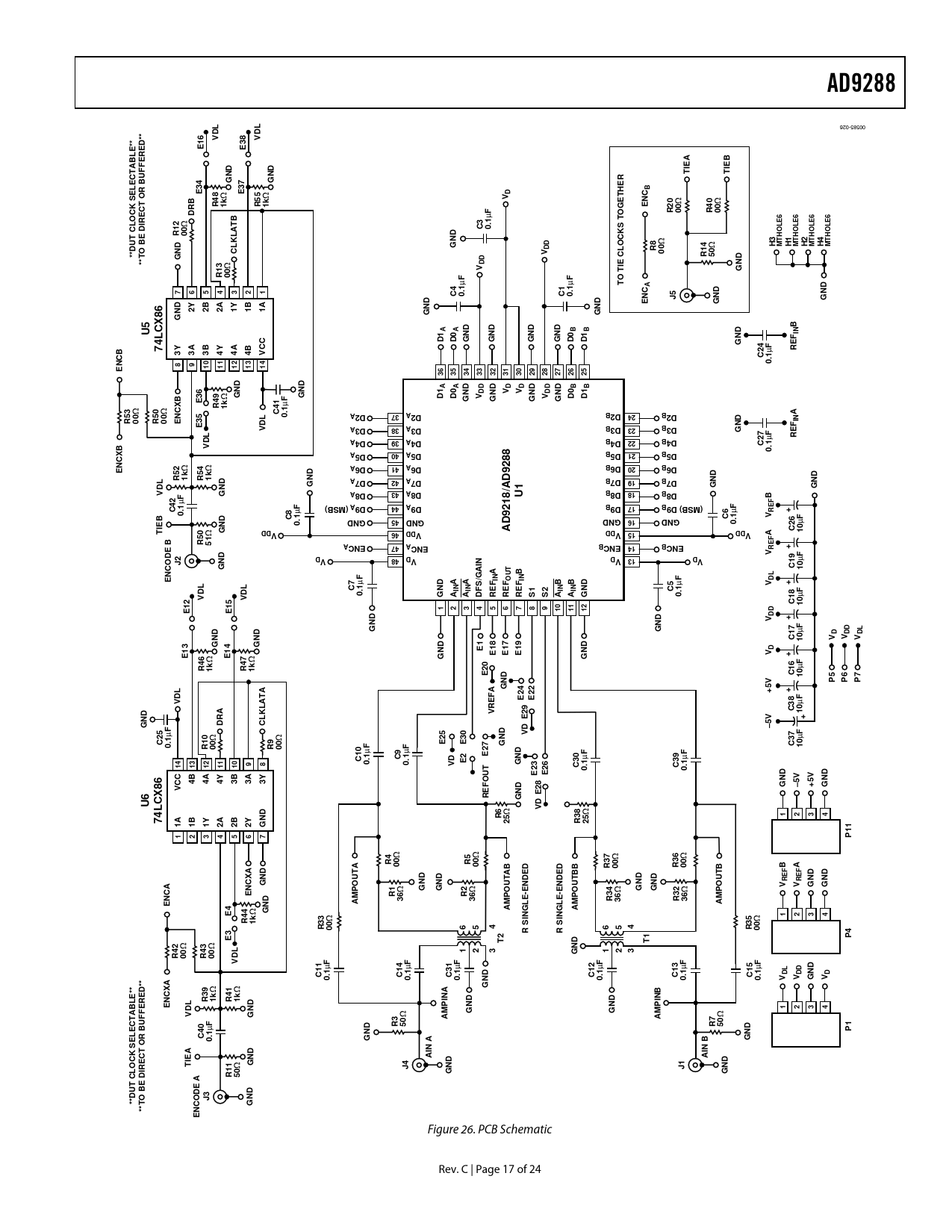
Figure 26. PCB Schematic Rev. C | Page 17 of 24 Document Outline FEATURES APPLICATIONS GENERAL DESCRIPTION FUNCTIONAL BLOCK DIAGRAM SPECIFICATIONS EXPLANATION OF TEST LEVELS TIMING DIAGRAMS ABSOLUTE MAXIMUM RATINGS ESD CAUTION PIN CONFIGURATION AND FUNCTION DESCRIPTIONS TYPICAL PERFORMANCE CHARACTERISTICS TEST CIRCUITS TERMINOLOGY THEORY OF OPERATION USING THE AD9288 ENCODE INPUT DIGITAL OUTPUTS ANALOG INPUT VOLTAGE REFERENCE TIMING USER-SELECTABLE OPTIONS AD9218/AD9288 CUSTOMER PCB BOM EVALUATION BOARD POWER CONNECTOR ANALOG INPUTS VOLTAGE REFERENCE CLOCKING DATA OUTPUTS DATA FORMAT/GAIN TIMING TROUBLESHOOTING OUTLINE DIMENSIONS ORDERING GUIDE