Datasheet AD9283 (Analog Devices) - 6
| Manufacturer | Analog Devices |
| Description | 8-Bit, 50 MSPS/80 MSPS/100 MSPS ADC |
| Pages / Page | 13 / 6 — AD9283. SAMPLE N. SAMPLE N+1. SAMPLE N+4. SAMPLE N+5. AIN. SAMPLE N+2. … |
| Revision | C |
| File Format / Size | PDF / 281 Kb |
| Document Language | English |
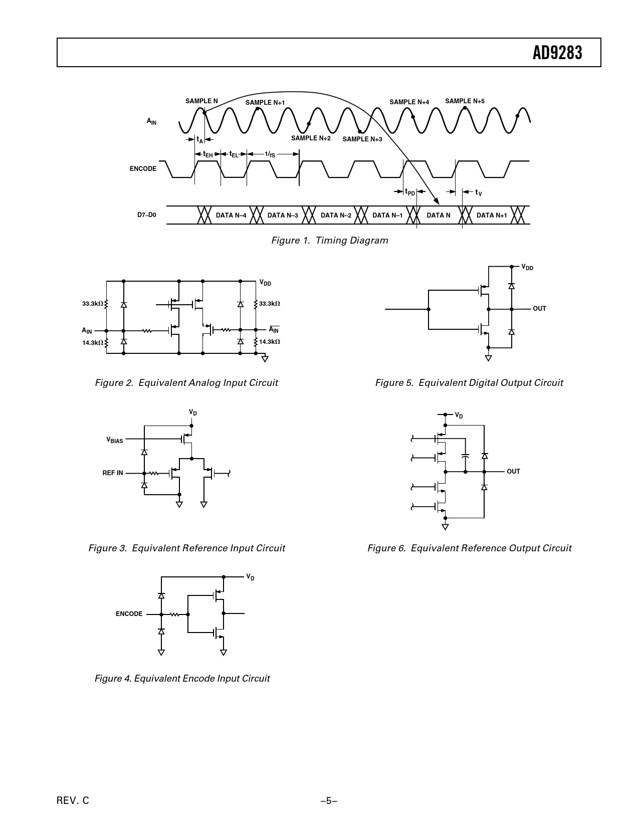
AD9283. SAMPLE N. SAMPLE N+1. SAMPLE N+4. SAMPLE N+5. AIN. SAMPLE N+2. SAMPLE N+3. ENCODE. tPD. t V. D7–D0. DATA N–4. DATA N–3. DATA N–2. DATA N–1

Model Line for this Datasheet
Text Version of Document
AD9283 SAMPLE N SAMPLE N+1 SAMPLE N+4 SAMPLE N+5 AIN t SAMPLE N+2 SAMPLE N+3 A t t 1/ EH EL fS ENCODE tPD t V D7–D0 DATA N–4 DATA N–3 DATA N–2 DATA N–1 DATA N DATA N+1
Figure 1. Timing Diagram
VDD VDD 33.3k
⍀
33.3k
⍀
OUT A A IN IN 14.3k
⍀
14.3k
⍀ Figure 2. Equivalent Analog Input Circuit Figure 5. Equivalent Digital Output Circuit
VD VD VBIAS REF IN OUT
Figure 3. Equivalent Reference Input Circuit Figure 6. Equivalent Reference Output Circuit
VD ENCODE
Figure 4. Equivalent Encode Input Circuit REV. C –5–