News
Articles
Biblio
Circuits
Datasheets
Sites
Devices
Prices
More
News
Articles
Biblio
Datasheets
Sites
Devices
e-Newsletter Subscription
Authors
Only-Datasheet.com
About us
For Authors
Cooperation
Advertising
Contacts
ru - Русский
de - Deutsch
es - Espanol
zh - 中文
Search
Datasheets
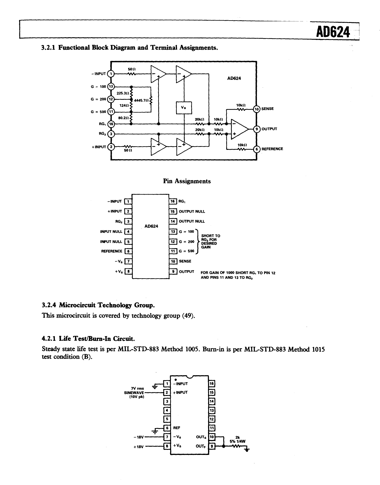
Datasheet AD624 (Analog Devices)
Datasheet AD624 (Analog Devices) - 3
Manufacturer
Analog Devices
Description
Precision Instrumentation Amplifier
Pages / Page
3
/
3
Revision
A
File Format / Size
PDF
/
111 Kb
Document Language
English
1
2
3
Download PDF
1
2
3
Model Line for this Datasheet
AD624
AD624ACHIPS
AD624ADZ
AD624BDZ
AD624CDZ
AD624SCHIPS
AD624SD
AD624SD/883B
Subscribe e-Newsletter to Stay Informed on New Materials of Our Website!
Slices
Microcontrollers
e-Newsletter Subscription
Contacts
Privacy Policy
Change Privacy Settings