Datasheet AD8302 (Analog Devices) - 6

ManufacturerAnalog Devices
DescriptionLF–2.7 GHz RF/IF Gain and Phase Detector
Pages / Page25 / 6 — AD8302. VPOS. 100mV. INPA(INPB). 750. VMAG. ON TO. (VPHS). OFSA(OFSB). …
RevisionB
File Format / SizePDF / 603 Kb
Document LanguageEnglish

AD8302. VPOS. 100mV. INPA(INPB). 750. VMAG. ON TO. (VPHS). OFSA(OFSB). LOG-AMP. CLASS A-B. 10pF. CONTROL. COMM. MFLT. VREF. MSET. 10k. (PFLT). (PSET). 1.5pF

AD8302 VPOS 100mV INPA(INPB) 750 VMAG ON TO (VPHS) OFSA(OFSB) LOG-AMP CLASS A-B 10pF CONTROL COMM MFLT VREF MSET 10k (PFLT) (PSET) 1.5pF

Model Line for this Datasheet

AD8302

Text Version of Document

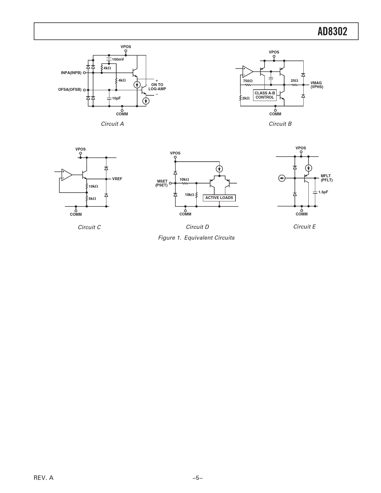
AD8302 VPOS VPOS 100mV 4k

INPA(INPB) 4k

+ 750

25

VMAG ON TO (VPHS) OFSA(OFSB) LOG-AMP CLASS A-B 10pF 2k

CONTROL COMM COMM
Circuit A Circuit B
VPOS VPOS VPOS MFLT VREF MSET 10k

(PFLT) 10k

(PSET) 1.5pF 10k

5k

ACTIVE LOADS COMM COMM COMM
Circuit C Circuit D Circuit E Figure 1. Equivalent Circuits REV. A –5– Document Outline FEATURES PRODUCT DESCRIPTION FUNCTIONAL BLOCK DIAGRAM SPECIFICATIONS ABSOLUTE MAXIMUM RATINGS PIN CONFIGURATION PIN FUNCTION DESCRIPTIONS ORDERING GUIDE CAUTION Equivalent Circuits Typical Performance Characteristics GENERAL DESCRIPTION AND THEORY Basic Theory Structure BASIC CONNECTIONS Measurement Mode Interfacing to the Input Channels Dynamic Range Cross Modulation of Magnitude and Phase Modifying the Slope and Center Point Comparator and Controller Modes APPLICATIONS Measuring Amplifier Gain and Compression CHARACTERIZATION SETUPS AND METHODS Gain Phase OUTLINE DIMENSIONS