Datasheet LTC2950-1, LTC2950-2 (Linear Technology) - 7
| Manufacturer | Linear Technology |
| Description | Push Button On/Off Controller |
| Pages / Page | 18 / 7 — block DiagraM. TiMing DiagraMs |
| Revision | D |
| File Format / Size | PDF / 233 Kb |
| Document Language | English |
block DiagraM. TiMing DiagraMs

Model Line for this Datasheet
Text Version of Document
LTC2950-1/LTC2950-2
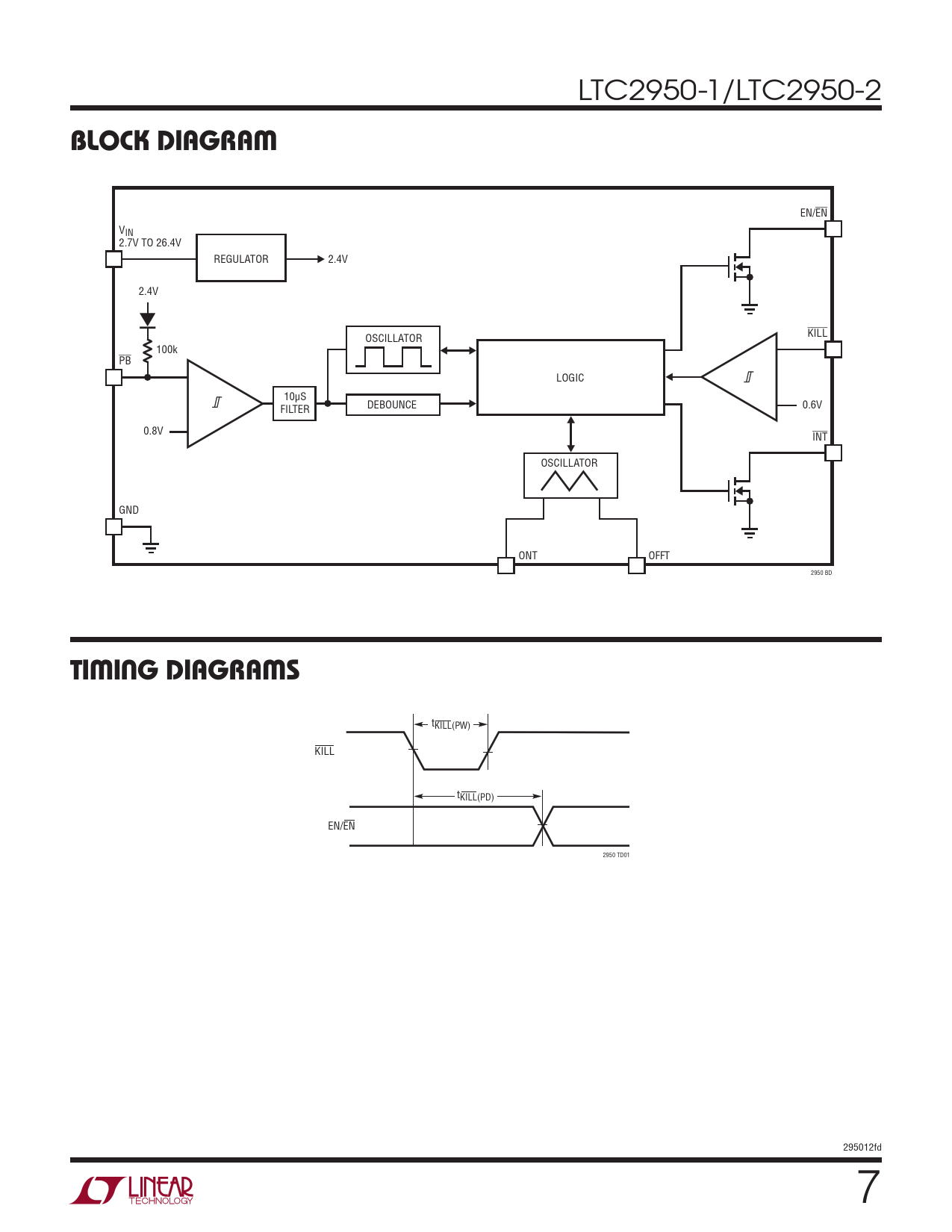
block DiagraM
EN/EN VIN 2.7V TO 26.4V REGULATOR 2.4V 2.4V OSCILLATOR KILL 100k PB LOGIC 10µS DEBOUNCE 0.6V FILTER 0.8V INT OSCILLATOR GND ONT OFFT 2950 BD
TiMing DiagraMs
tKILL(PW) KILL tKILL(PD) EN/EN 2950 TD01 295012fd 7 Document Outline Features Applications Description Typical Application Absolute Maximum Ratings Pin Configuration Order Information Electrical Characteristics Typical Performance Characteristics Pin Functions Block Diagram Timing Diagrams Applications Information Typical Applications Package Description Revision History Typical Application Related Parts