Datasheet LTC2951-1, LTC2951-2 (Linear Technology) - 7
| Manufacturer | Linear Technology |
| Description | Push Button On/Off Controller |
| Pages / Page | 20 / 7 — BLOCK DIAGRAM |
| Revision | B |
| File Format / Size | PDF / 1.8 Mb |
| Document Language | English |
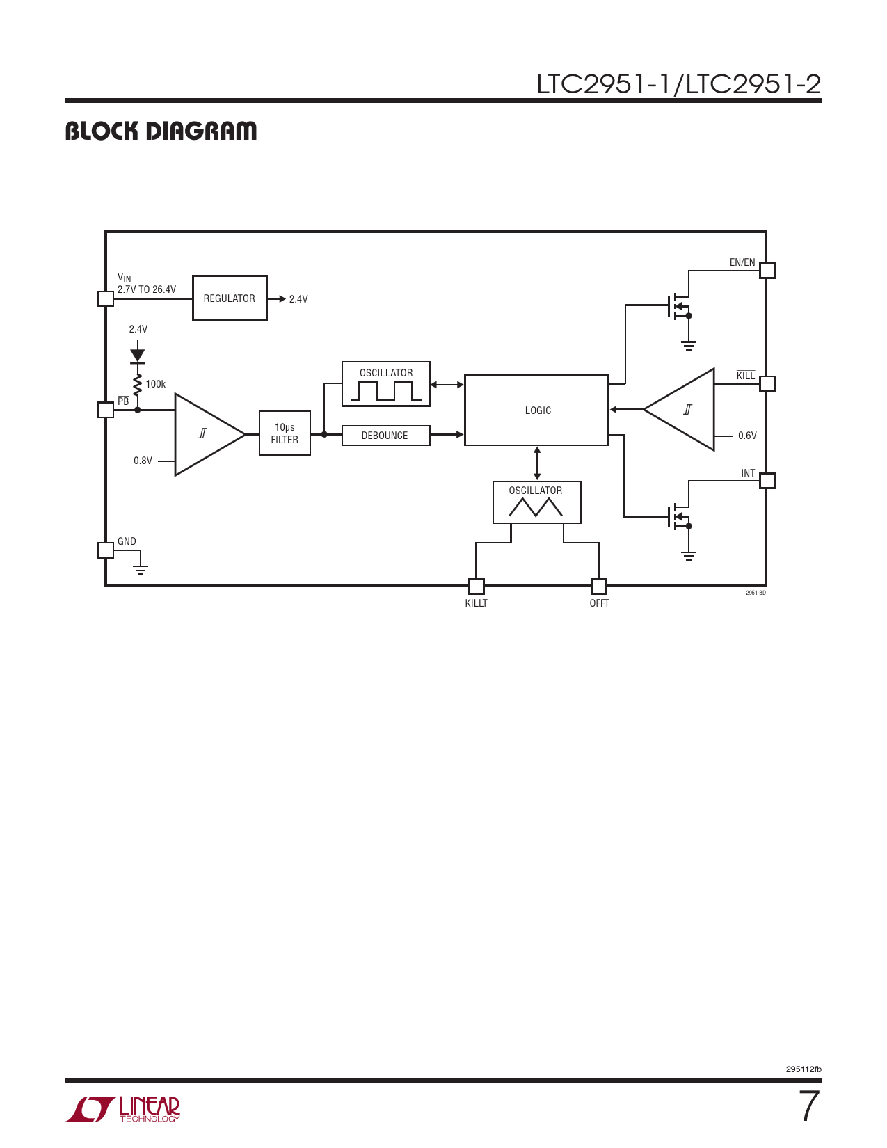
BLOCK DIAGRAM

Model Line for this Datasheet
Text Version of Document
LTC2951-1/LTC2951-2
BLOCK DIAGRAM
EN/EN VIN 2.7V TO 26.4V REGULATOR 2.4V 2.4V OSCILLATOR KILL 100k PB LOGIC 10µs DEBOUNCE 0.6V FILTER 0.8V INT OSCILLATOR GND 2951 BD KILLT OFFT 295112fb 7 Document Outline Features Applications Description Typical Application Absolute Maximum Ratings Pin Configuration Order information Electrical Characteristics Typical Performance Characteristics Pin Functions Block Diagram Timing Diagrams Applications Information Typical Applications Package Description Revision History Typical Application Related Parts