Datasheet LTC4310-1, LTC4310-2 (Analog Devices) - 7
| Manufacturer | Analog Devices |
| Description | Hot-Swappable I2C Isolators |
| Pages / Page | 20 / 7 — FuncTional DiagraM |
| File Format / Size | PDF / 241 Kb |
| Document Language | English |
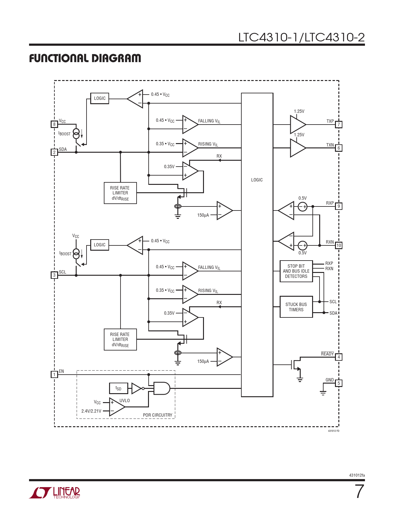
FuncTional DiagraM

Model Line for this Datasheet
Text Version of Document
LTC4310-1/LTC4310-2
FuncTional DiagraM
+ 0.45 • VCC LOGIC – 1.25V V 0.45 • V CC CC + FALLING VIL TXP 8 – 7 IBOOST 1.25V 0.35 • VCC + RISING VIL TXN SDA 6 2 – RX 0.35V – + LOGIC RISE RATE LIMITER dV/dtRISE 0.5V + RXP + – + 9 150µA – – VCC – + 0.45 • VCC LOGIC RXN + – + – 10 IBOOST 0.5V RXP 0.45 • VCC + FALLING V STOP BIT IL RXN SCL AND BUS IDLE 3 – DETECTORS 0.35 • VCC + RISING VIL – RX STUCK BUS SCL TIMERS 0.35V – SDA + RISE RATE LIMITER dV/dtRISE + READY 4 150µA – EN 1 GND 5 tSD UVLO VCC + 2.4V/2.21V – POR CIRCUITRY 431012 FD 431012fa 7 Document Outline Features Applications Description Typical Application Absolute Maximum Ratings Pin Configuration Order Information Electrical Characteristics Typical Performance Characteristics Pin Functions Functional Diagram Operation Applications Information Package Description Revision History Typical Application Related Parts