Datasheet LTC4304 (Analog Devices) - 6
| Manufacturer | Analog Devices |
| Description | Hot Swappable 2-Wire Bus Buffer with Stuck Bus Recovery |
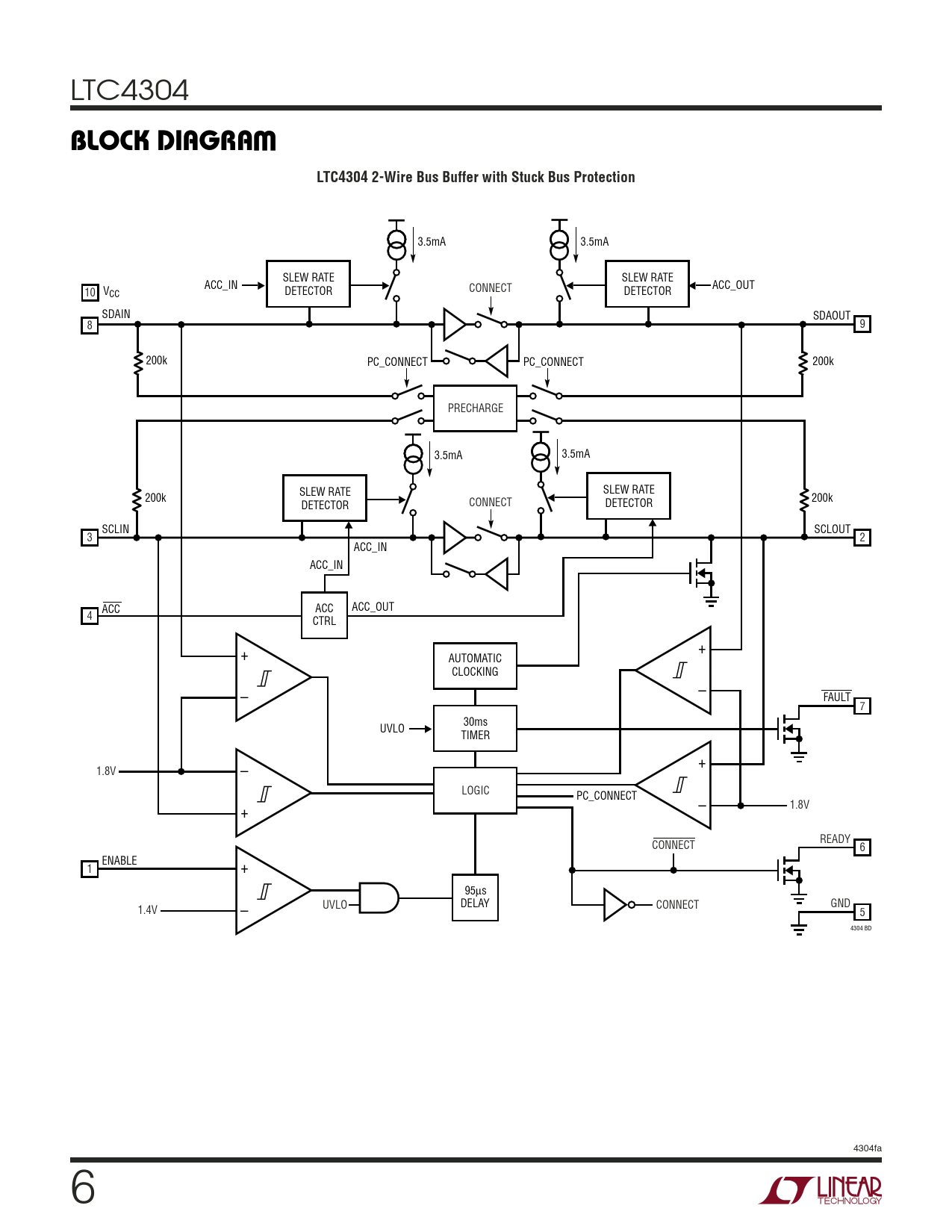
| Pages / Page | 16 / 6 — BLOCK DIAGRA. LTC4304 2-Wire Bus Buffer with Stuck Bus Protection |
| File Format / Size | PDF / 660 Kb |
| Document Language | English |
BLOCK DIAGRA. LTC4304 2-Wire Bus Buffer with Stuck Bus Protection

Model Line for this Datasheet
Text Version of Document
LTC4304
W BLOCK DIAGRA LTC4304 2-Wire Bus Buffer with Stuck Bus Protection
3.5mA 3.5mA SLEW RATE SLEW RATE ACC_IN CONNECT ACC_OUT 10 VCC DETECTOR DETECTOR SDAIN SDAOUT 8 9 200k PC_CONNECT PC_CONNECT 200k PRECHARGE 3.5mA 3.5mA SLEW RATE SLEW RATE 200k CONNECT 200k DETECTOR DETECTOR SCLIN SCLOUT 3 2 ACC_IN ACC_IN ACC ACC ACC_OUT 4 CTRL + + AUTOMATIC CLOCKING – – FAULT 7 30ms UVLO TIMER + 1.8V – LOGIC PC_CONNECT – 1.8V + READY CONNECT 6 ENABLE 1 + 95µs UVLO DELAY CONNECT GND 1.4V – 5 4304 BD 4304fa 6