Datasheet LTC4306 (Analog Devices) - 7
| Manufacturer | Analog Devices |
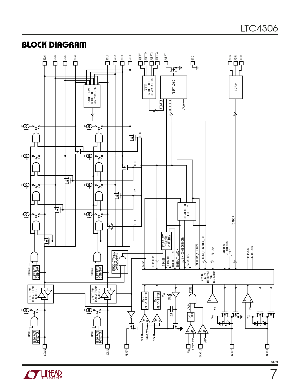
| Description | 4-Channel, 2-Wire Bus Multiplexer with Capacitance Buffering |
| Pages / Page | 20 / 7 — BLOCK DIAGRA |
| File Format / Size | PDF / 275 Kb |
| Document Language | English |
BLOCK DIAGRA

Model Line for this Datasheet
Text Version of Document
LTC4306
W BLOCK DIAGRA
SDA1 SDA2 SDA3 SDA4 SCL1 SCL2 SCL3 SCL4 ALERT1 ALERT2 ALERT3 ALERT4 ALERT GND ADR2 ADR1 ADR0 ALERT 1 OF 27 ALERT LOGIC 1V THRESHOLD COMPARATORS DOWNSTREAM 1V THRESHOLD COMPARATORS AL1-AL4 UVLO FET1-FET4 4 4 4 5 FET4 FET3 FET2 CONNECTION CIRCUITRY FET1 C ADDR2I TIMEOUT STUCK LOW CIRCUITRY ADDRESS FIXED BITS “10” AL1-AL4 INACC OUTACC CH1CONN-CH4CONN BUS1_LOG-BUS4_LOG 4 4 4 4 5 CONN FET1-FET4 TIMSET1 TIMSET0 CONN_REQ TIMEOUT_REAL TIMEOUT_LATCH FAILCONN_ATTEMPT COMPARATORS STUCK LOW 0.52V OUTACC OUTACC SLEW RATE DETECTOR SLEW RATE DETECTOR AND 2-WIRE DIGITAL INTERFACE REGISTERS PORB CCV BUFFERS BUFFERS UPSTREAM UPSTREAM 50k DOWNSTREAM DOWNSTREAM + – + – 100ns 100ns GLITCH FILTER GLITCH FILTER UVLO 1V 1V 2pF µs CC CC 1 V V + – + – FILTER + – + – INACC INACC SCLIN 1.6V/1.52V SDAIN SLEW RATE DETECTOR SLEW RATE DETECTOR 1.1V/1V 2.5V/2.35V CCV SDAIN SCLIN READY GPIO2 GPIO1 ENABLE 4306f 7