Datasheet LTC4314 (Analog Devices) - 7
| Manufacturer | Analog Devices |
| Description | Pin-Selectable, 4-Channel, 2-Wire Multiplexer with Bus Buffers |
| Pages / Page | 20 / 7 — BLOCK DIAGRAM |
| File Format / Size | PDF / 207 Kb |
| Document Language | English |
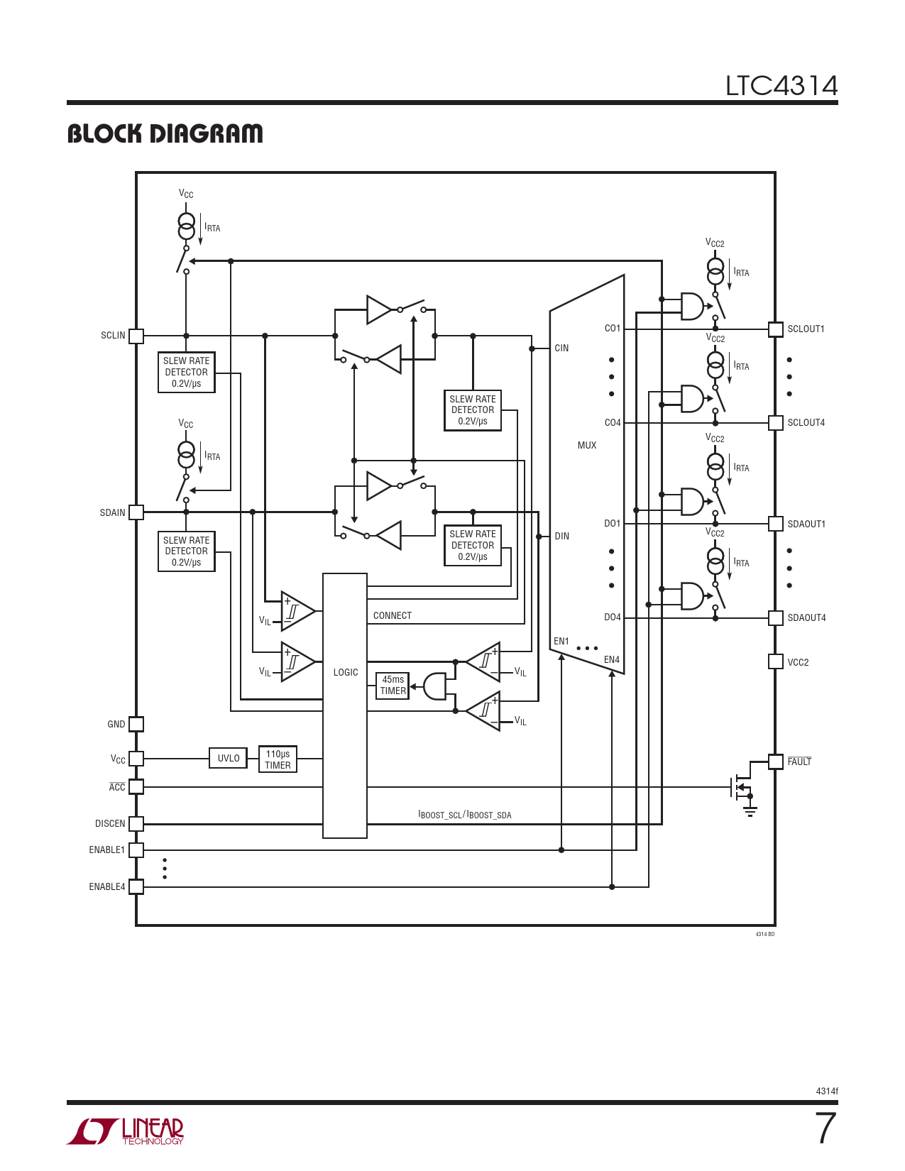
BLOCK DIAGRAM

Model Line for this Datasheet
Text Version of Document
LTC4314
BLOCK DIAGRAM
VCC IRTA VCC2 IRTA CO1 SCLOUT1 SCLIN VCC2 CIN tt tt SLEW RATE IRTA DETECTOR t t 0.2V/μs SLEW RATE DETECTOR VCC 0.2V/μs CO4 SCLOUT4 VCC2 MUX IRTA IRTA SDAIN DO1 SDAOUT1 V SLEW RATE DIN CC2 SLEW RATE DETECTOR tt tt DETECTOR 0.2V/μs 0.2V/μs I t RTA t + V CONNECT DO4 SDAOUT4 IL – EN1 + + t t t EN4 VCC2 VIL – LOGIC VIL – 45ms TIMER + GND VIL – V UVLO 110μs CC TIMER FAULT ACC IBOOST_SCL/IBOOST_SDA DISCEN ENABLE1 ttt ENABLE4 4314 BD 4314f 7