Datasheet LT1336 (Analog Devices) - 8
| Manufacturer | Analog Devices |
| Description | Half-Bridge N-Channel Power MOSFET Driver with Boost Regulator |
| Pages / Page | 20 / 8 — FuncTional DiagraM |
| File Format / Size | PDF / 268 Kb |
| Document Language | English |
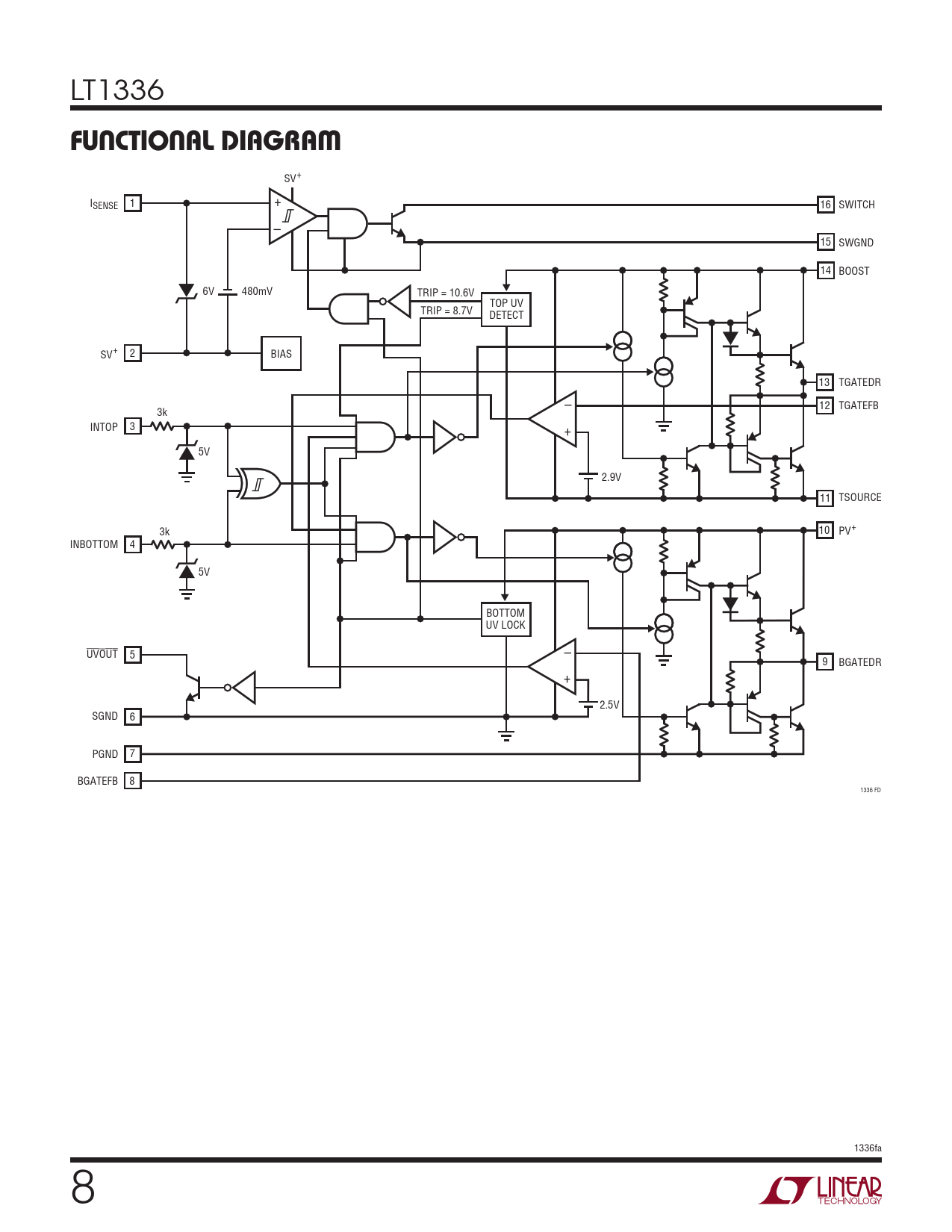
FuncTional DiagraM

Model Line for this Datasheet
Text Version of Document
LT1336
FuncTional DiagraM
SV+ ISENSE 1 + 16 SWITCH – 15 SWGND 14 BOOST 6V 480mV TRIP = 10.6V TOP UV TRIP = 8.7V DETECT SV+ 2 BIAS 13 TGATEDR – 12 TGATEFB 3k INTOP 3 + 5V 2.9V 11 TSOURCE 3k 10 PV+ INBOTTOM 4 5V BOTTOM UV LOCK – UVOUT 5 9 BGATEDR + 2.5V SGND 6 PGND 7 BGATEFB 8 1336 FD 1336fa 8 Document Outline Features Applications Description Typical Application Absolute Maximum Ratings Pin Configuration Order Information Electrical Characteristics Typical Performance Characteristics Pin Functions Functional Diagram Test Circuit Timing Diagram Operation Applications Information Typical Applications Package Description Revision History Typical Application Related Parts