Datasheet TC4431, TC4432 (Microchip) - 2
| Manufacturer | Microchip |
| Description | 1.5A High-Speed 30V MOSFET Drivers |
| Pages / Page | 18 / 2 — TC4431/TC4432. Functional Block Diagram. TC4431. TC4432. Inverting/Non … |
| Revision | 01-11-2008 |
| File Format / Size | PDF / 279 Kb |
| Document Language | English |
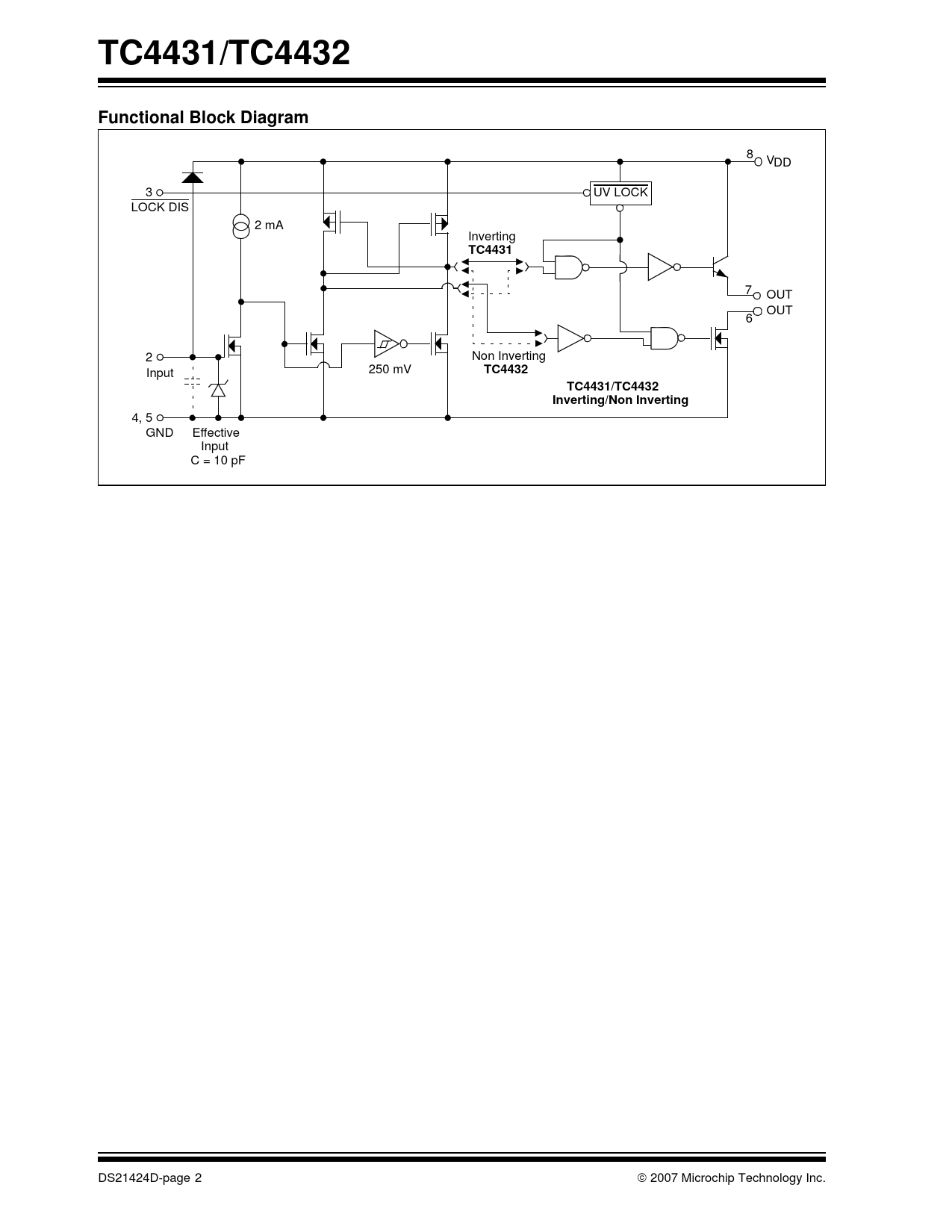
TC4431/TC4432. Functional Block Diagram. TC4431. TC4432. Inverting/Non Inverting

Model Line for this Datasheet
Text Version of Document
TC4431/TC4432 Functional Block Diagram
8 VDD 3 UV LOCK LOCK DIS 2 mA Inverting
TC4431
7 OUT OUT 6 2 Non Inverting Input 250 mV
TC4432 TC4431/TC4432 Inverting/Non Inverting
4, 5 GND Effective Input C = 10 pF DS21424D-page 2 © 2007 Microchip Technology Inc. Document Outline 1.0 Electrical Characteristics 2.0 Typical Performance Curves FIGURE 2-1: Supply Current vs. Capacitive Load. FIGURE 2-2: Input Current vs. Input Voltage. FIGURE 2-3: Rise/Fall Time vs. VDD. FIGURE 2-4: tD1 and tD2 Delay vs. VDD. 3.0 Pin Descriptions TABLE 3-1: Pin Function Table 3.1 Supply Input (VDD) 3.2 Control Input (IN) 3.3 Lockout Disable (LOCK DIS) 3.4 Ground (GND) 3.5 Drive Output (OUT) 4.0 Applications Information FIGURE 4-1: Switching Time Test Circuit. 5.0 Packaging Information 5.1 Package Marking Information