Datasheet LTC7149 (Analog Devices) - 8
| Manufacturer | Analog Devices |
| Description | 60V, 4A Synchronous Step-Down Regulator for Inverting Outputs |
| Pages / Page | 26 / 8 — LTC7149. FUNCTIONAL. DIAGRAM. BOOST. VIN. INTVCC. 1/50k. VIN. … |
| File Format / Size | PDF / 482 Kb |
| Document Language | English |
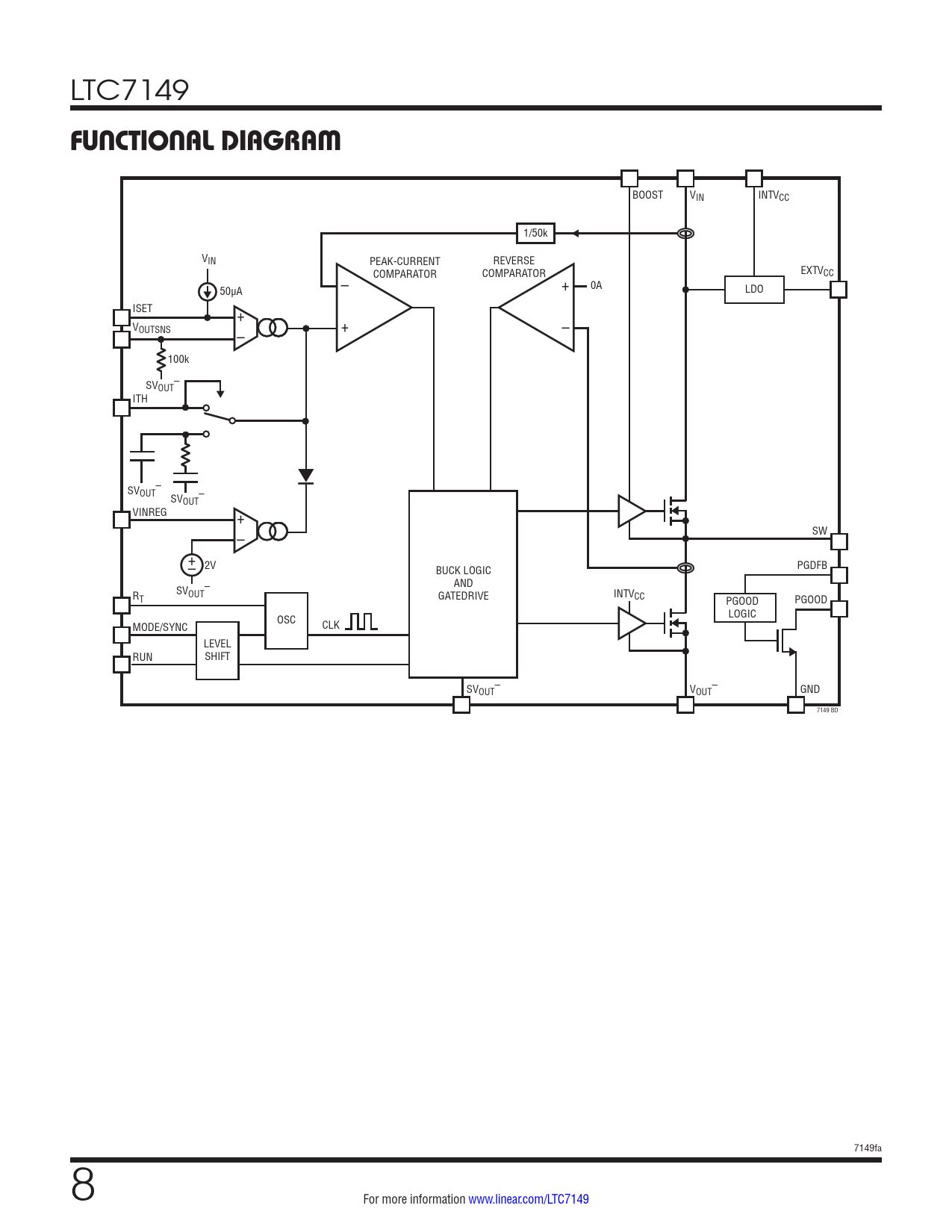
LTC7149. FUNCTIONAL. DIAGRAM. BOOST. VIN. INTVCC. 1/50k. VIN. PEAK-CURRENT. REVERSE. –. EXTV. COMPARATOR. COMPARATOR. CC. +. 0A. 50µA. LDO. ISET. +. +. VOUTSNS. –. –

Model Line for this Datasheet
Text Version of Document
LTC7149 FUNCTIONAL DIAGRAM BOOST VIN INTVCC 1/50k VIN PEAK-CURRENT REVERSE – EXTV COMPARATOR COMPARATOR CC + 0A 50µA LDO ISET + + VOUTSNS – – 100k SV – OUT ITH SV – OUT SV – OUT VINREG + – SW +– 2V BUCK LOGIC PGDFB AND – R SV T OUT GATEDRIVE INTVCC PGOOD PGOOD OSC LOGIC MODE/SYNC CLK LEVEL RUN SHIFT SV – – OUT VOUT GND 7149 BD 7149fa 8 For more information www.linear.com/LTC7149