Datasheet LT3999 (Analog Devices) - 6
| Manufacturer | Analog Devices |
| Description | Low Noise, 1A, 1MHz Push-Pull DC/DC Driver with Duty Cycle Control |
| Pages / Page | 16 / 6 — BLOCK DIAGRAM |
| File Format / Size | PDF / 310 Kb |
| Document Language | English |
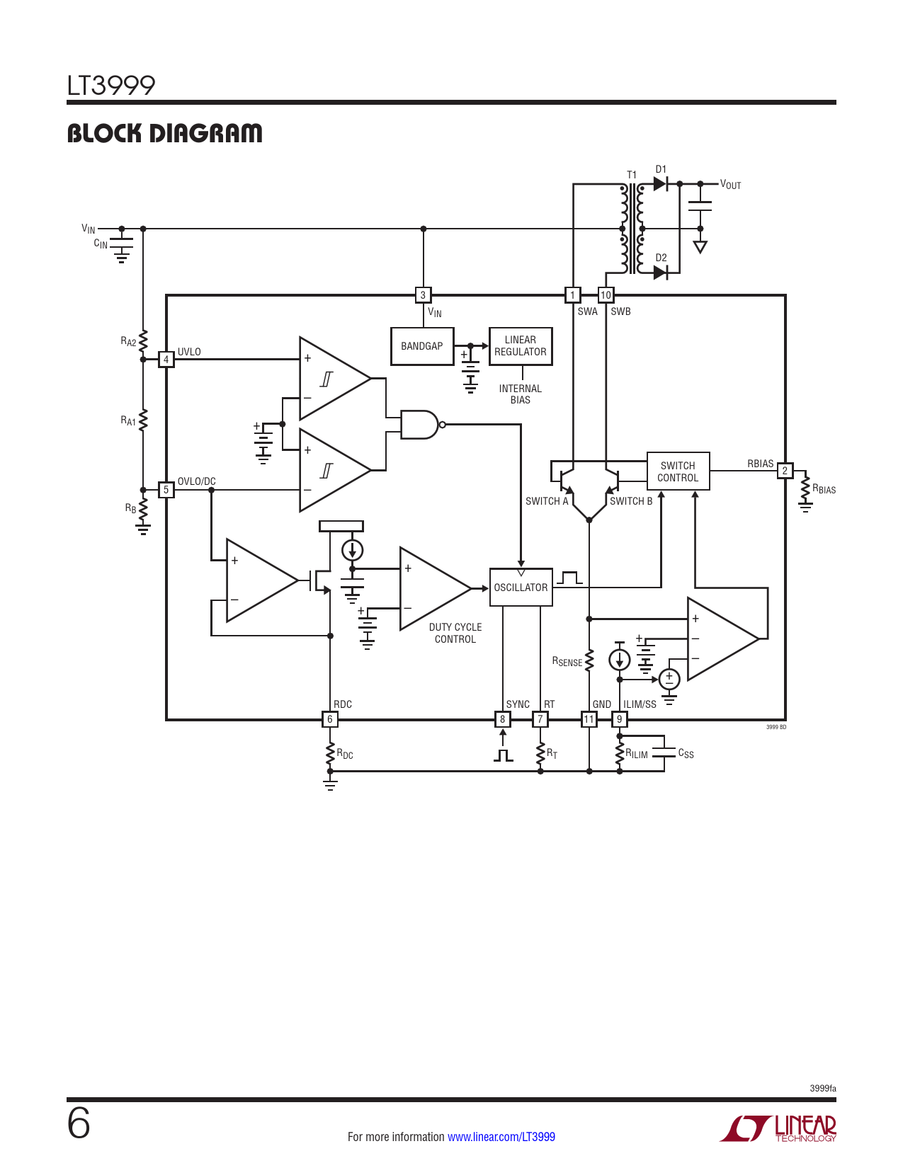
BLOCK DIAGRAM

Model Line for this Datasheet
Text Version of Document
LT3999
BLOCK DIAGRAM
D1 T1 VOUT • • VINC • • IN D2 3 1 10 VIN SWA SWB R LINEAR A2 BANDGAP UVLO + + REGULATOR 4 INTERNAL – BIAS RA1 + + SWITCH RBIAS 2 CONTROL OVLO/DC 5 R – BIAS SWITCH A SWITCH B RB + + OSCILLATOR – + – + DUTY CYCLE CONTROL + – RSENSE – +– RDC SYNC RT GND ILIM/SS 6 8 7 11 9 3999 BD R R DC RT ILIM CSS 3999fa 6 For more information www.linear.com/LT3999 Document Outline Features Applications Description Typical Application Absolute Maximum Ratings Pin Configuration Order Information Electrical Characteristics Typical Performance Characteristics Pin Functions Block Diagram Operation Applications Information Package Description Typical Application Related Parts