Datasheet LT3511 (Analog Devices) - 6
| Manufacturer | Analog Devices |
| Description | Monolithic High Voltage Isolated Flyback Converter |
| Pages / Page | 26 / 6 — BLOCK DIAGRAM |
| File Format / Size | PDF / 265 Kb |
| Document Language | English |
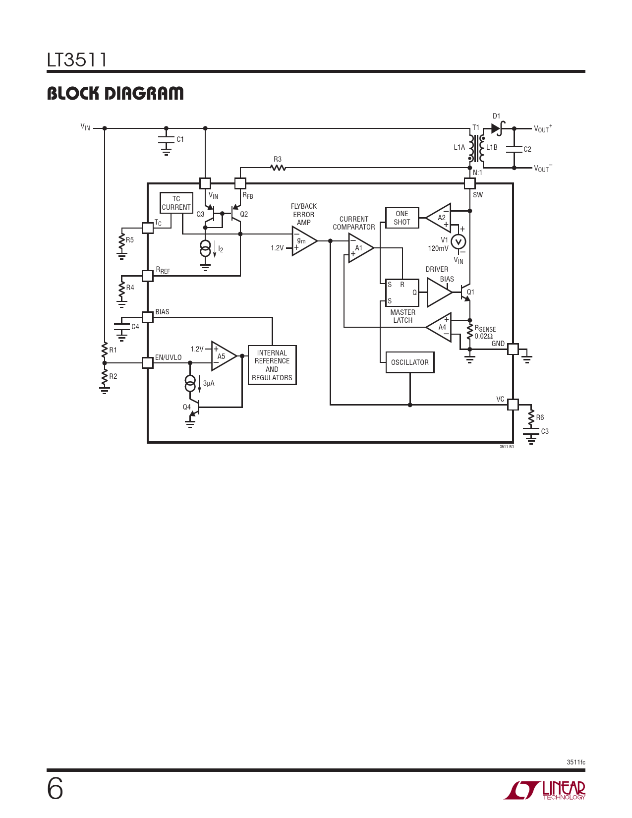
BLOCK DIAGRAM

Model Line for this Datasheet
Text Version of Document
LT3511
BLOCK DIAGRAM
D1 VIN T1 V + OUT C1 L1A L1B C2 R3 V – OUT N:1 VIN R SW TC FB CURRENT FLYBACK Q3 Q2 ERROR ONE – CURRENT A2 TC AMP SHOT COMPARATOR + + – R5 gm V1 – I 1.2V + A1 120mV 2 + – VIN R DRIVER REF BIAS R4 S R Q Q1 S BIAS MASTER LATCH + C4 A4 RSENSE – 0.02Ω GND R1 1.2V + INTERNAL EN/UVLO A5 REFERENCE – OSCILLATOR AND R2 REGULATORS 3μA VC Q4 R6 C3 3511 BD 3511fc 6