Datasheet LT3574 (Analog Devices) - 6
| Manufacturer | Analog Devices |
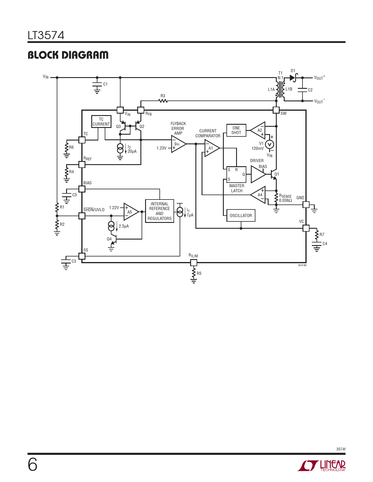
| Description | Isolated Flyback Converter Without an Opto-Coupler |
| Pages / Page | 24 / 6 — LT3574. block. DiagraM. D1. T1. VIN. N:1. V. +. OUT. C1. •. L1A. L1B. C2. … |
| File Format / Size | PDF / 296 Kb |
| Document Language | English |
LT3574. block. DiagraM. D1. T1. VIN. N:1. V. +. OUT. C1. •. L1A. L1B. C2. R3. •. V. –. OUT. VIN. RFB. SW. TC. CURRENT. FLYBACK. Q3. Q2. ERROR. ONE. –A2. TC. AMP. CURRENT. SHOT. COMPARATOR. +. –

Model Line for this Datasheet
Text Version of Document
LT3574 block DiagraM D1 T1 VIN N:1 V + OUT C1 • L1A L1B C2 R3 • V – OUT VIN RFB SW TC CURRENT FLYBACK Q3 Q2 ERROR ONE –A2 TC AMP CURRENT SHOT COMPARATOR + – + gm – V1 R6 I2 1.23V + A1 120mV 20µA + – VIN RREF DRIVER BIAS R4 S R Q Q1 S BIAS MASTER LATCH + C5 A4 RSENSE GND – 0.036Ω INTERNAL R1 1.22V + SHDN/UVLO REFERENCE I1 AND 7µA –A5 OSCILLATOR REGULATORS VC R2 2.5µA R7 Q4 C4 SS RILIM C3 3574 BD R5 3574f Document Outline Features Applications Description Typical Application Absolute Maximum Ratings Pin Configuration order information Electrical Characteristics Typical Performance Characteristics Pin Functions block diagram Operation Applications Information typical Applications Package Description Typical Application Related Parts