Datasheet LT3573 (Analog Devices) - 6
| Manufacturer | Analog Devices |
| Description | Isolated Flyback Converter without an Opto-Coupler |
| Pages / Page | 26 / 6 — BLOCK DIAGRAM |
| File Format / Size | PDF / 282 Kb |
| Document Language | English |
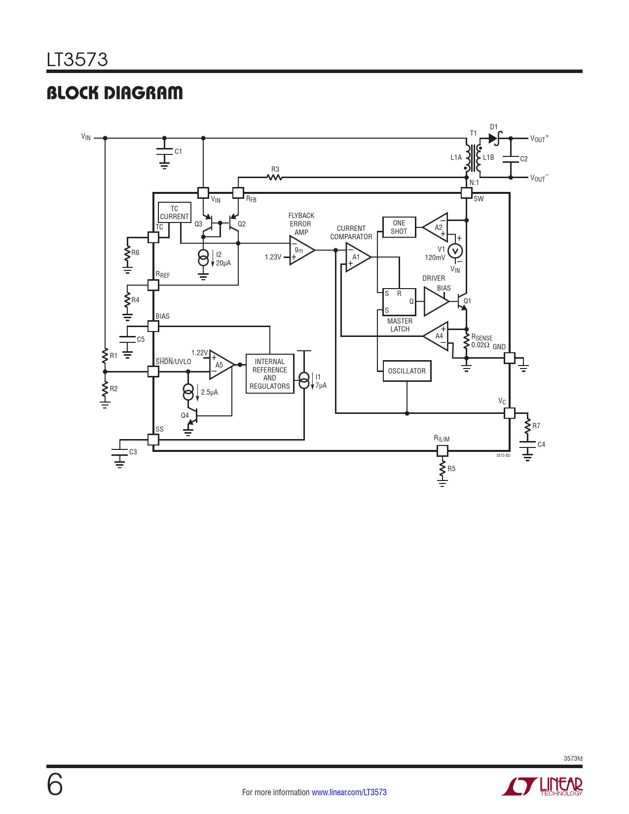
BLOCK DIAGRAM

Model Line for this Datasheet
Text Version of Document
LT3573
BLOCK DIAGRAM
D1 V T1 IN V + OUT C1 L1A L1B C2 R3 V – OUT N:1 VIN RFB SW TC CURRENT FLYBACK Q3 Q2 ERROR – TC ONE A2 AMP CURRENT SHOT COMPARATOR + – + R6 gm – V1 I2 1.23V + A1 120mV 20µA + – VIN RREF DRIVER BIAS S R R4 Q Q1 S BIAS MASTER LATCH +A4 R C5 SENSE – 0.02Ω GND R1 1.22V + SHDN/UVLO INTERNAL REFERENCE –A5 OSCILLATOR AND I1 R2 REGULATORS 7µA 2.5µA VC Q4 SS R7 RILIM C4 C3 3573 BD R5 3573fd 6 For more information www.linear.com/LT3573 Document Outline Features Applications Description Typical Application Absolute Maximum Ratings Pin Configuration Order Information Electrical Characteristics Typical Performance Characteristics Pin Functions Block Diagram Operation Applications Information Typical Applications Package Description Revision History Typical Application Related Parts