Datasheet LT1737 (Analog Devices) - 7
| Manufacturer | Analog Devices |
| Description | High Power Isolated Flyback Controller |
| Pages / Page | 28 / 7 — BLOCK DIAGRA |
| File Format / Size | PDF / 386 Kb |
| Document Language | English |
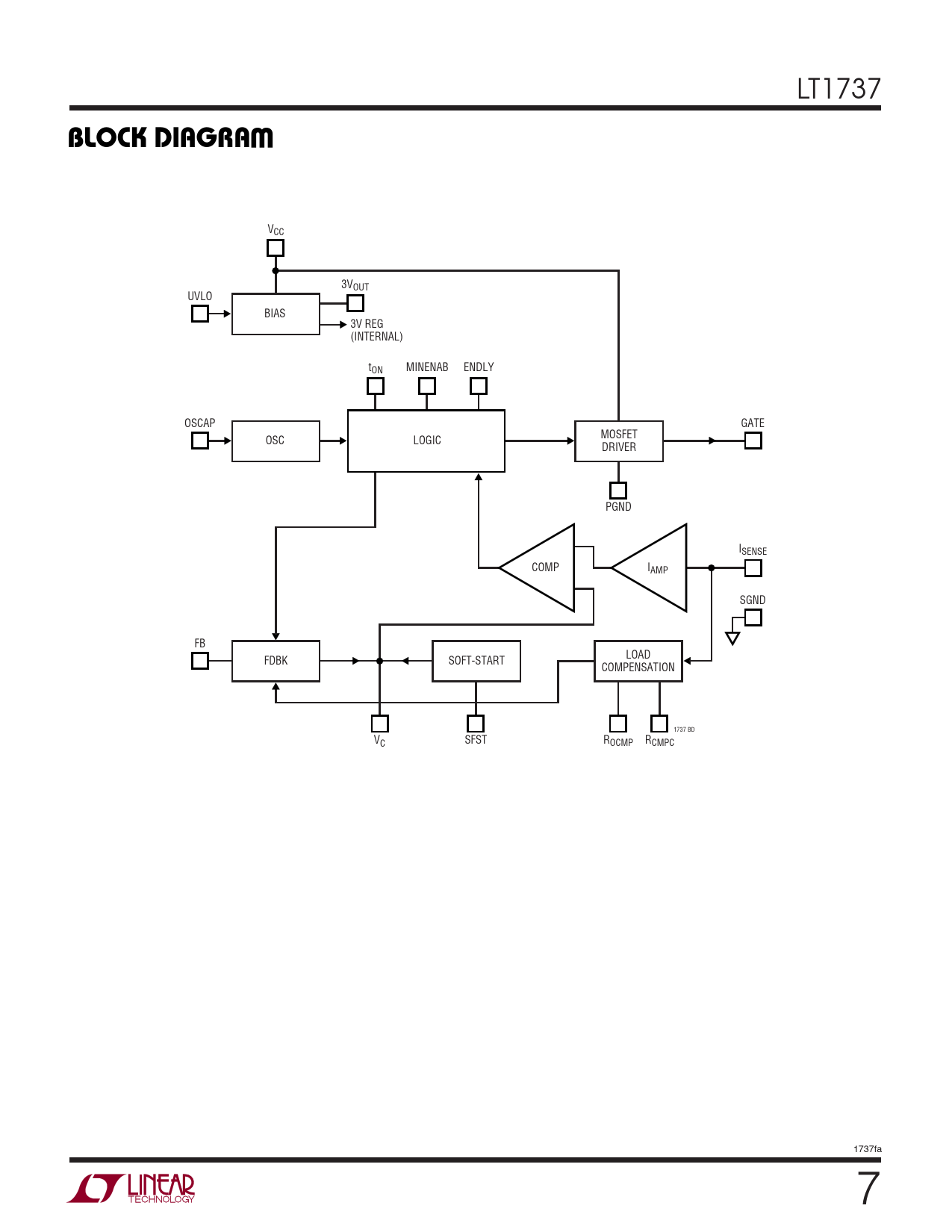
BLOCK DIAGRA

Model Line for this Datasheet
Text Version of Document
LT1737
W BLOCK DIAGRA
VCC 3VOUT UVLO BIAS 3V REG (INTERNAL) t MINENAB ENDLY ON OSCAP GATE MOSFET OSC LOGIC DRIVER PGND ISENSE COMP IAMP SGND FB LOAD FDBK SOFT-START COMPENSATION 1737 BD VC SFST ROCMP RCMPC 1737fa 7