Datasheet ATmega103, ATmega103L (Atmel) - 4

ManufacturerAtmel
Description8-bit AVR Microcontroller with 128K Bytes In-System Programmable Flash
Pages / Page141 / 4 — Block Diagram. Figure 1. ATmega103(L)
File Format / SizePDF / 2.2 Mb
Document LanguageEnglish

Block Diagram. Figure 1. ATmega103(L)

Block Diagram Figure 1 ATmega103(L)

Model Line for this Datasheet

Text Version of Document

Block Diagram Figure 1.
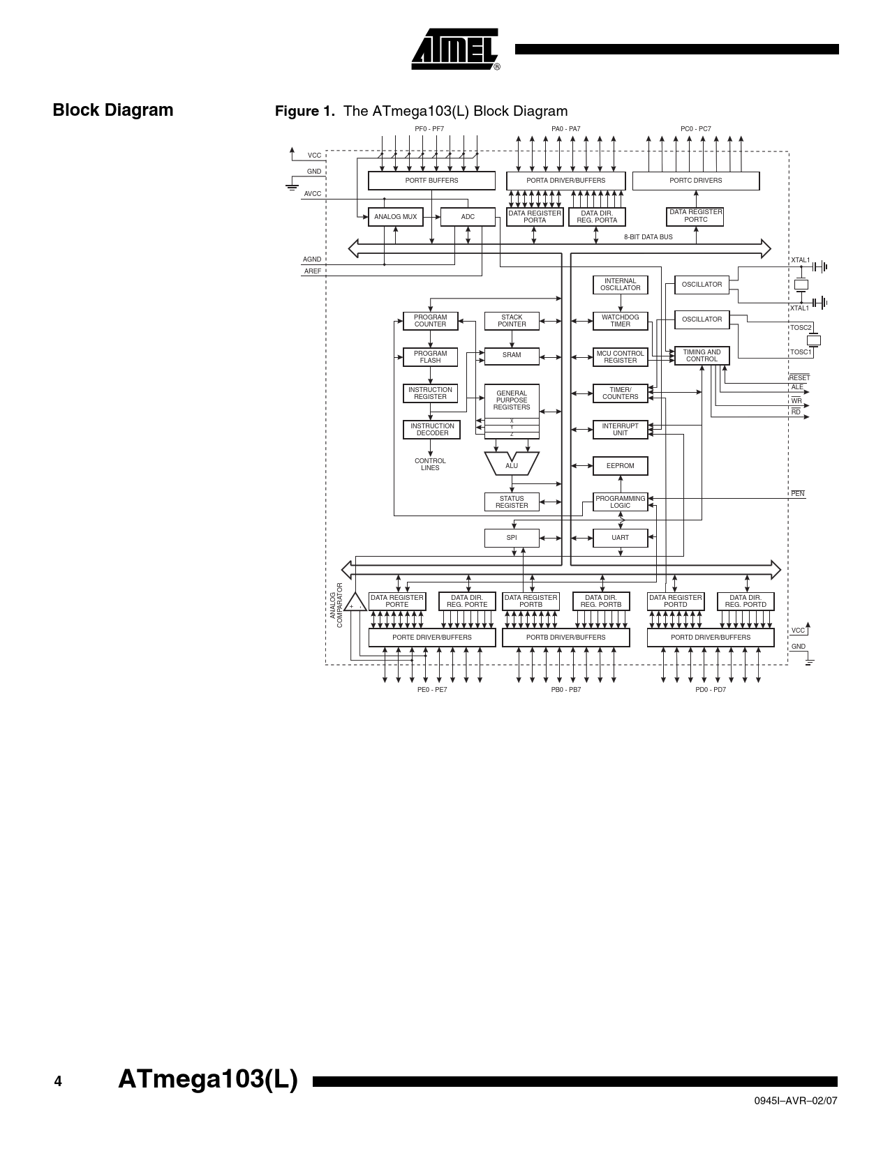
The ATmega103(L) Block Diagram PF0 - PF7 PA0 - PA7 PC0 - PC7 VCC GND PORTF BUFFERS PORTA DRIVER/BUFFERS PORTC DRIVERS AVCC DATA REGISTER DATA DIR. DATA REGISTER ANALOG MUX ADC PORTA REG. PORTA PORTC 8-BIT DATA BUS AGND XTAL1 AREF INTERNAL OSCILLATOR OSCILLATOR XTAL1 PROGRAM STACK WATCHDOG OSCILLATOR COUNTER POINTER TIMER TOSC2 PROGRAM SRAM MCU CONTROL TIMING AND TOSC1 FLASH REGISTER CONTROL RESET INSTRUCTION TIMER/ ALE GENERAL REGISTER COUNTERS PURPOSE WR REGISTERS RD X INSTRUCTION Y INTERRUPT DECODER Z UNIT CONTROL ALU EEPROM LINES PEN STATUS PROGRAMMING REGISTER LOGIC SPI UART TOR DATA REGISTER DATA DIR. DATA REGISTER DATA DIR. DATA REGISTER DATA DIR. ARA + - PORTE REG. PORTE PORTB REG. PORTB PORTD REG. PORTD ANALOG COMP VCC PORTE DRIVER/BUFFERS PORTB DRIVER/BUFFERS PORTD DRIVER/BUFFERS GND PE0 - PE7 PB0 - PB7 PD0 - PD7
4 ATmega103(L)
0945I–AVR–02/07 Document Outline Features Pin Configuration Description Block Diagram Pin Descriptions VCC GND Port A (PA7..PA0) Port B (PB7..PB0) Port C (PC7..PC0) Port D (PD7..PD0) Port E (PE7..PE0) Port F (PF7..PF0) RESET XTAL1 XTAL2 TOSC1 TOSC2 WR RD ALE AVCC AREF AGND PEN Clock Options Crystal Oscillator External Clock Timer Oscillator Architectural Overview General Purpose Register File X-register, Y-register and Z- register ALU - Arithmetic Logic Unit ISP Flash Program Memory SRAM Data Memory Program and Data Addressing Modes Register Direct, Single Register Rd Register Direct, Two Registers Rd and Rr I/O Direct Data Direct Data Indirect with Displacement Data Indirect Data Indirect with Pre- decrement Data Indirect with Post- increment Constant Addressing Using the LPM and ELPM Instructions Direct Program Address, JMP and CALL Indirect Program Addressing, IJMP and ICALL Relative Program Addressing, RJMP and RCALL EEPROM Data Memory Memory Access Times and Instruction Execution Timing I/O Memory Status Register - SREG Stack Pointer - SP RAM Page Z Select Register - RAMPZ MCU Control Register - MCUCR XTAL Divide Control Register - XDIV Reset and Interrupt Handling Reset Sources Power-on Reset External Reset Watchdog Reset MCU Status Register - MCUSR Interrupt Handling External Interrupt Mask Register - EIMSK External Interrupt Flag Register - EIFR External Interrupt Control Register - EICR Timer/Counter Interrupt Mask Register - TIMSK Timer/Counter Interrupt Flag Register - TIFR Interrupt Response Time Sleep Modes Idle Mode Power-down Mode Power-save Mode Timer/Counters Timer/Counter Prescalers 8-bit Timer/Counters T/C0 and T/C2 Timer/Counter0 Control Register - TCCR0 Timer/Counter2 Control Register - TCCR2 Timer/Counter0 - TCNT0 Timer/Counter2 - TCNT2 Timer/Counter0 Output Compare Register - OCR0 Timer/Counter2 Output Compare Register - OCR2 Timer/Counters 0 and 2 in PWM Mode Asynchronous Status Register - ASSR Asynchronous Operation of Timer/Counter0 16-bit Timer/Counter1 Timer/Counter1 Control Register A - TCCR1A Timer/Counter1 Control Register B - TCCR1B Timer/Counter1 - TCNT1H and TCNT1L Timer/Counter1 Output Compare Register - OCR1AH and OCR1AL Timer/Counter1 Output Compare Register - OCR1BH and OCR1BL Timer/Counter1 Input Capture Register - ICR1H and ICR1L Timer/Counter1 in PWM Mode Watchdog Timer Watchdog Timer Control Register - WDTCR EEPROM Read/Write Access EEPROM Address Register - EEARH, EEARL EEPROM Data Register - EEDR EEPROM Control Register - EECR Prevent EEPROM Corruption Serial Peripheral Interface - SPI SS Pin Functionality Data Modes SPI Control Register - SPCR SPI Status Register - SPSR SPI Data Register - SPDR UART Data Transmission Data Reception UART Control UART I/O Data Register - UDR UART Status Register - USR UART Control Register - UCR Baud Rate Generator UART Baud Rate Register - UBRR Analog Comparator Analog Comparator Control and Status Register - ACSR Analog-to-Digital Converter Feature list: Operation Prescaling ADC Noise Canceler Function ADC Multiplexer Select Register - ADMUX ADC Control and Status Register - ADCSR ADC Data Register - ADCL and ADCH ADC Noise Canceling Techniques ADC DC Characteristics Interface to External SRAM I/O Ports Port A Port A Data Register - PORTA Port A Data Direction Register - DDRA Port A Input Pins Address - PINA Port A as General Digital I/O Port A Schematics Port B Port B Data Register - PORTB Port B Data Direction Register - DDRB Port B Input Pins Address - PINB Port B as General Digital I/O Alternate Functions of Port B Port B Schematics Port C The Port C Data Register - PORTC Port C Schematics Port D Port D Data Register - PORTD Port D Data Direction Register - DDRD Port D Input Pins Address - PIND Port D as General Digital I/O Alternate Functions of Port D Port D Schematics Port E Port E Data Register - PORTE Port E Data Direction Register - DDRE Port E Input Pins Address - PINE Port E as General Digital I/O Alternate Functions of Port E Port E Schematics Port F Port F Input Pins Address - PINF Memory Programming Program and Data Memory Lock Bits Fuse Bits Signature Bytes Programming the Flash and EEPROM Parallel Programming Signal Names Enter Programming Mode Chip Erase Programming the Flash Programming the EEPROM Reading the Flash Reading the EEPROM Programming the Fuse Bits Programming the Lock Bits Reading the Fuse and Lock Bits Reading the Signature Bytes Parallel Programming Characteristics Serial Downloading Serial Programming Algorithm Data Polling for the EEPROM Electrical Characteristics Absolute Maximum Ratings* DC Characteristics External Data Memory Timing External Clock Drive Waveforms Typical Characteristics Register Summary Instruction Set Summary Ordering Information Packaging Information 64A Table of Contents