Datasheet AT90S8515 (Atmel) - 3

ManufacturerAtmel
Description8-bit AVR Microcontroller with 8K Bytes In-System Programmable Flash
Pages / Page112 / 3 — AT90S8515. Description The AT90S8515 is a low-power CMOS 8-bit …
File Format / SizePDF / 2.7 Mb
Document LanguageEnglish

AT90S8515. Description The AT90S8515 is a low-power CMOS 8-bit microcontroller based on the AVR RISC

AT90S8515 Description The AT90S8515 is a low-power CMOS 8-bit microcontroller based on the AVR RISC

Model Line for this Datasheet

Text Version of Document

AT90S8515
Description The AT90S8515 is a low-power CMOS 8-bit microcontroller based on the AVR RISC
architecture. By executing powerful instructions in a single clock cycle, the AT90S8515
achieves throughputs approaching 1 MIPS per MHz, allowing the system designer to
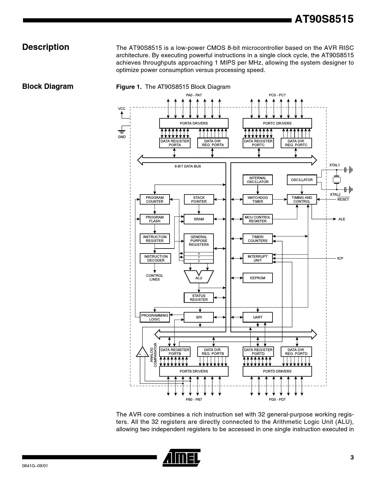
optimize power consumption versus processing speed. Block Diagram Figure 1. The AT90S8515 Block Diagram The AVR core combines a rich instruction set with 32 general-purpose working registers. All the 32 registers are directly connected to the Arithmetic Logic Unit (ALU),
allowing two independent registers to be accessed in one single instruction executed in 3
0841G–09/01