Datasheet ADR280 (Analog Devices) - 10
| Manufacturer | Analog Devices | 
| Description | 1.2 V Ultralow Power High PSRR Voltage Reference | 
| Pages / Page | 12 / 10 — ADR280. OUTLINE DIMENSIONS. 3.04 2.90 2.80. 1.40 1.30 1.20. 2.64 2.10. … | 
| Revision | C | 
| File Format / Size | PDF / 863 Kb | 
| Document Language | English | 
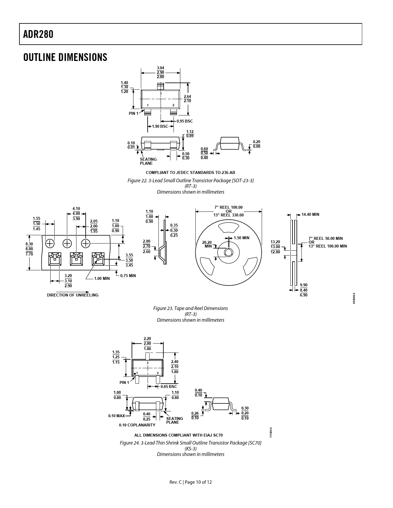
ADR280. OUTLINE DIMENSIONS. 3.04 2.90 2.80. 1.40 1.30 1.20. 2.64 2.10. PIN 1. 0.95 BSC. 1.90 BSC. 1.12 0.89. 0.10. 0.20. 0.01. 0.08. 0.60. 0.50

Model Line for this Datasheet
Text Version of Document
ADR280 OUTLINE DIMENSIONS 3.04 2.90 2.80 1.40 1.30 1.20 3 2.64 2.10 1 2 PIN 1 0.95 BSC 1.90 BSC 1.12 0.89 0.10 0.20 0.01 0.08 0.60 0.50 0.50 SEATING 0.30 0.40 PLANE COMPLIANT TO JEDEC STANDARDS TO-236-AB
Figure 22. 3-Lead Small Outline Transistor Package [SOT-23-3] (RT-3) Dimensions shown in millimeters
7” REEL 100.00 4.10 1.10 OR 4.00 1.00 13” REEL 330.00 14.40 MIN 1.55 3.90 2.05 1.10 0.90 1.50 2.00 1.00 0.35 1.45 1.95 0.90 0.30 0.25 1.50 MIN 7” REEL 50.00 MIN 2.80 20.20 13.20 OR 8.30 2.70 MIN 13.00 13” REEL 100.00 MIN 8.00 2.60 12.80 7.70 3.55 3.50 3.45 3.20 0.75 MIN 1.00 MIN 3.10 2.90 9.90 8.40 -0 DIRECTION OF UNREELING 6.90 06 30 05
Figure 23. Tape and Reel Dimensions (RT-3) Dimensions shown in millimeters
2.20 2.00 1.80 1.35 1.25 1.15 3 2.40 2.10 1 2 1.80 PIN 1 0.65 BSC 0.40 1.00 1.10 0.10 0.80 0.80 0.30 0.40 0.26 0.20 0.10 MAX 0.25 SEATING 0.10 0.10 PLANE 0.10 COPLANARITY -0 05 ALL DIMENSIONS COMPLIANT WITH EIAJ SC70 1115
Figure 24. 3-Lead Thin Shrink Small Outline Transistor Package [SC70] (KS-3) Dimensions shown in millimeters Rev. C | Page 10 of 12 Document Outline FEATURES APPLICATIONS GENERAL DESCRIPTION PIN CONFIGURATIONS TABLE OF CONTENTS REVISION HISTORY SPECIFICATIONS ELECTRICAL CHARACTERISTICS ABSOLUTE MAXIMUM RATINGS THERMAL RESISTANCE ESD CAUTION TYPICAL PERFORMANCE CHARACTERISTICS THEORY OF OPERATION APPLICATIONS INFORMATION LOW COST, LOW POWER CURRENT SOURCE Precision Low Power Current Source Boosted Current Source Negative Reference Boosted Reference with Scalable Output GSM and 3G Mobile Station Applications OUTLINE DIMENSIONS ORDERING GUIDE