Datasheet AD584 (Analog Devices) - 10

ManufacturerAnalog Devices
DescriptionPin Programmable Precision Voltage Reference
Pages / Page12 / 10 — AD584. Data Sheet. –15V. +15V. 1.2kΩ. GAIN TRIM. AD7574. COMMON. R2 2kΩ*. …
RevisionC
File Format / SizePDF / 520 Kb
Document LanguageEnglish

AD584. Data Sheet. –15V. +15V. 1.2kΩ. GAIN TRIM. AD7574. COMMON. R2 2kΩ*. (TOP VIEW). –10V REF. DIGITAL. SUPPLY. 2kΩ 10%*. RETURN. SIGNAL. 0.1µF. 10.0V

AD584 Data Sheet –15V +15V 1.2kΩ GAIN TRIM AD7574 COMMON R2 2kΩ* (TOP VIEW) –10V REF DIGITAL SUPPLY 2kΩ 10%* RETURN SIGNAL 0.1µF 10.0V

Model Line for this Datasheet

Text Version of Document

link to page 10 link to page 10 link to page 10
AD584 Data Sheet
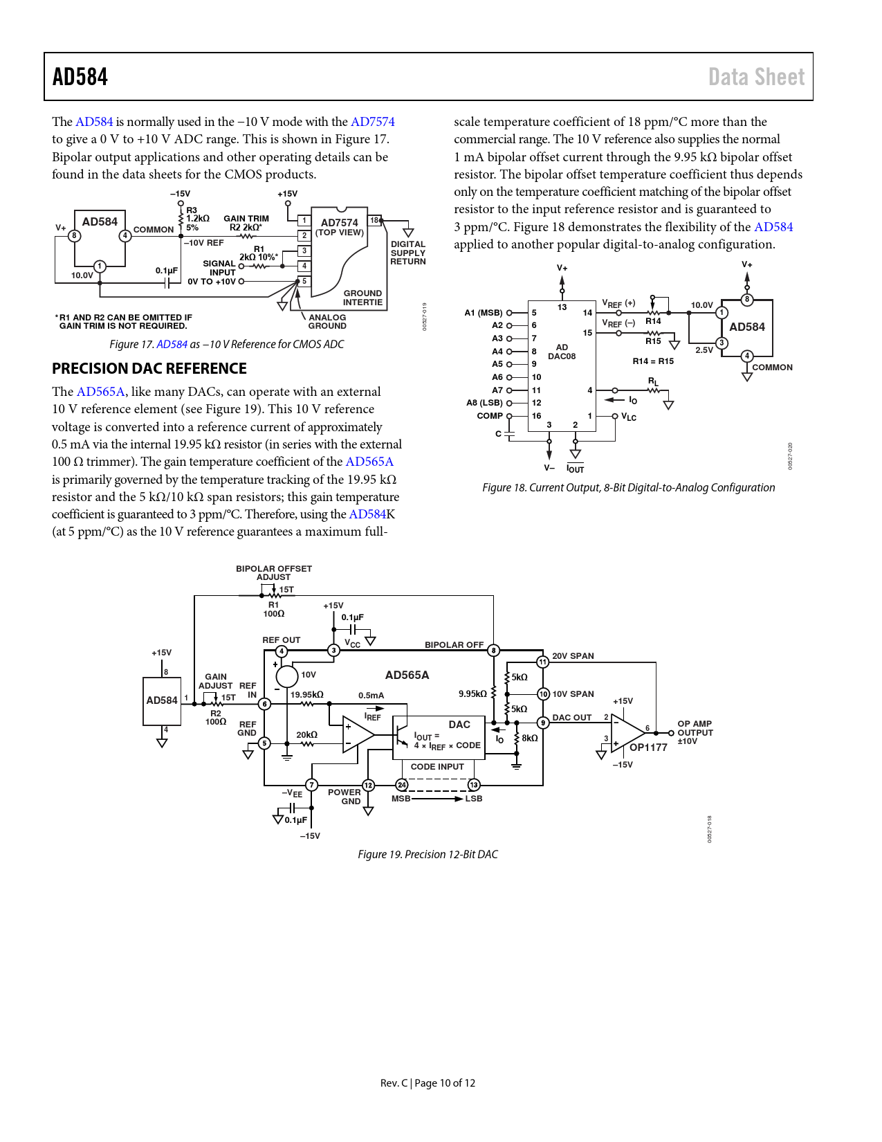
The AD584 is normal y used in the −10 V mode with the AD7574 scale temperature coefficient of 18 ppm/°C more than the to give a 0 V to +10 V ADC range. This is shown in Figure 17. commercial range. The 10 V reference also supplies the normal Bipolar output applications and other operating details can be 1 mA bipolar offset current through the 9.95 kΩ bipolar offset found in the data sheets for the CMOS products. resistor. The bipolar offset temperature coefficient thus depends
–15V +15V
only on the temperature coefficient matching of the bipolar offset
R3
resistor to the input reference resistor and is guaranteed to
AD584 1.2kΩ GAIN TRIM 1 18 AD7574 V+ COMMON 5% R2 2kΩ* (TOP VIEW)
3 ppm/°C. Figure 18 demonstrates the flexibility of the AD584
8 4 2 –10V REF DIGITAL R1
applied to another popular digital-to-analog configuration.
3 SUPPLY 2kΩ 10%* RETURN 1 SIGNAL 4 V+ 0.1µF V+ 10.0V INPUT 0V TO +10V 5 GROUND INTERTIE V 8 13 REF (+) 10.0V
019
A1 (MSB) 5 14 1 * R1 AND R2 CAN BE OMITTED IF ANALOG R14 GAIN TRIM IS NOT REQUIRED. GROUND A2 6 VREF (–)
00527-
AD584 15
Figure 17. AD584 as −10 V Reference for CMOS ADC
A3 7 R15 3 A4 8 AD 2.5V DAC08 4 PRECISION DAC REFERENCE A5 9 R14 = R15 COMMON A6 10 R
The AD565A, like many DACs, can operate with an external
L A7 11 4 I
10 V reference element (see Figure 19). This 10 V reference
O A8 (LSB) 12 COMP 16 1 V
voltage is converted into a reference current of approximately
LC 3 2 C
0.5 mA via the internal 19.95 kΩ resistor (in series with the external 020 100 Ω trimmer). The gain temperature coefficient of the AD565A
V– I
00527-
OUT
is primarily governed by the temperature tracking of the 19.95 kΩ Figure 18. Current Output, 8-Bit Digital-to-Analog Configuration resistor and the 5 kΩ/10 kΩ span resistors; this gain temperature coefficient is guaranteed to 3 ppm/°C. Therefore, using the AD584K (at 5 ppm/°C) as the 10 V reference guarantees a maximum ful -
BIPOLAR OFFSET ADJUST 15T R1 +15V 100Ω 0.1µF REF OUT VCC BIPOLAR OFF +15V 20V SPAN 8 10V GAIN AD565A 5kΩ ADJUST REF IN 19.95 1 15T kΩ 0.5mA 9.95kΩ 10V SPAN AD584 +15V 5kΩ R2 IREF DAC OUT 2 100Ω REF DAC OP AMP 6 4 GND 20kΩ I OUTPUT OUT = IO 8kΩ 3 4 × I ±10V REF × CODE OP1177 CODE INPUT –15V –VEE POWER MSB LSB GND 0.1µF
018
–15V
00527- Figure 19. Precision 12-Bit DAC Rev. C | Page 10 of 12 Document Outline Features General Description Pin Configurations Product Highlights Table of Contents Revision History Specifications Absolute Maximum Ratings ESD Caution Theory of Operation Applying the AD584 Performance over Temperature Output Current Characteristics Dynamic Performance Noise Filtering Using the Strobe Terminal Percision High Current Supply The AD584 as a Current Limiter Negative Reference Voltages from an AD584 10 V Reference with Multiplying CMOS DACs or ADCs Precision DAC Reference Outline Dimensions Ordering Guide